LEMON Manuals: Even more car manuals for everyone: 1960-2025
Home >> Nissan-Datsun >> 2015 >> Rogue Select AWD >> Repair and Diagnosis (Single Page) >> Heating, Ventilation & A/C (HVAC) >> HVAC Control Systems >> Heater & Air Conditioning Control System >> System Description >> Compressor Control Function >> Description >> Principle Of Operation >> Functional Circuit Diagram
April 5, 2026: LEMON Manuals is launched! Read the announcement.

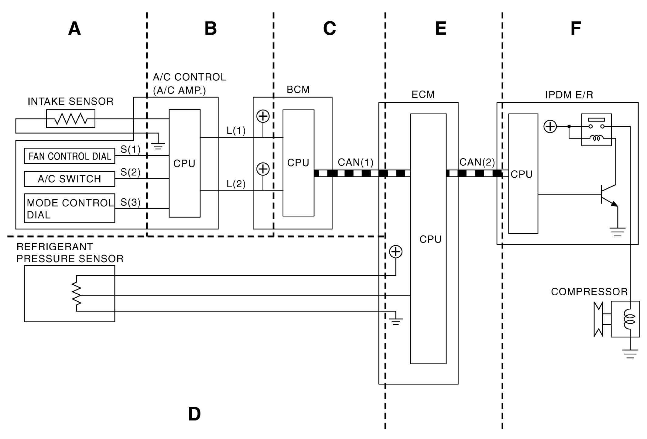
Functional Circuit Diagram

Fig 1: Compressor Control Function Circuit Diagram
GNSJPIIA0394GB-394Courtesy of NISSAN NORTH AMERICA, INC.
L (1) : Fan ON signal S (3) : Defogger signal
L (2) : A/C switch signal CAN (1) : A/C switch signal
S (1) : Fan ON signal : Blower fan motor switch signal
S (2) : A/C switch signal CAN (2) : A/C compressor request signal