LEMON Manuals: Even more car manuals for everyone: 1960-2025
Home >> Nissan-Datsun >> 2015 >> Sentra SL >> Repair and Diagnosis >> Brakes >> Traction Control >> Brake Control System >> System Description >> System >> VDC/TCS/Abs >> System Description >> Brake Release
April 5, 2026: LEMON Manuals is launched! Read the announcement.

Brake Release

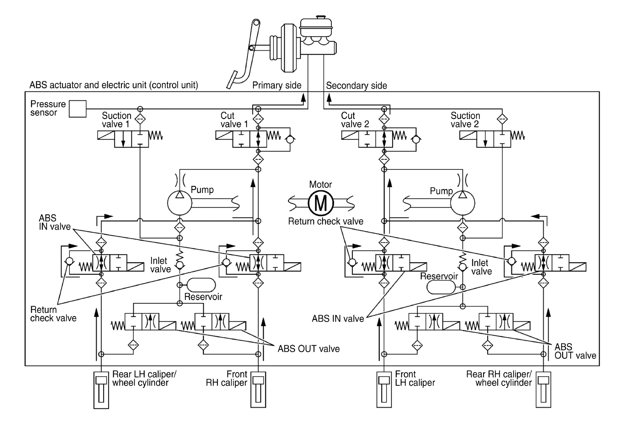
Fig 1: ABS Function Starts Operation Diagram (Brake Release)
G08990167Courtesy of NISSAN NORTH AMERICA, INC.
Name Not activated During brake release
Cut valve 1 Power supply is not supplied (open) Power supply is not supplied (open)
Cut valve 2 Power supply is not supplied (open) Power supply is not supplied (open)
Suction valve 1 Power supply is not supplied (close) Power supply is not supplied (close)
Suction valve 2 Power supply is not supplied (close) Power supply is not supplied (close)
ABS IN valve Power supply is not supplied (open) Power supply is not supplied (open)
ABS OUT valve Power supply is not supplied (close) Power supply is not supplied (close)
Each brake caliper and each wheel cylinder (fluid pressure) - Pressure decreases

Front RH brake caliper

Front LH brake caliper

Rear RH brake caliper/wheel cylinder

Rear LH brake caliper/wheel cylinder