LEMON Manuals: Even more car manuals for everyone: 1960-2025
Home >> Nissan-Datsun >> 2015 >> Sentra SR >> Repair and Diagnosis >> Body & Frame >> Door Locks >> Security Control System (With Intelligent Key) >> Wiring Diagram >> Intelligent Key System/Engine Start Function >> Wiring Diagram
April 5, 2026: LEMON Manuals is launched! Read the announcement.

Intelligent Key System/Engine Start Function: Wiring Diagram

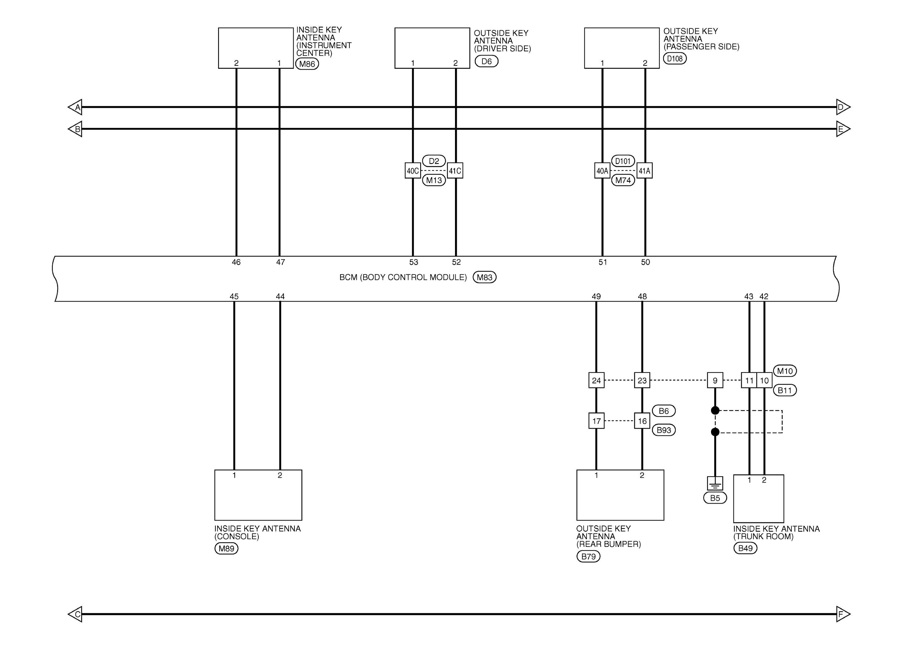
Fig 1: Intelligent Key System/Engine Start Function -- Wiring Diagram (1 Of 4)
GNSABKWA2949GB-949Courtesy of NISSAN NORTH AMERICA, INC.
Fig 2: Intelligent Key System/Engine Start Function -- Wiring Diagram (2 Of 4)
G09460159Courtesy of NISSAN NORTH AMERICA, INC.
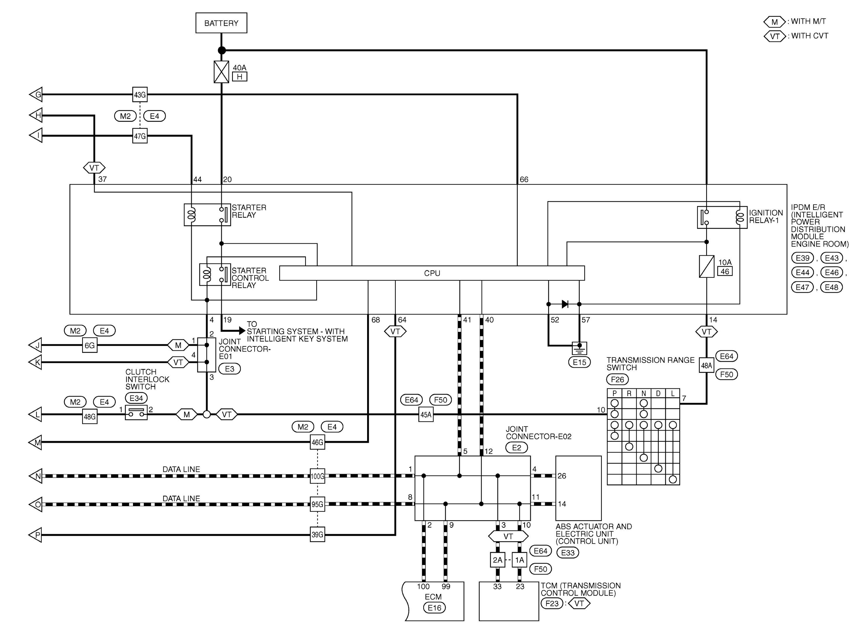
Fig 3: Intelligent Key System/Engine Start Function -- Wiring Diagram (3 Of 4)
GNSABKWA2950GB-950Courtesy of NISSAN NORTH AMERICA, INC.
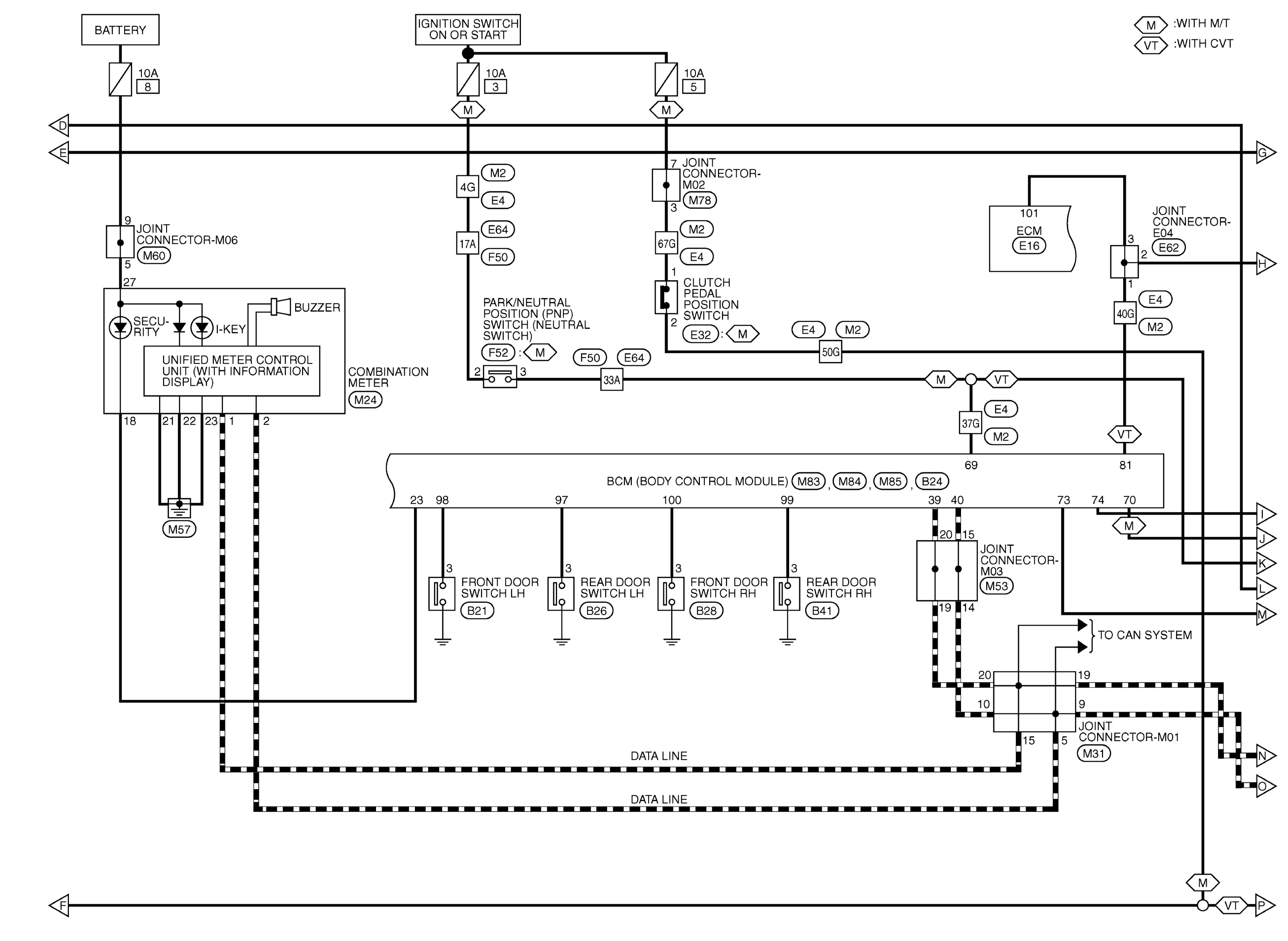
Fig 4: Intelligent Key System/Engine Start Function -- Wiring Diagram (4 Of 4)
GNSABKWA2951GB-951Courtesy of NISSAN NORTH AMERICA, INC.
Fig 5: Intelligent Key System/Engine Start Function Connector End Views (1 Of 10)
G09460162Courtesy of NISSAN NORTH AMERICA, INC.
Fig 6: Intelligent Key System/Engine Start Function Connector End Views (2 Of 10)
G09460163Courtesy of NISSAN NORTH AMERICA, INC.
Fig 7: Intelligent Key System/Engine Start Function Connector End Views (3 Of 10)
GNSABKIA6747GB-747Courtesy of NISSAN NORTH AMERICA, INC.
Fig 8: Intelligent Key System/Engine Start Function Connector End Views (4 Of 10)
GNSABKIA6748GB-748Courtesy of NISSAN NORTH AMERICA, INC.
Fig 9: Intelligent Key System/Engine Start Function Connector End Views (5 Of 10)
GNSABKIA6749GB-749Courtesy of NISSAN NORTH AMERICA, INC.
Fig 10: Intelligent Key System/Engine Start Function Connector End Views (6 Of 10)
G09460167Courtesy of NISSAN NORTH AMERICA, INC.
Fig 11: Intelligent Key System/Engine Start Function Connector End Views (7 Of 10)
GNSABKIA6750GB-750Courtesy of NISSAN NORTH AMERICA, INC.
Fig 12: Intelligent Key System/Engine Start Function Connector End Views (8 Of 10)
GNSABKIA6751GB-751Courtesy of NISSAN NORTH AMERICA, INC.
Fig 13: Intelligent Key System/Engine Start Function Connector End Views (9 Of 10)
G08991065Courtesy of NISSAN NORTH AMERICA, INC.
Fig 14: Intelligent Key System/Engine Start Function Connector End Views (10 Of 10)
G08991066Courtesy of NISSAN NORTH AMERICA, INC.