LEMON Manuals: Even more car manuals for everyone: 1960-2025
Home >> Nissan-Datsun >> 2015 >> Versa Note SR >> Repair and Diagnosis >> Body & Frame >> Door Locks >> Security Control System (With Intelligent Key) >> Wiring Diagram >> Intelligent Key System/Engine Start Function >> Wiring Diagram
April 5, 2026: LEMON Manuals is launched! Read the announcement.

Intelligent Key System/Engine Start Function: Wiring Diagram

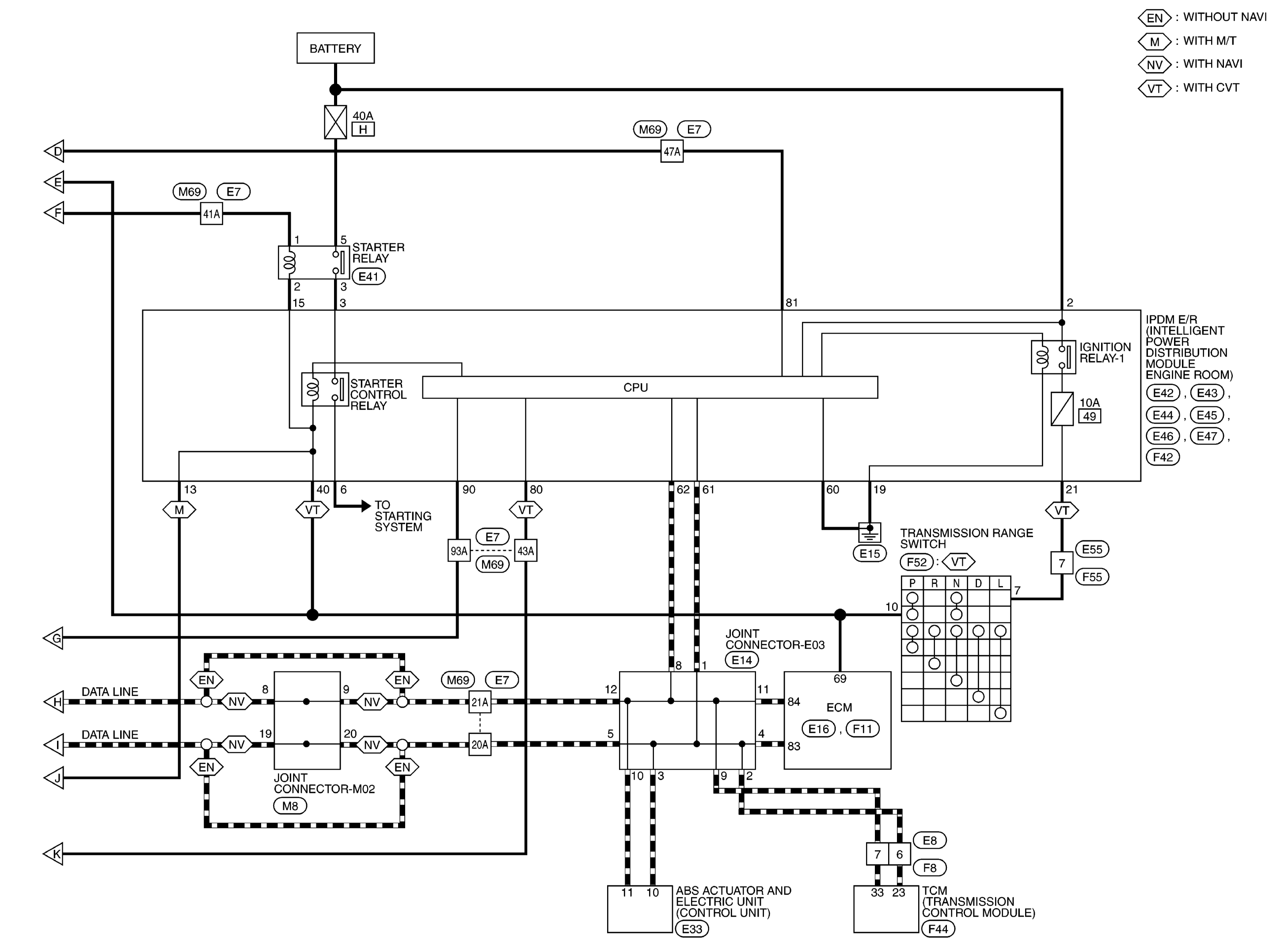
Fig 1: Intelligent Key System/Engine Start Function Wiring Diagram (1 Of 3)
GNSAAKWA0950GB-950Courtesy of NISSAN NORTH AMERICA, INC.
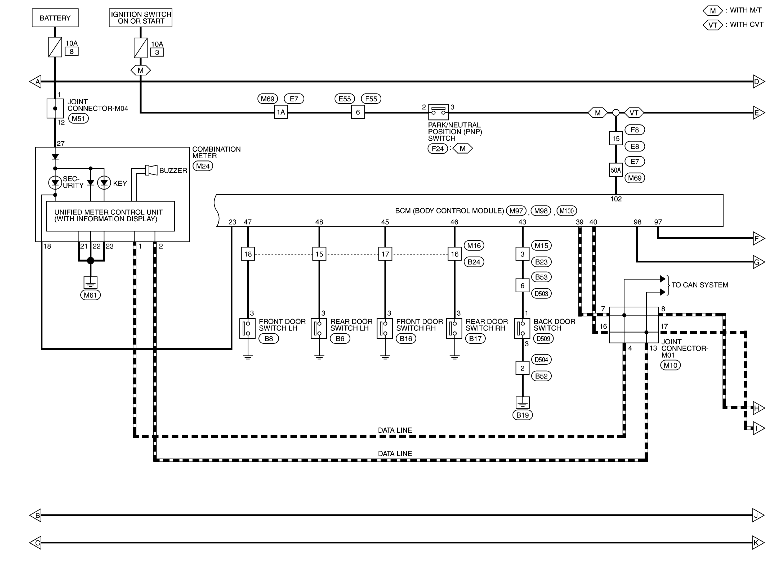
Fig 2: Intelligent Key System/Engine Start Function Wiring Diagram (2 Of 3)
GNSAAKWA0951GB-951Courtesy of NISSAN NORTH AMERICA, INC.
Fig 3: Intelligent Key System/Engine Start Function Wiring Diagram (3 Of 3)
GNSAAKWA0952GB-952Courtesy of NISSAN NORTH AMERICA, INC.
Fig 4: Intelligent Key System/Engine Start Function Connector End View (1 Of 10)
GNSAAKIA2331GB-331Courtesy of NISSAN NORTH AMERICA, INC.
Fig 5: Intelligent Key System/Engine Start Function Connector End View (2 Of 10)
GNSAAKIA2332GB-332Courtesy of NISSAN NORTH AMERICA, INC.
Fig 6: Intelligent Key System/Engine Start Function Connector End View (3 Of 10)
GNSAAKIA2269GB-269Courtesy of NISSAN NORTH AMERICA, INC.
Fig 7: Intelligent Key System/Engine Start Function Connector End View (4 Of 10)
GNSAAKIA2270GB-270Courtesy of NISSAN NORTH AMERICA, INC.
Fig 8: Intelligent Key System/Engine Start Function Connector End View (5 Of 10)
GNSAAKIA2271GB-271Courtesy of NISSAN NORTH AMERICA, INC.
Fig 9: Intelligent Key System/Engine Start Function Connector End View (6 Of 10)
GNSAAKIA2272GB-272Courtesy of NISSAN NORTH AMERICA, INC.
Fig 10: Intelligent Key System/Engine Start Function Connector End View (7 Of 10)
GNSAAKIA2273GB-273Courtesy of NISSAN NORTH AMERICA, INC.
Fig 11: Intelligent Key System/Engine Start Function Connector End View (8 Of 10)
GNSAAKIA2274GB-274Courtesy of NISSAN NORTH AMERICA, INC.
Fig 12: Intelligent Key System/Engine Start Function Connector End View (9 Of 10)
GNSAAKIA2275GB-275Courtesy of NISSAN NORTH AMERICA, INC.
Fig 13: Intelligent Key System/Engine Start Function Connector End View (10 Of 10)
GNSAAKIA2276GB-276Courtesy of NISSAN NORTH AMERICA, INC.