LEMON Manuals: Even more car manuals for everyone: 1960-2025
Home >> Nissan-Datsun >> 2016 >> Maxima S >> Repair and Diagnosis >> External Pages >> Different car >> Section 16 (Driver Assistance System (ADAS Control Unit)) >> ADAS Control Unit >> Wiring Diagram >> Driver Assistance Systems >> Wiring Diagram
April 5, 2026: LEMON Manuals is launched! Read the announcement.

Driver Assistance Systems: Wiring Diagram

WARNING: This page is about a different car, the 2015 Nissan Murano. However, it is still accessible from the selected car via links, so may be relevant.
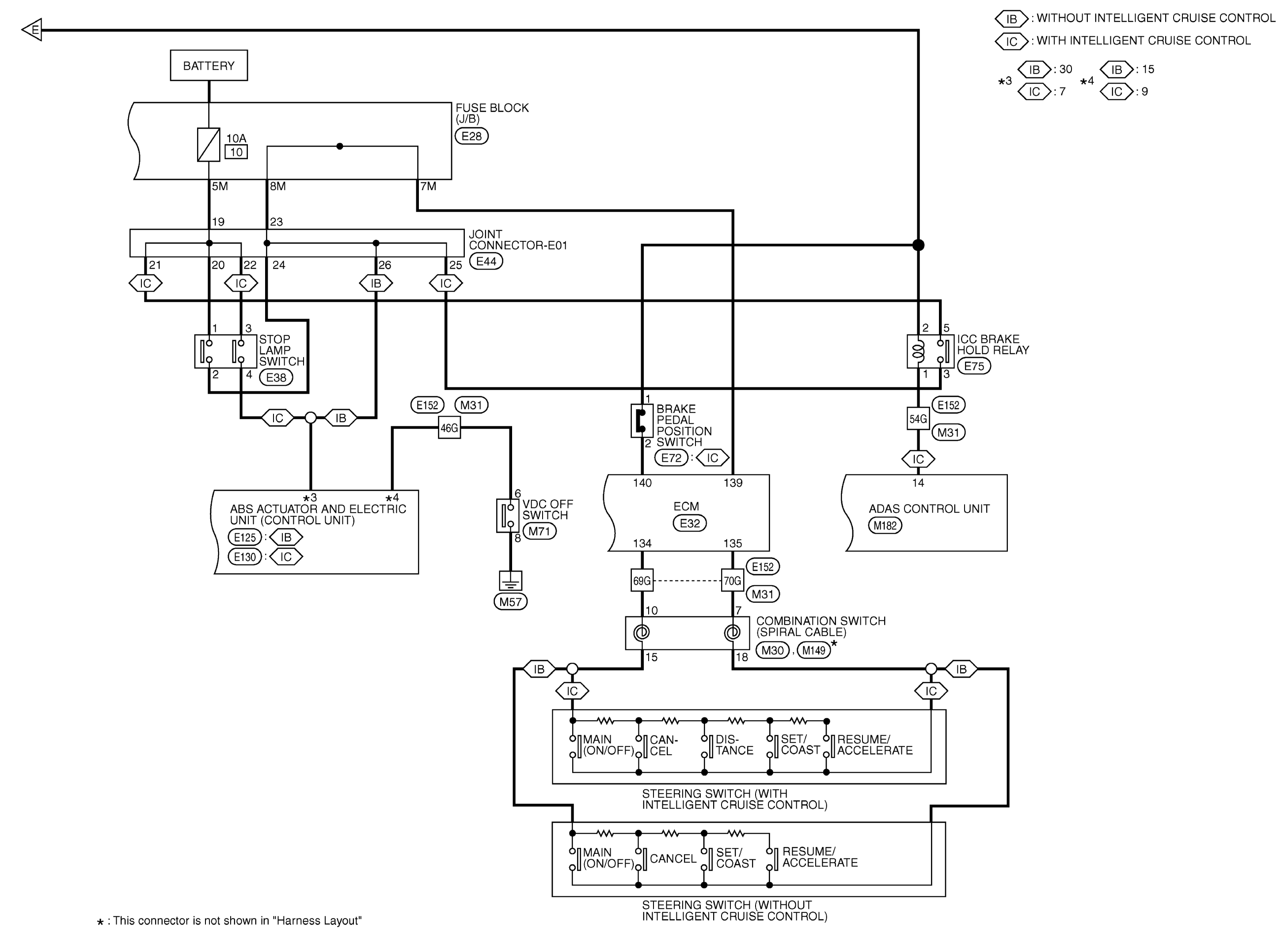
Fig 1: Driver Assistance Systems Wiring Diagram (1 Of 4)
GNSAAOWA0079GB-079Courtesy of NISSAN NORTH AMERICA, INC.
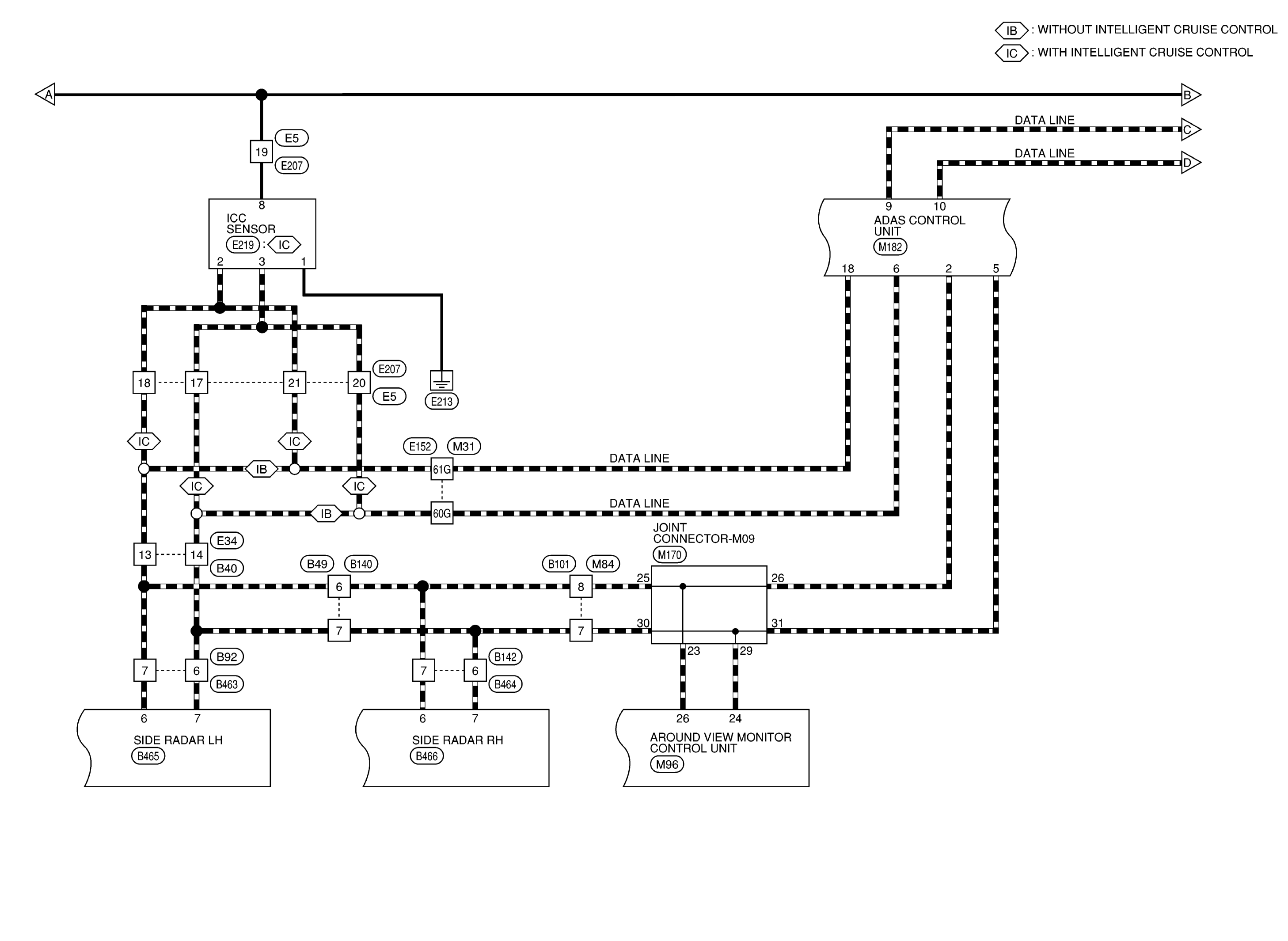
Fig 2: Driver Assistance Systems Wiring Diagram (2 Of 4)
GNSAAOWA0080GB-080Courtesy of NISSAN NORTH AMERICA, INC.
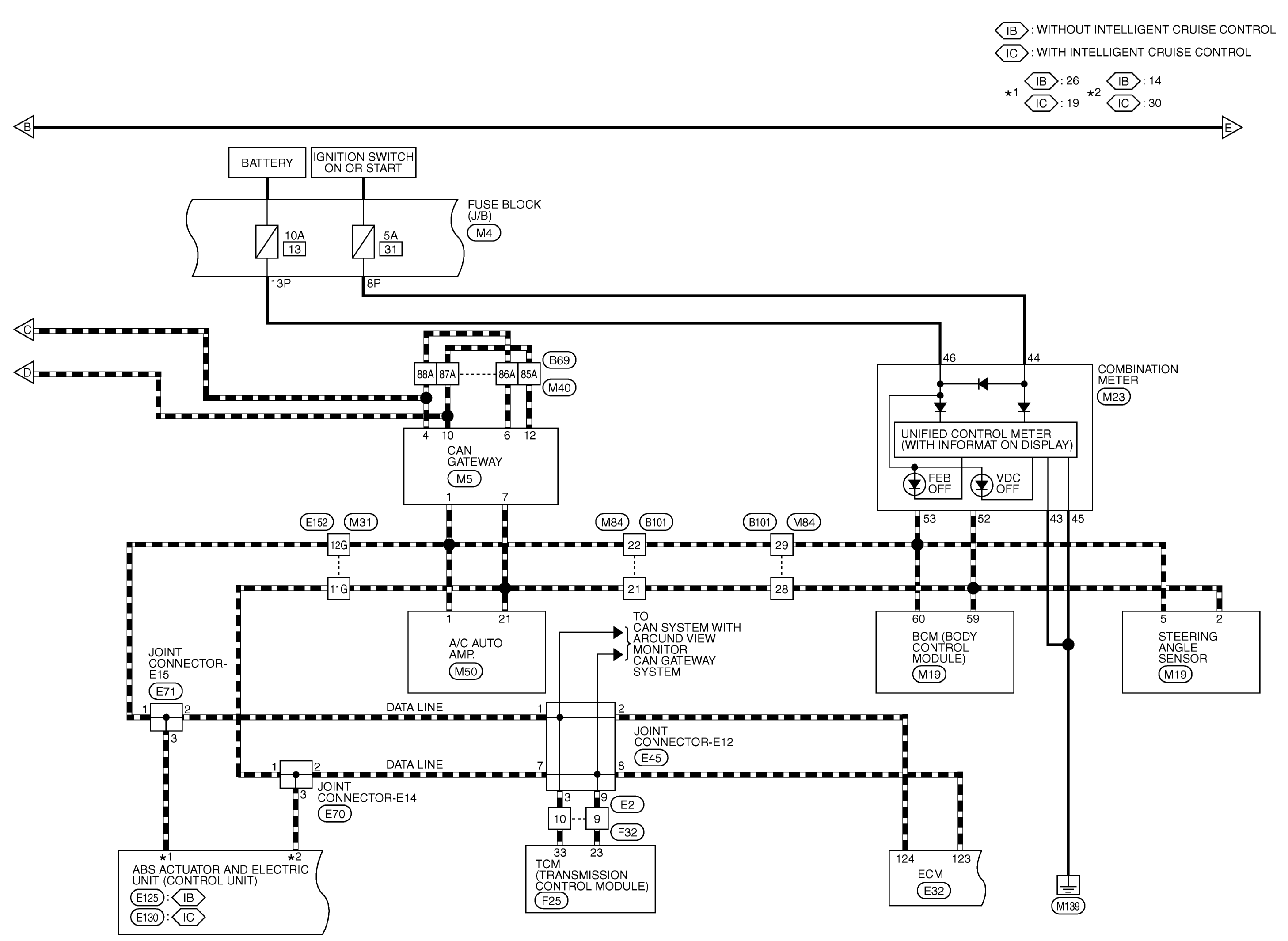
Fig 3: Driver Assistance Systems Wiring Diagram (3 Of 4)
GNSAAOWA0081GB-081Courtesy of NISSAN NORTH AMERICA, INC.
Fig 4: Driver Assistance Systems Wiring Diagram (4 Of 4)
GNSAAOWA0082GB-082Courtesy of NISSAN NORTH AMERICA, INC.
Fig 5: Driver Assistance Systems Connector End Views (1 Of 12)
GNSAAOIA0284GB-284Courtesy of NISSAN NORTH AMERICA, INC.
Fig 6: Driver Assistance Systems Connector End Views (2 Of 12)
GNSAAOIA0217GB-217Courtesy of NISSAN NORTH AMERICA, INC.
Fig 7: Driver Assistance Systems Connector End Views (3 Of 12)
GNSAAOIA0285GB-285Courtesy of NISSAN NORTH AMERICA, INC.
Fig 8: Driver Assistance Systems Connector End Views (4 Of 12)
GNSAAOIA0286GB-286Courtesy of NISSAN NORTH AMERICA, INC.
Fig 9: Driver Assistance Systems Connector End Views (5 Of 12)
GNSAAOIA0287GB-287Courtesy of NISSAN NORTH AMERICA, INC.
Fig 10: Driver Assistance Systems Connector End Views (6 Of 12)
GNSAAOIA0221GB-221Courtesy of NISSAN NORTH AMERICA, INC.
Fig 11: Driver Assistance Systems Connector End Views (7 Of 12)
GNSAAOIA0288GB-288Courtesy of NISSAN NORTH AMERICA, INC.
Fig 12: Driver Assistance Systems Connector End Views (8 Of 12)
GNSAAOIA0289GB-289Courtesy of NISSAN NORTH AMERICA, INC.
Fig 13: Driver Assistance Systems Connector End Views (9 Of 12)
GNSAAOIA0290GB-290Courtesy of NISSAN NORTH AMERICA, INC.
Fig 14: Driver Assistance Systems Connector End Views (10 Of 12)
GNSAAOIA0293GB-293Courtesy of NISSAN NORTH AMERICA, INC.
Fig 15: Driver Assistance Systems Connector End Views (11 Of 12)
GNSAAOIA0226GB-226Courtesy of NISSAN NORTH AMERICA, INC.
Fig 16: Driver Assistance Systems Connector End Views (12 Of 12)
GNSAAOIA0227GB-227Courtesy of NISSAN NORTH AMERICA, INC.