LEMON Manuals: Even more car manuals for everyone: 1960-2025
Home >> Nissan-Datsun >> 2016 >> Murano Platinum, AWD >> Repair and Diagnosis >> Engine Performance >> System >> Engine Control System (Introduction And Basic Inspection) >> Wiring Diagram >> Engine Control System >> Wiring Diagram
April 5, 2026: LEMON Manuals is launched! Read the announcement.

Engine Control System: Wiring Diagram

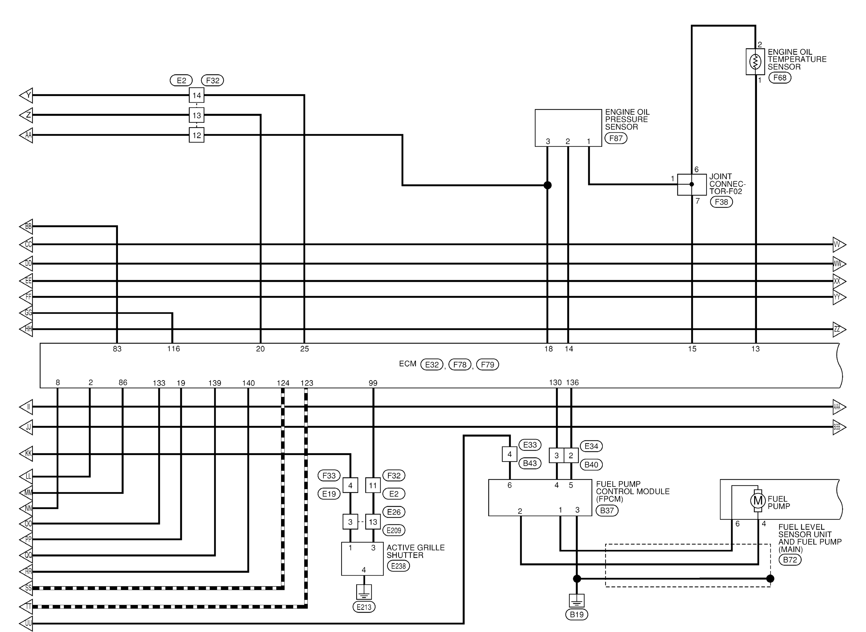
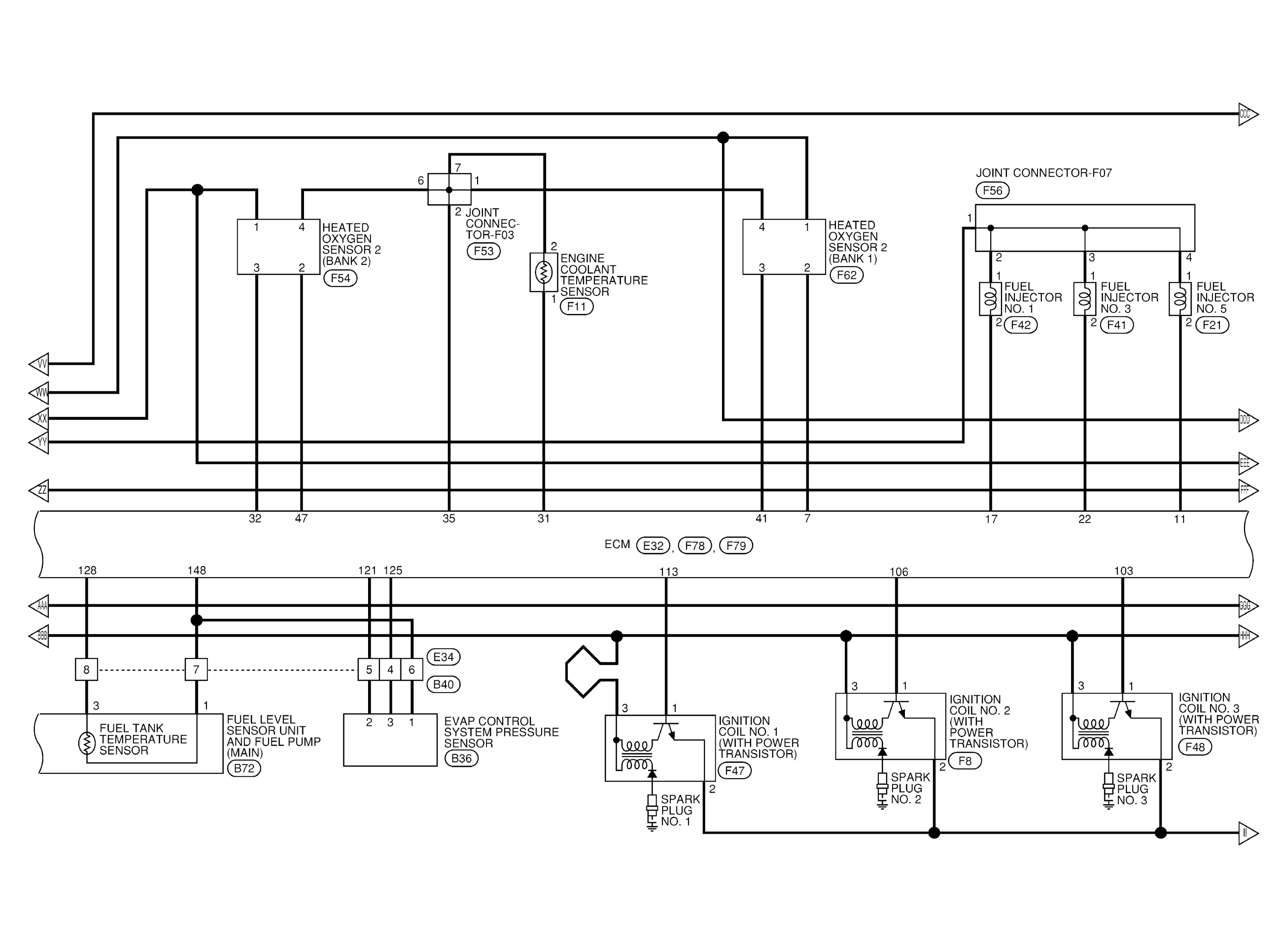
Fig 1: Engine Control System Wiring Diagram (1 Of 8)
GNSABBWA1688GB-688Courtesy of NISSAN NORTH AMERICA, INC.
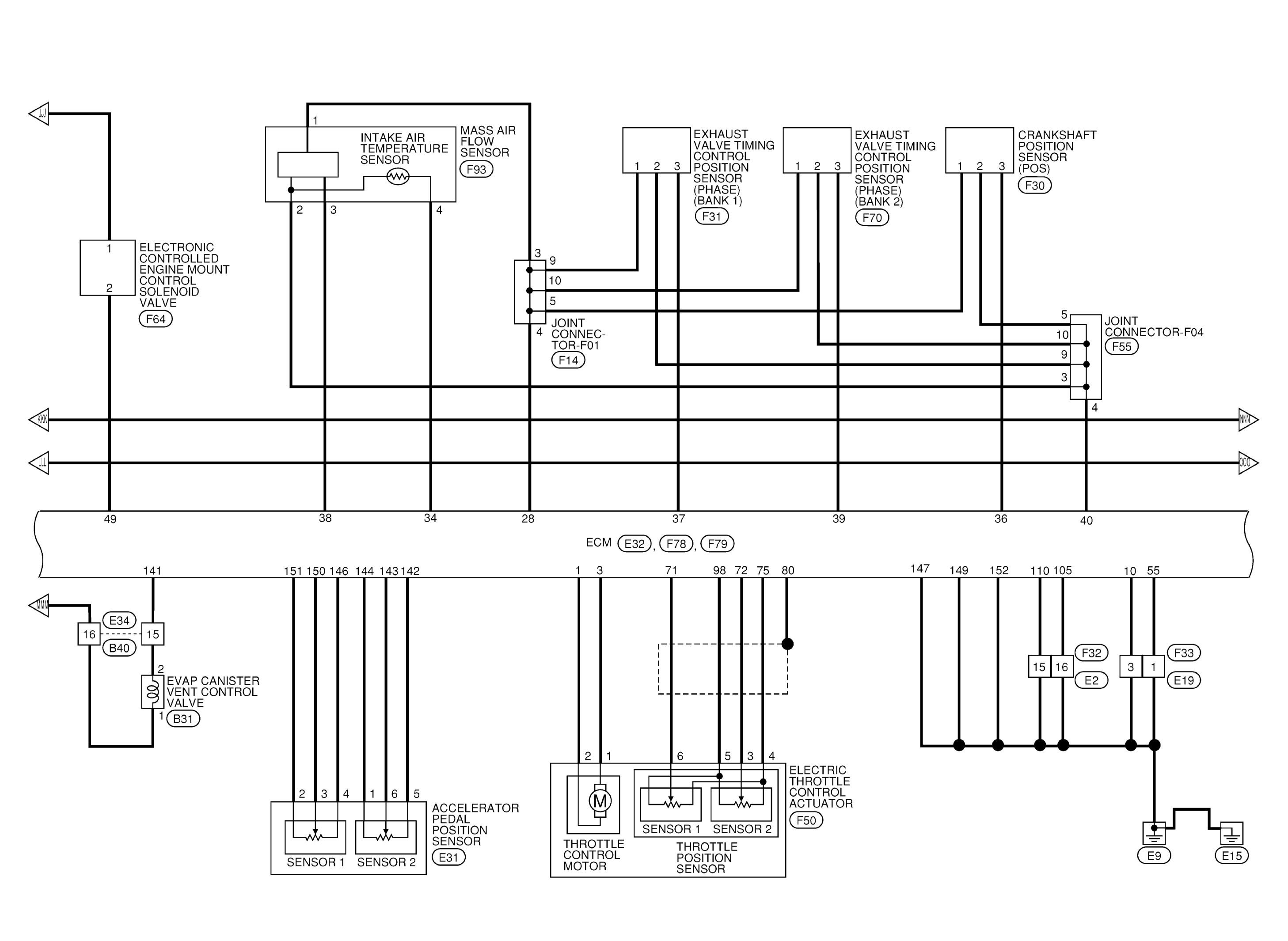
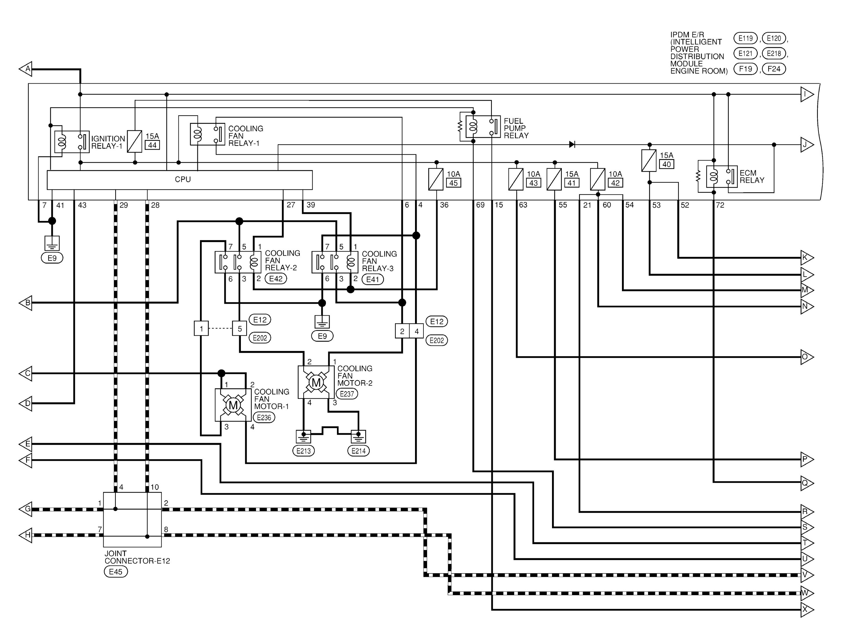
Fig 2: Engine Control System Wiring Diagram (2 Of 8)
GNSABBWA1689GB-689Courtesy of NISSAN NORTH AMERICA, INC.
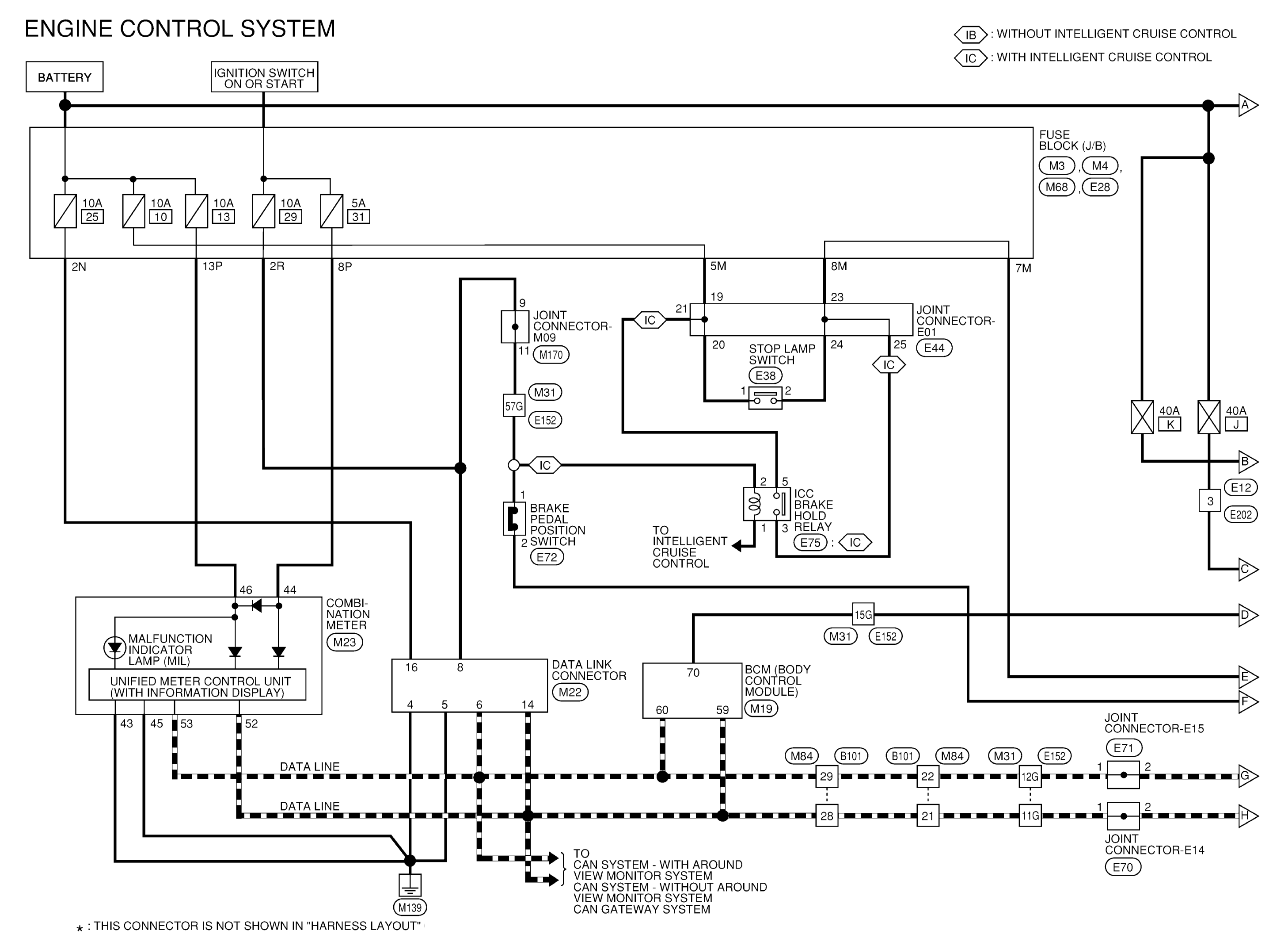
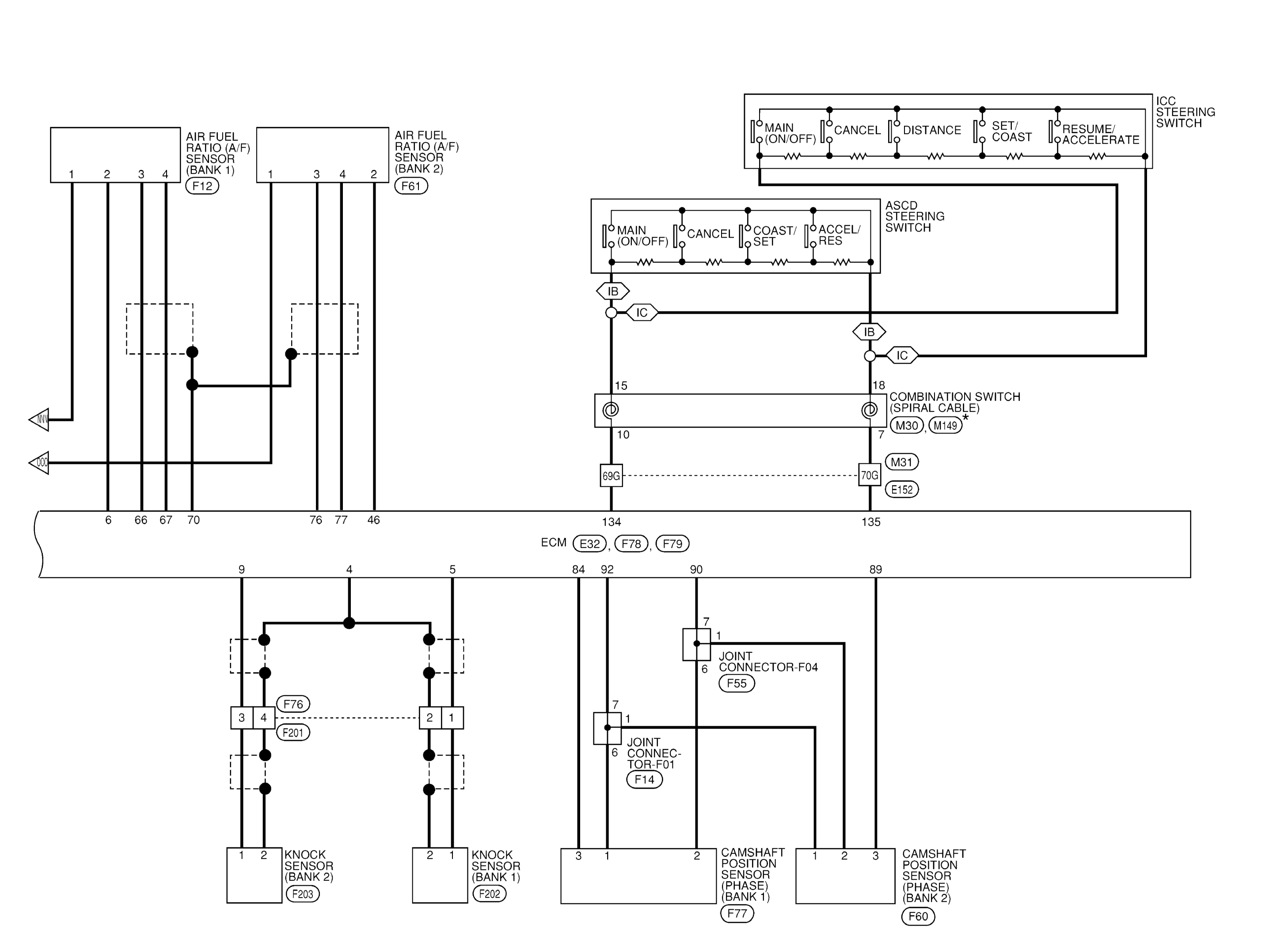
Fig 3: Engine Control System Wiring Diagram (3 Of 8)
GNSABBWA1690GB-690Courtesy of NISSAN NORTH AMERICA, INC.
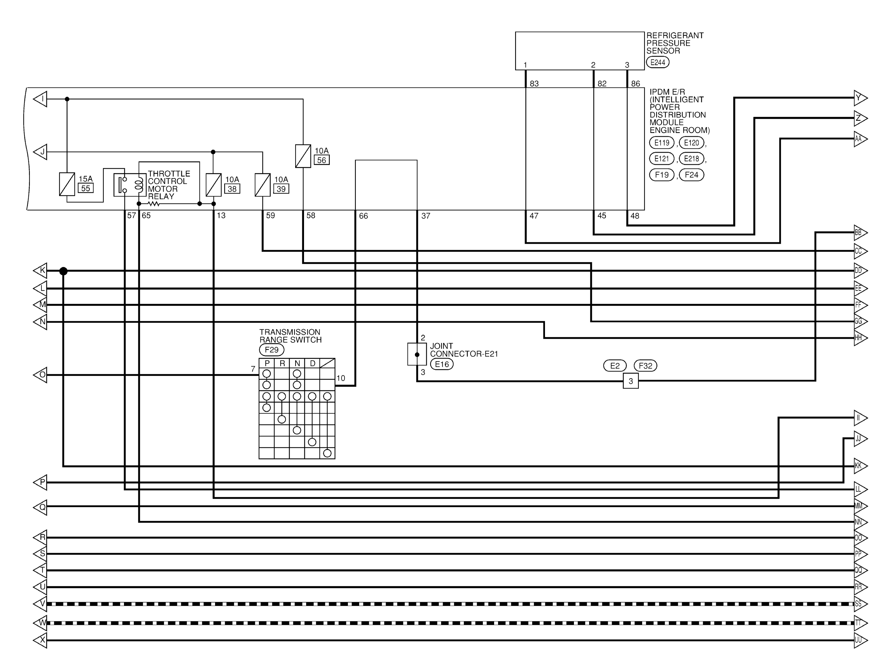
Fig 4: Engine Control System Wiring Diagram (4 Of 8)
GNSAABWA1086GB-086Courtesy of NISSAN NORTH AMERICA, INC.
Fig 5: Engine Control System Wiring Diagram (5 Of 8)
GNSABBWA1691GB-691Courtesy of NISSAN NORTH AMERICA, INC.
Fig 6: Engine Control System Wiring Diagram (6 Of 8)
GNSABBWA1692GB-692Courtesy of NISSAN NORTH AMERICA, INC.
Fig 7: Engine Control System Wiring Diagram (7 Of 8)
GNSAABWA1087GB-087Courtesy of NISSAN NORTH AMERICA, INC.
Fig 8: Engine Control System Wiring Diagram (8 Of 8)
GNSABBWA1693GB-693Courtesy of NISSAN NORTH AMERICA, INC.
Fig 9: Engine Control System Connector End Views (1 Of 17)
GNSAABIA1740GB-740Courtesy of NISSAN NORTH AMERICA, INC.
Fig 10: Engine Control System Connector End Views (2 Of 17)
GNSAABIA1741GB-741Courtesy of NISSAN NORTH AMERICA, INC.
Fig 11: Engine Control System Connector End Views (3 Of 17)
GNSABBIA3218GB-218Courtesy of NISSAN NORTH AMERICA, INC.
Fig 12: Engine Control System Connector End Views (4 Of 17)
GNSAABIA1742GB-742Courtesy of NISSAN NORTH AMERICA, INC.
Fig 13: Engine Control System Connector End Views (5 Of 17)
GNSABBIA3219GB-219Courtesy of NISSAN NORTH AMERICA, INC.
Fig 14: Engine Control System Connector End Views (6 Of 17)
GNSAABIA1743GB-743Courtesy of NISSAN NORTH AMERICA, INC.
Fig 15: Engine Control System Connector End Views (7 Of 17)
GNSABBIA3220GB-220Courtesy of NISSAN NORTH AMERICA, INC.
Fig 16: Engine Control System Connector End Views (8 Of 17)
GNSAABIA1744GB-744Courtesy of NISSAN NORTH AMERICA, INC.
Fig 17: Engine Control System Connector End Views (9 Of 17)
GNSABBIA3221GB-221Courtesy of NISSAN NORTH AMERICA, INC.
Fig 18: Engine Control System Connector End Views (10 Of 17)
GNSABBIA3222GB-222Courtesy of NISSAN NORTH AMERICA, INC.
Fig 19: Engine Control System Connector End Views (11 Of 17)
GNSABBIA3223GB-223Courtesy of NISSAN NORTH AMERICA, INC.
Fig 20: Engine Control System Connector End Views (12 Of 17)
GNSABBIA3224GB-224Courtesy of NISSAN NORTH AMERICA, INC.
Fig 21: Engine Control System Connector End Views (13 Of 17)
GNSABBIA3225GB-225Courtesy of NISSAN NORTH AMERICA, INC.
Fig 22: Engine Control System Connector End Views (14 Of 17)
GNSABBIA3226GB-226Courtesy of NISSAN NORTH AMERICA, INC.
Fig 23: Engine Control System Connector End Views (15 Of 17)
GNSABBIA3227GB-227Courtesy of NISSAN NORTH AMERICA, INC.
Fig 24: Engine Control System Connector End Views (16 Of 17)
GNSABBIA3228GB-228Courtesy of NISSAN NORTH AMERICA, INC.
Fig 25: Engine Control System Connector End Views (17 Of 17)
GNSABBIA3229GB-229Courtesy of NISSAN NORTH AMERICA, INC.