LEMON Manuals: Even more car manuals for everyone: 1960-2025
Home >> Nissan-Datsun >> 2016 >> Versa 1.6 SL >> Repair and Diagnosis >> Engine Performance >> System >> Engine Control System (Introduction, Wiring Diagrams And Basic Inspection) >> Wiring Diagram >> Engine Control System >> Wiring Diagram
April 5, 2026: LEMON Manuals is launched! Read the announcement.

Engine Control System: Wiring Diagram

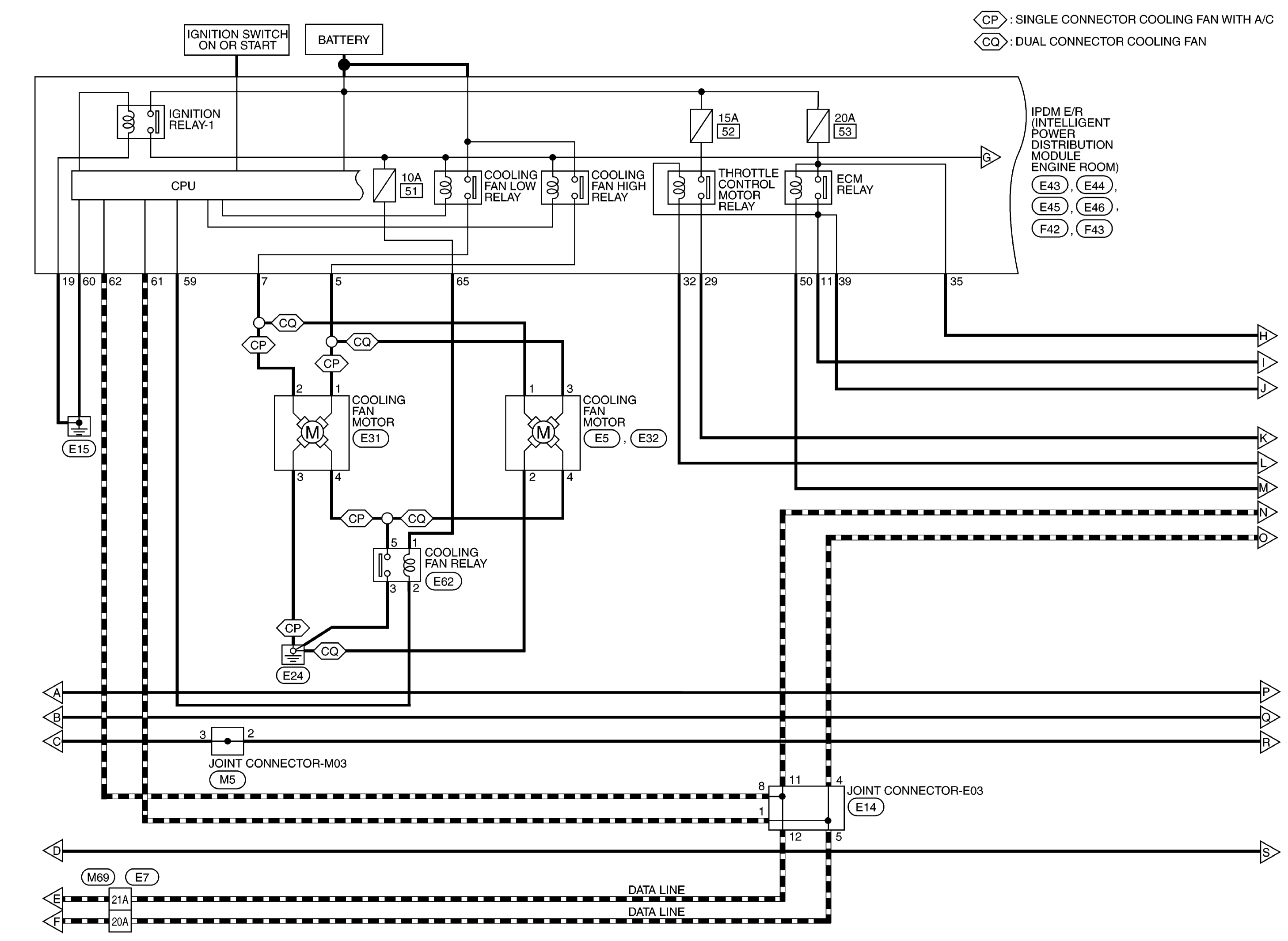
Fig 1: Engine Control System Wiring Diagram (1 Of 6)
GNSABBWA1623GB-623Courtesy of NISSAN NORTH AMERICA, INC.
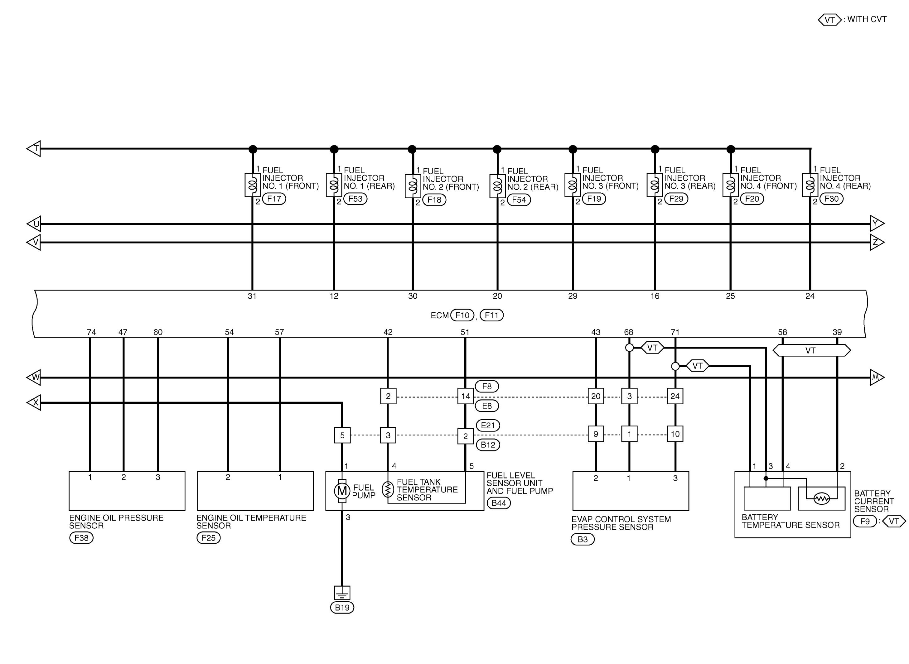
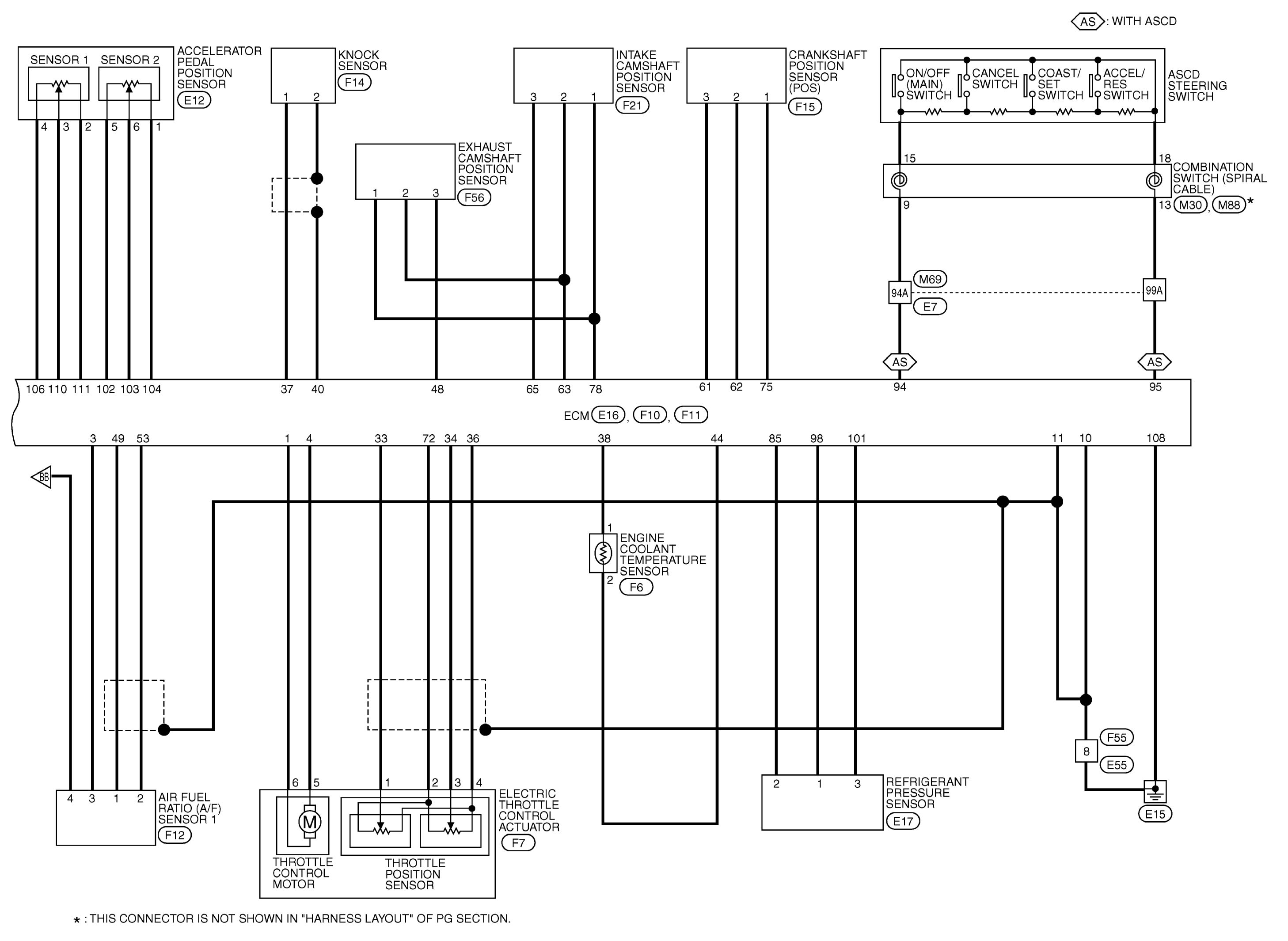
Fig 2: Engine Control System Wiring Diagram (2 Of 6)
GNSABBWA1567GB-567Courtesy of NISSAN NORTH AMERICA, INC.
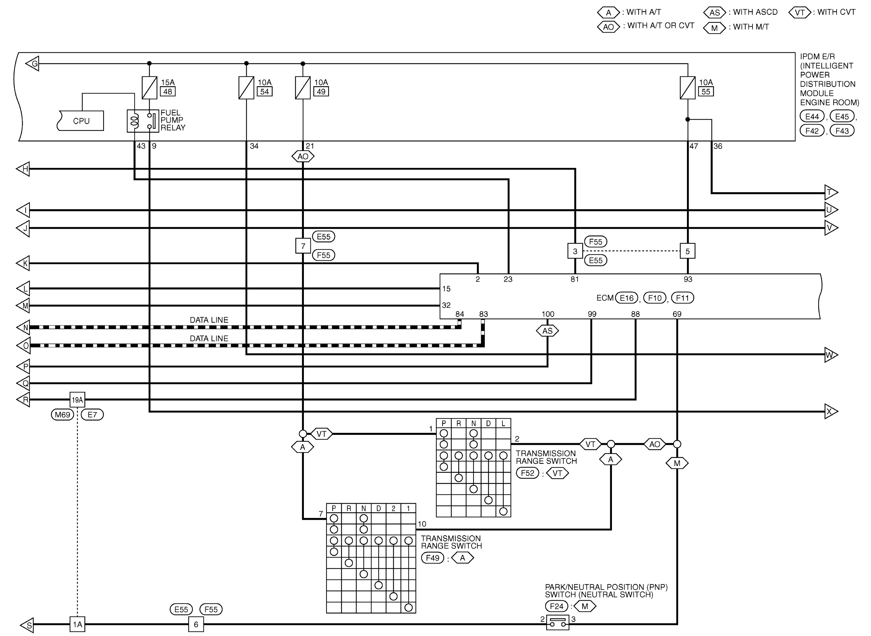
Fig 3: Engine Control System Wiring Diagram (3 Of 6)
GNSAABWA0904GB-904Courtesy of NISSAN NORTH AMERICA, INC.
Fig 4: Engine Control System Wiring Diagram (4 Of 6)
GNSAABWA0905GB-905Courtesy of NISSAN NORTH AMERICA, INC.
Fig 5: Engine Control System Wiring Diagram (5 Of 6)
G09614475Courtesy of NISSAN NORTH AMERICA, INC.
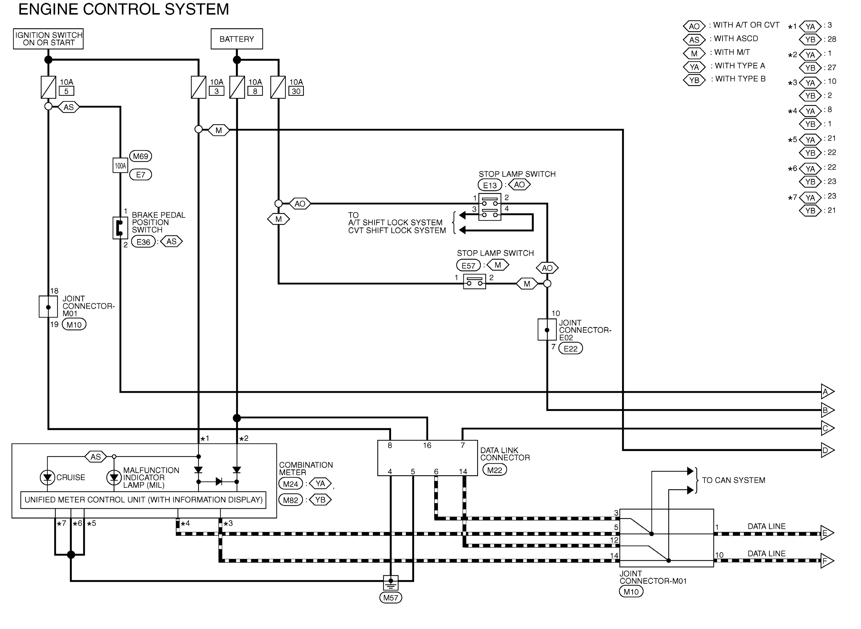
Fig 6: Engine Control System Wiring Diagram (6 Of 6)
GNSABBWA1575GB-575Courtesy of NISSAN NORTH AMERICA, INC.
Fig 7: Engine Control System Connectors (1 Of 15)
GNSABBIA3046GB-046Courtesy of NISSAN NORTH AMERICA, INC.
Fig 8: Engine Control System Connectors (2 Of 15)
GNSAABIA1360GB-360Courtesy of NISSAN NORTH AMERICA, INC.
Fig 9: Engine Control System Connectors (3 Of 15)
GNSAABIA1361GB-361Courtesy of NISSAN NORTH AMERICA, INC.
Fig 10: Engine Control System Connectors (4 Of 15)
GNSABBIA3047GB-047Courtesy of NISSAN NORTH AMERICA, INC.
Fig 11: Engine Control System Connectors (5 Of 15)
GNSAABIA1363GB-363Courtesy of NISSAN NORTH AMERICA, INC.
Fig 12: Engine Control System Connectors (6 Of 15)
GNSABBIA3048GB-048Courtesy of NISSAN NORTH AMERICA, INC.
Fig 13: Engine Control System Connectors (7 Of 15)
GNSAABIA1365GB-365Courtesy of NISSAN NORTH AMERICA, INC.
Fig 14: Engine Control System Connectors (8 Of 15)
G09614484Courtesy of NISSAN NORTH AMERICA, INC.
Fig 15: Engine Control System Connectors (9 Of 15)
GNSABBIA3049GB-049Courtesy of NISSAN NORTH AMERICA, INC.
Fig 16: Engine Control System Connectors (10 Of 15)
GNSAABIA1367GB-367Courtesy of NISSAN NORTH AMERICA, INC.
Fig 17: Engine Control System Connectors (11 Of 15)
G09614487Courtesy of NISSAN NORTH AMERICA, INC.
Fig 18: Engine Control System Connectors (12 Of 15)
GNSAABIA1368GB-368Courtesy of NISSAN NORTH AMERICA, INC.
Fig 19: Engine Control System Connectors(13 Of 15)
G09614489Courtesy of NISSAN NORTH AMERICA, INC.
Fig 20: Engine Control System Connectors (14 Of 15)
GNSAABIA1369GB-369Courtesy of NISSAN NORTH AMERICA, INC.
Fig 21: Engine Control System Connectors (15 Of 15)
GNSABBIA3050GB-050Courtesy of NISSAN NORTH AMERICA, INC.