LEMON Manuals: Even more car manuals for everyone: 1960-2025
Home >> Nissan-Datsun >> 2016 >> Versa Note S, Standard Trans >> Repair and Diagnosis (Single Page) >> Heating, Ventilation & A/C (HVAC) >> HVAC Control Systems >> Heater & Air Conditioning Control System >> System Description >> System >> Compressor Control >> Principle Of Operation >> Functional Circuit Diagram
April 5, 2026: LEMON Manuals is launched! Read the announcement.

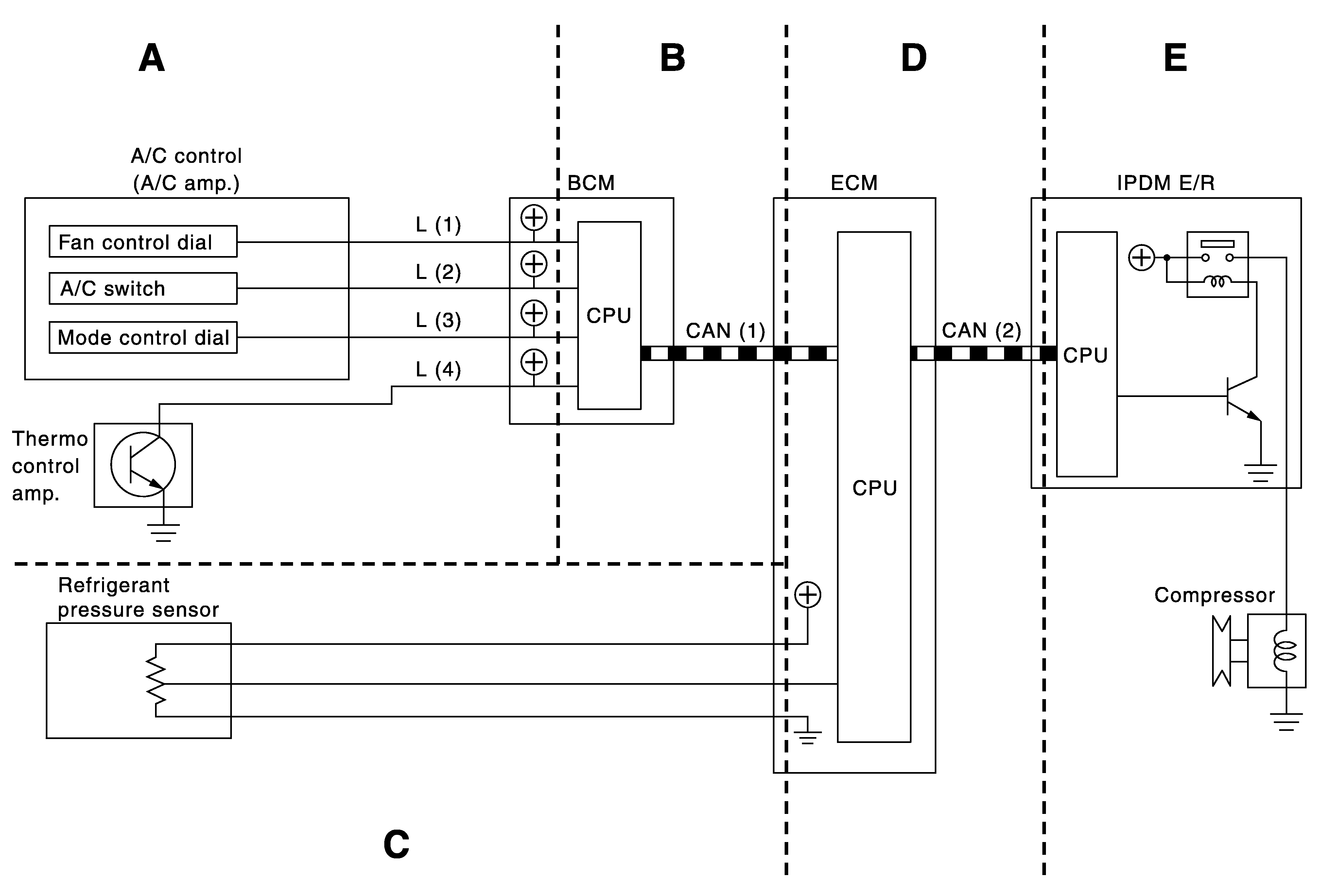
Functional Circuit Diagram

Fig 1: Compressor Control CircuitDiagram
GNSJPIIA1661GB-661Courtesy of NISSAN NORTH AMERICA, INC.
L (1) : Fan ON signal CAN (1) : A/C ON signal
L (2) : A/C switch signal   : Blower fan ON signal
L (3) : Defroster position switch 2 CAN (2) : A/C compressor request signal
L (4) : Thermo control amp. ON signal   : A/C compressor feedback signal