LEMON Manuals: Even more car manuals for everyone: 1960-2025
Home >> Nissan-Datsun >> 2016 >> Versa Note SL >> Repair and Diagnosis >> Accessories & Equipment >> Anti-Theft Systems >> Security Control System (With Intelligent Key System) >> Wiring Diagram >> Intelligent Key System/Engine Start Function >> Wiring Diagram
April 5, 2026: LEMON Manuals is launched! Read the announcement.

Intelligent Key System/Engine Start Function: Wiring Diagram

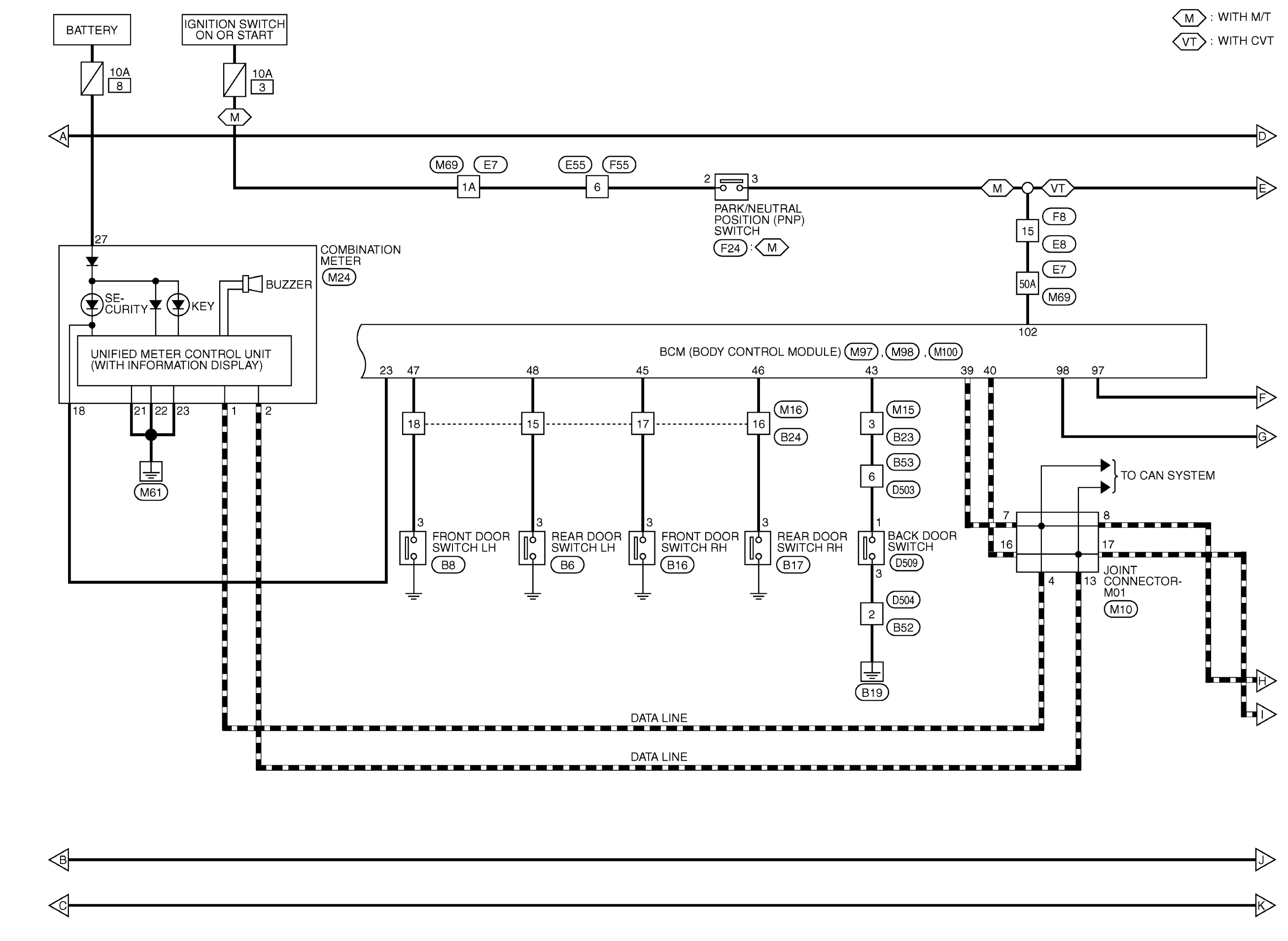
Fig 1: Intelligent Key System/Engine Start Function Wiring Diagram (1 Of 3)
GNSABKWA3095GB-095Courtesy of NISSAN NORTH AMERICA, INC.
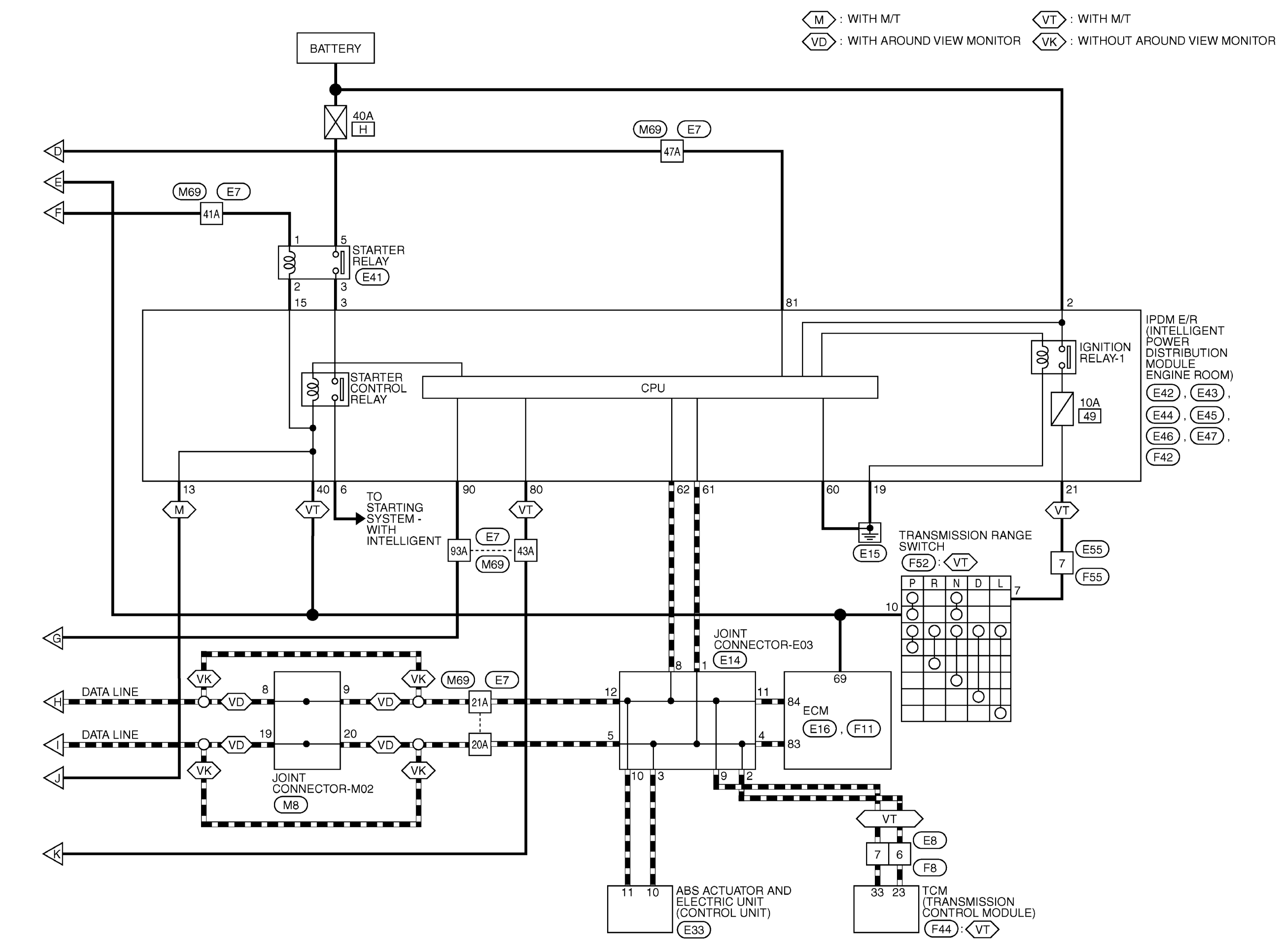
Fig 2: Intelligent Key System/Engine Start Function Wiring Diagram (2 Of 3)
GNSABKWA3096GB-096Courtesy of NISSAN NORTH AMERICA, INC.
Fig 3: Intelligent Key System/Engine Start Function Wiring Diagram (3 Of 3)
GNSABKWA3097GB-097Courtesy of NISSAN NORTH AMERICA, INC.
Fig 4: Intelligent Key System/Engine Start Function Connectors (1 Of 10)
GNSABKIA7098GB-098Courtesy of NISSAN NORTH AMERICA, INC.
Fig 5: Intelligent Key System/Engine Start Function Connectors (2 Of 10)
GNSABKIA7099GB-099Courtesy of NISSAN NORTH AMERICA, INC.
Fig 6: Intelligent Key System/Engine Start Function Connectors (3 Of 10)
GNSABKIA7100GB-100Courtesy of NISSAN NORTH AMERICA, INC.
Fig 7: Intelligent Key System/Engine Start Function Connectors (4 Of 10)
GNSABKIA7101GB-101Courtesy of NISSAN NORTH AMERICA, INC.
Fig 8: Intelligent Key System/Engine Start Function Connectors (5 Of 10)
GNSAAKIA2271GB-271Courtesy of NISSAN NORTH AMERICA, INC.
Fig 9: Intelligent Key System/Engine Start Function Connectors (6 Of 10)
GNSABKIA7102GB-102Courtesy of NISSAN NORTH AMERICA, INC.
Fig 10: Intelligent Key System/Engine Start Function Connectors (7 Of 10)
GNSAAKIA2273GB-273Courtesy of NISSAN NORTH AMERICA, INC.
Fig 11: Intelligent Key System/Engine Start Function Connectors (8 Of 10)
GNSAAKIA2274GB-274Courtesy of NISSAN NORTH AMERICA, INC.
Fig 12: Intelligent Key System/Engine Start Function Connectors (9 Of 10)
GNSAAKIA2275GB-275Courtesy of NISSAN NORTH AMERICA, INC.
Fig 13: Intelligent Key System/Engine Start Function Connectors (10 Of 10)
GNSAAKIA2276GB-276Courtesy of NISSAN NORTH AMERICA, INC.