LEMON Manuals: Even more car manuals for everyone: 1960-2025
Home >> Nissan-Datsun >> 2017 >> Maxima SV >> Repair and Diagnosis >> Accessories & Equipment >> Anti-Theft Systems >> Security Control System >> Wiring Diagram >> Intelligent Key System/Engine Start Function >> Wiring Diagram
April 5, 2026: LEMON Manuals is launched! Read the announcement.

Intelligent Key System/Engine Start Function: Wiring Diagram

GNSABKWA3349GB-349Courtesy of NISSAN NORTH AMERICA, INC.
GNSABKWA3336GB-336Courtesy of NISSAN NORTH AMERICA, INC.
GNSABKIA7980GB-980Courtesy of NISSAN NORTH AMERICA, INC.
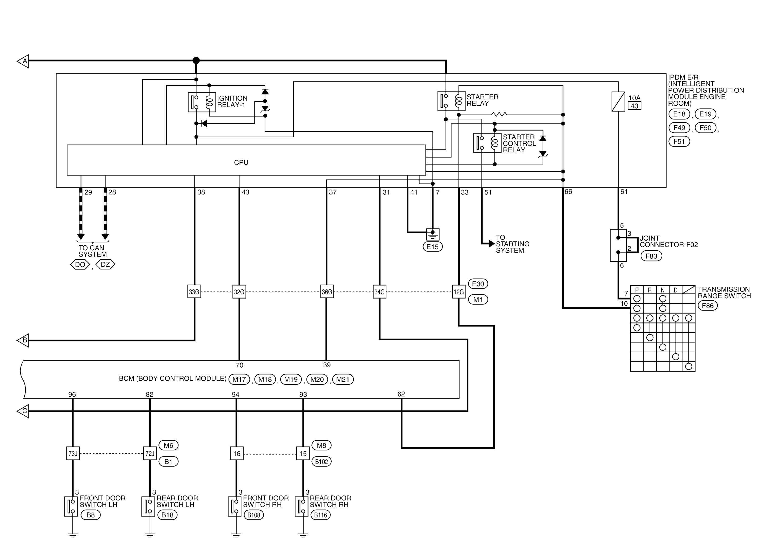
GNSABKIA7981GB-981Courtesy of NISSAN NORTH AMERICA, INC.
GNSABKIA7982GB-982Courtesy of NISSAN NORTH AMERICA, INC.
GNSABKIA7983GB-983Courtesy of NISSAN NORTH AMERICA, INC.
GNSABKIA7984GB-984Courtesy of NISSAN NORTH AMERICA, INC.
GNSABKIA7985GB-985Courtesy of NISSAN NORTH AMERICA, INC.
GNSABKIA7986GB-986Courtesy of NISSAN NORTH AMERICA, INC.
GNSABKIA7987GB-987Courtesy of NISSAN NORTH AMERICA, INC.
GNSABKIA7988GB-988Courtesy of NISSAN NORTH AMERICA, INC.