LEMON Manuals: Even more car manuals for everyone: 1960-2025
Home >> Nissan-Datsun >> 2017 >> Qashqai SL >> Repair and Diagnosis >> Body & Frame >> Door Locks >> Security Control System (With Intelligent Key System) >> System Description >> System >> Intelligent Key System/Engine Start Function >> Circuit Diagram
April 5, 2026: LEMON Manuals is launched! Read the announcement.

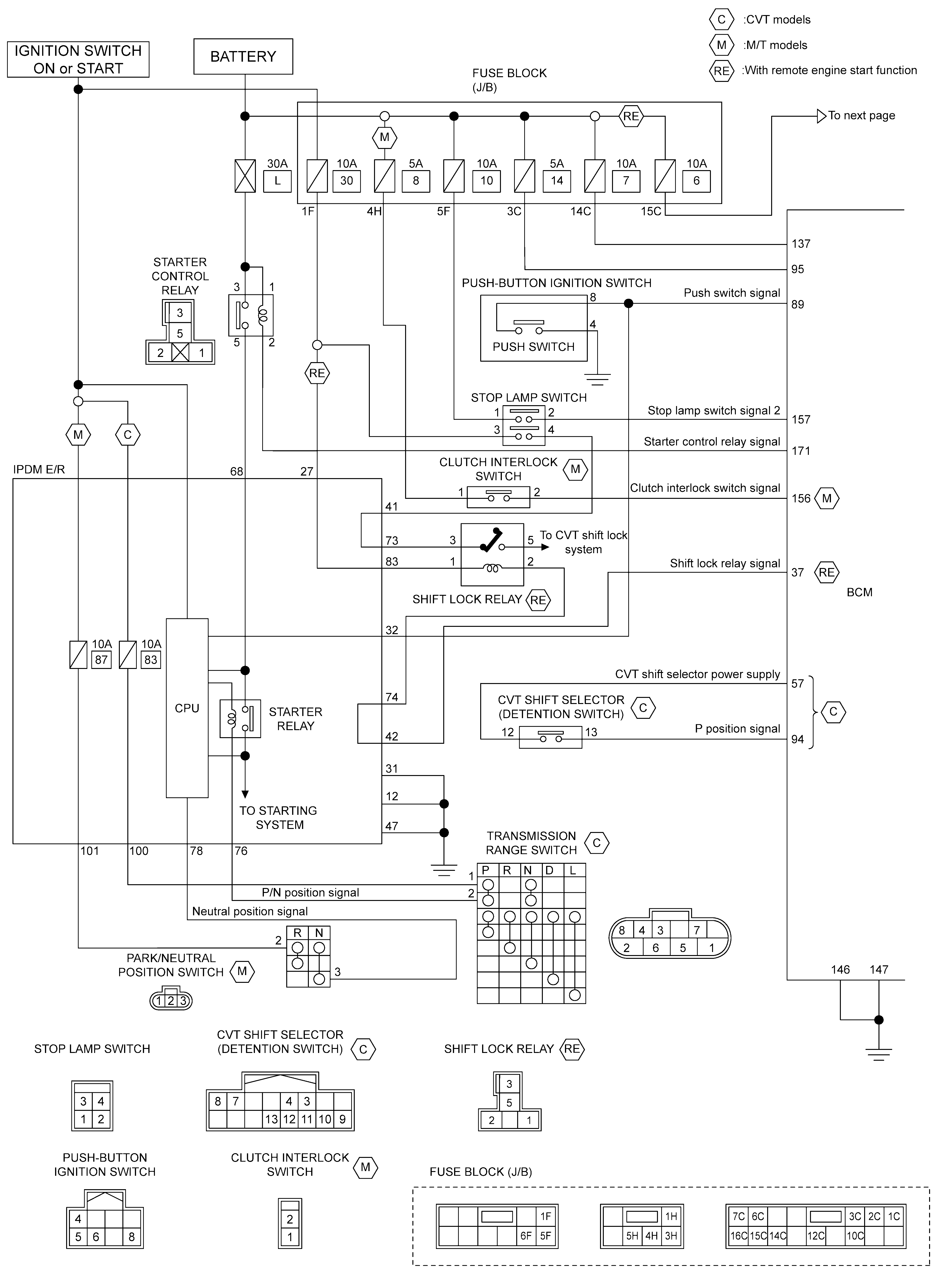
Circuit Diagram

GNSJMKIB8808GB-808Courtesy of NISSAN NORTH AMERICA, INC.
GNSJMKIB8809GB-809Courtesy of NISSAN NORTH AMERICA, INC.