LEMON Manuals: Even more car manuals for everyone: 1960-2025
Home >> Nissan-Datsun >> 2017 >> Qashqai SL >> Repair and Diagnosis >> Body & Frame >> Windows >> Power Window Control System >> System Description >> System >> Circuit Diagram
April 5, 2026: LEMON Manuals is launched! Read the announcement.

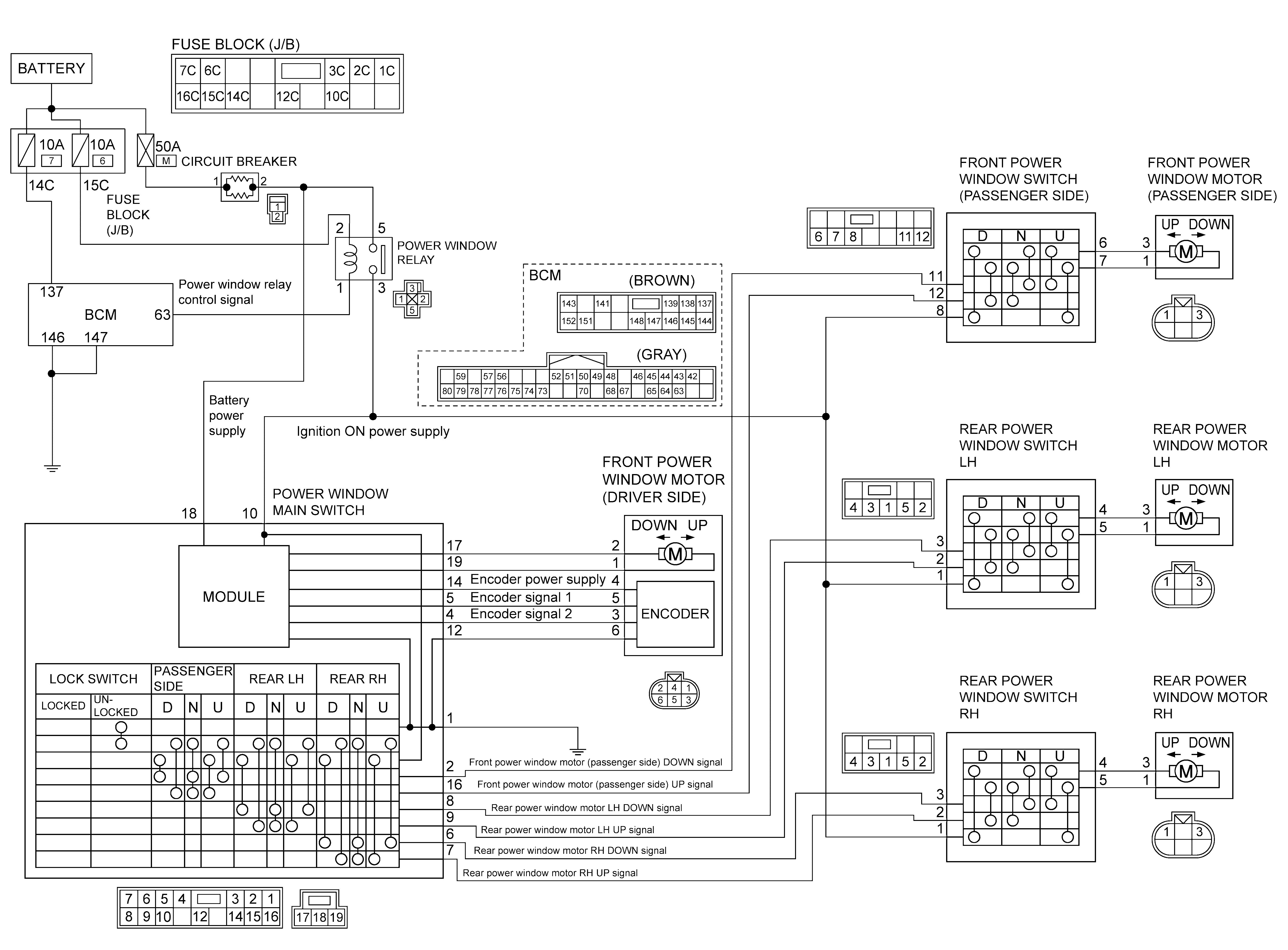
Circuit Diagram

GNSJMKIB8735GB-735Courtesy of NISSAN NORTH AMERICA, INC.