LEMON Manuals: Even more car manuals for everyone: 1960-2025
Home >> Nissan-Datsun >> 2017 >> Sentra S, Standard Trans >> Repair and Diagnosis >> External Pages >> Different car >> Section 36 (Driver Assistance System (ADAS Control Unit)) >> Wiring Diagram >> Driver Assistance Systems >> Wiring Diagram
April 5, 2026: LEMON Manuals is launched! Read the announcement.

Driver Assistance Systems: Wiring Diagram

WARNING: This page is about a different car, the 2016 Nissan Sentra. However, it is still accessible from the selected car via links, so may be relevant.
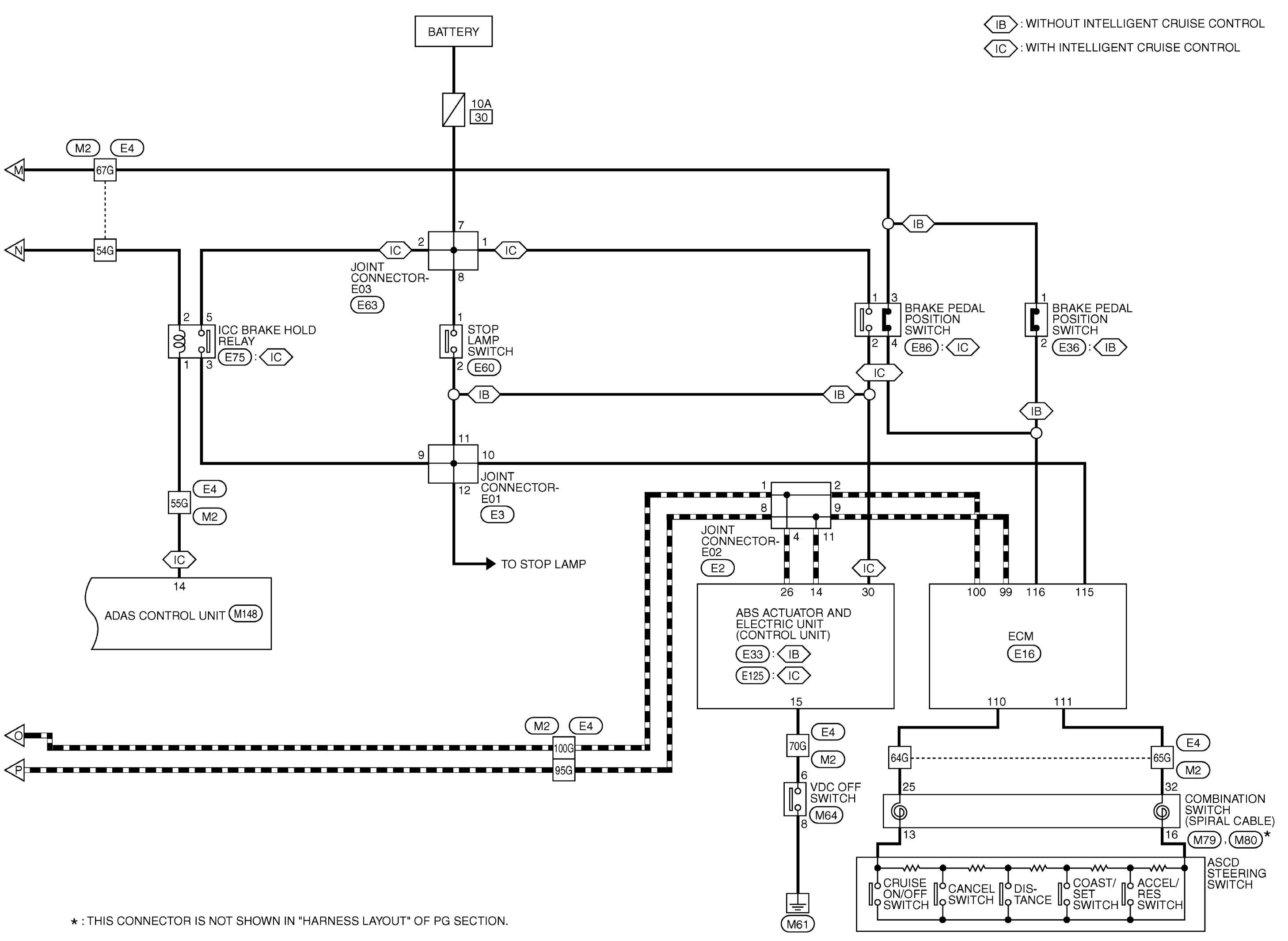
Fig 1: Driver Assistance Systems Wiring Diagram (1 Of 3)
GNSAAOWA0136GB-136Courtesy of NISSAN NORTH AMERICA, INC.
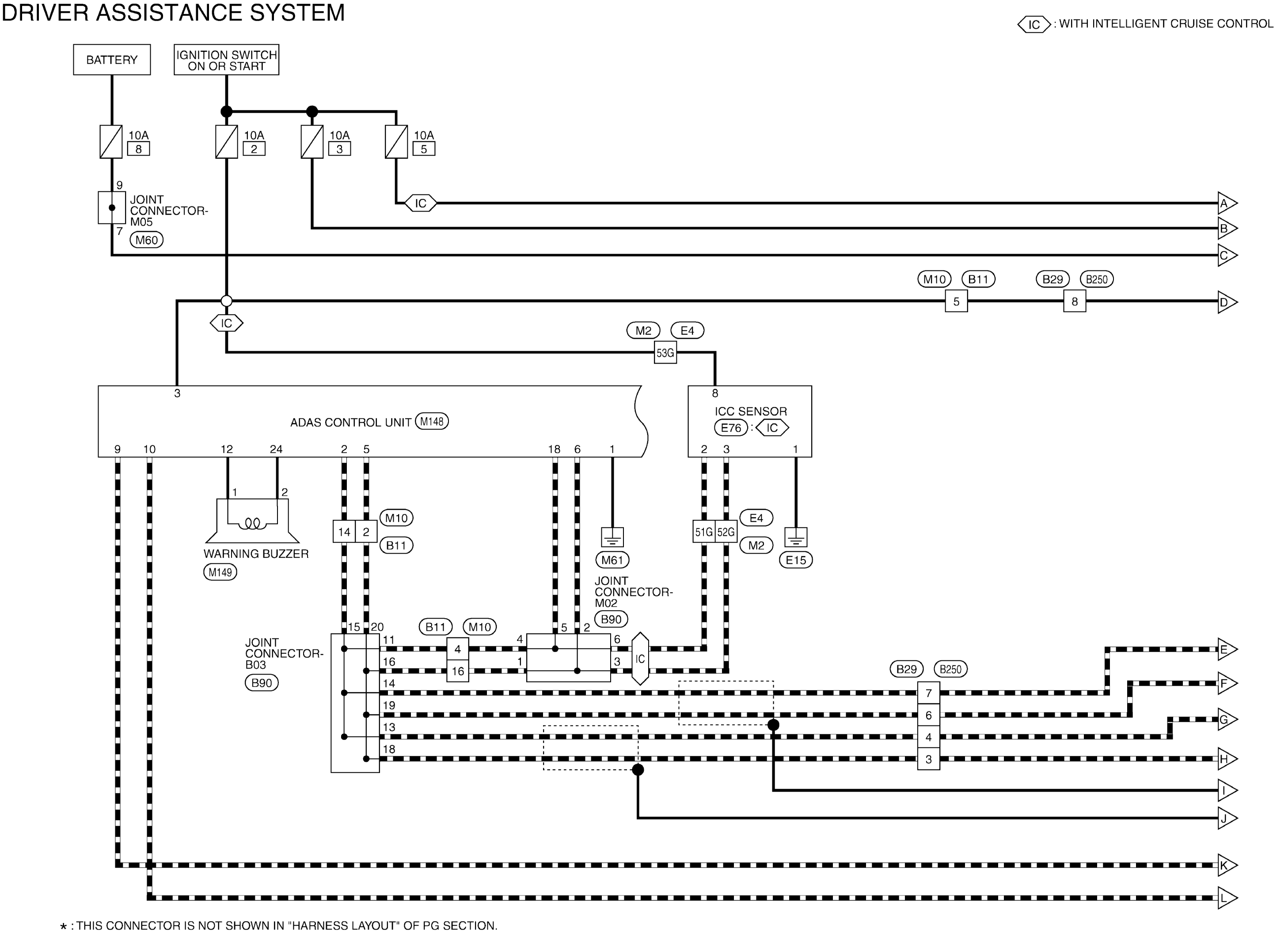
Fig 2: Driver Assistance Systems Wiring Diagram (2 Of 3)
GNSAAOWA0137GB-137Courtesy of NISSAN NORTH AMERICA, INC.
Fig 3: Driver Assistance Systems Wiring Diagram (3 Of 3)
GNSAAOWA0138GB-138Courtesy of NISSAN NORTH AMERICA, INC.
Fig 4: Driver Assistance Systems Connectors (1 Of 8)
GNSAAOIA0448GB-448Courtesy of NISSAN NORTH AMERICA, INC.
Fig 5: Driver Assistance Systems Connectors (2 Of 8)
GNSAAOIA0449GB-449Courtesy of NISSAN NORTH AMERICA, INC.
Fig 6: Driver Assistance Systems Connectors (3 Of 8)
GNSAAOIA0450GB-450Courtesy of NISSAN NORTH AMERICA, INC.
Fig 7: Driver Assistance Systems Connectors (4 Of 8)
GNSAAOIA0451GB-451Courtesy of NISSAN NORTH AMERICA, INC.
Fig 8: Driver Assistance Systems Connectors (5 Of 8)
GNSAAOIA0452GB-452Courtesy of NISSAN NORTH AMERICA, INC.
Fig 9: Driver Assistance Systems Connectors (6 Of 8)
GNSAAOIA0453GB-453Courtesy of NISSAN NORTH AMERICA, INC.
Fig 10: Driver Assistance Systems Connectors (7 Of 8)
GNSAAOIA0454GB-454Courtesy of NISSAN NORTH AMERICA, INC.
Fig 11: Driver Assistance Systems Connectors (8 Of 8)
GNSAAOIA0474GB-474Courtesy of NISSAN NORTH AMERICA, INC.