LEMON Manuals: Even more car manuals for everyone: 1960-2025
Home >> Nissan-Datsun >> 2017 >> Sentra SR >> Repair and Diagnosis (Single Page) >> Engine Performance >> Engine Control Systems >> Drive Mode System (ECO Mode) (CVT) >> Wiring Diagram >> ECO Mode System >> Wiring Diagram
April 5, 2026: LEMON Manuals is launched! Read the announcement.

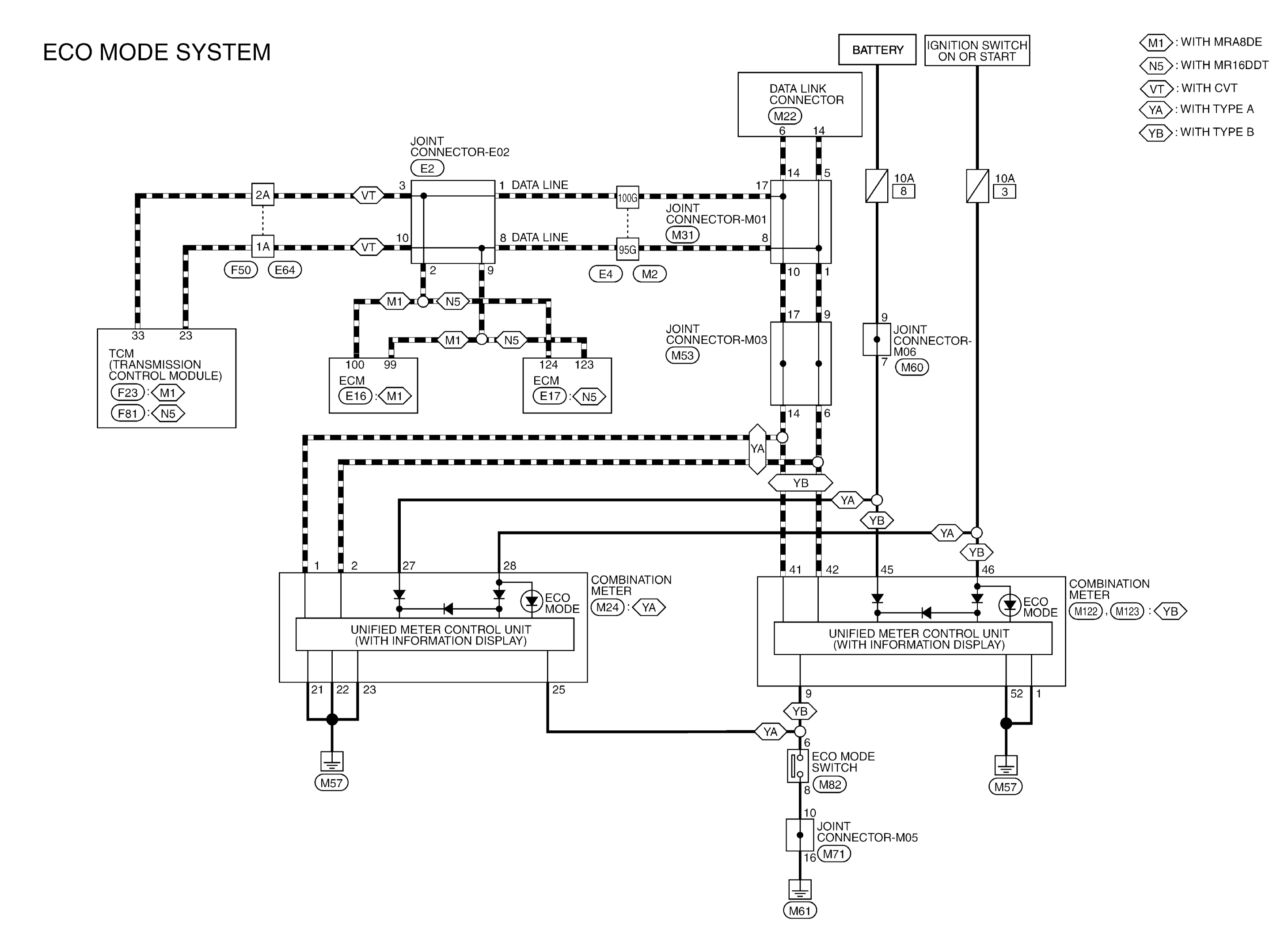
ECO Mode System: Wiring Diagram

GNSABOWA0161GB-161Courtesy of NISSAN NORTH AMERICA, INC.
GNSABOIA0594GB-594Courtesy of NISSAN NORTH AMERICA, INC.
GNSABOIA0595GB-595Courtesy of NISSAN NORTH AMERICA, INC.
GNSABOIA0596GB-596Courtesy of NISSAN NORTH AMERICA, INC.
GNSABOIA0597GB-597Courtesy of NISSAN NORTH AMERICA, INC.
GNSABOIA0598GB-598Courtesy of NISSAN NORTH AMERICA, INC.
GNSABOIA0599GB-599Courtesy of NISSAN NORTH AMERICA, INC.