LEMON Manuals: Even more car manuals for everyone: 1960-2025
Home >> Nissan-Datsun >> 2017 >> Versa Note SL >> Repair and Diagnosis >> Electrical >> Component Locations >> OEM Connector End Views >> WASHER FLUID LEVEL SWITCH Connector End View (E50)
April 5, 2026: LEMON Manuals is launched! Read the announcement.

WASHER FLUID LEVEL SWITCH Connector End View (E50)

Connector Color:  BROWN

Fig 1: Terminal-side
GNSW90105Courtesy of NISSAN NORTH AMERICA, INC.
Fig 2: Harness-side
GNSW90104Courtesy of NISSAN NORTH AMERICA, INC.
Terminal No. Color of Wire Signal Name (Specification)
1 R LOW WASHER/STRG SW
2 B GROUND

Circuit Diagram 

Fig 3: FRONT WIPER AND WASHER SYSTEM
GNSW89716Courtesy of NISSAN NORTH AMERICA, INC.
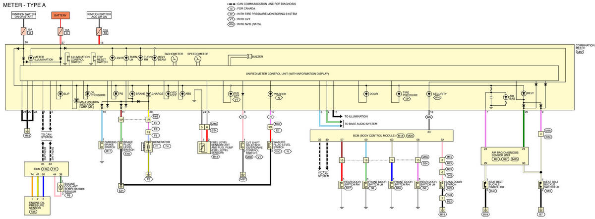
Fig 4: METER - TYPE A
GNSW89727Courtesy of NISSAN NORTH AMERICA, INC.
Fig 5: METER - TYPE B
GNSW89731Courtesy of NISSAN NORTH AMERICA, INC.

Harness Layout 

Fig 6: ENGINE ROOM HARNESS
GNSW90109_LK_E050Courtesy of NISSAN NORTH AMERICA, INC.

Connector Types:  Z02FBR