LEMON Manuals: Even more car manuals for everyone: 1960-2025
Home >> Nissan-Datsun >> 2018 >> 370Z Sport Tech, Automatic Trans >> Repair and Diagnosis >> External Pages >> Different car >> Section 249 (Security Control System) >> System Description >> System >> INFINITI Vehicle Immobilizer System-NATS >> Circuit Diagram >> For VR30DDTT Engine Models
April 5, 2026: LEMON Manuals is launched! Read the announcement.

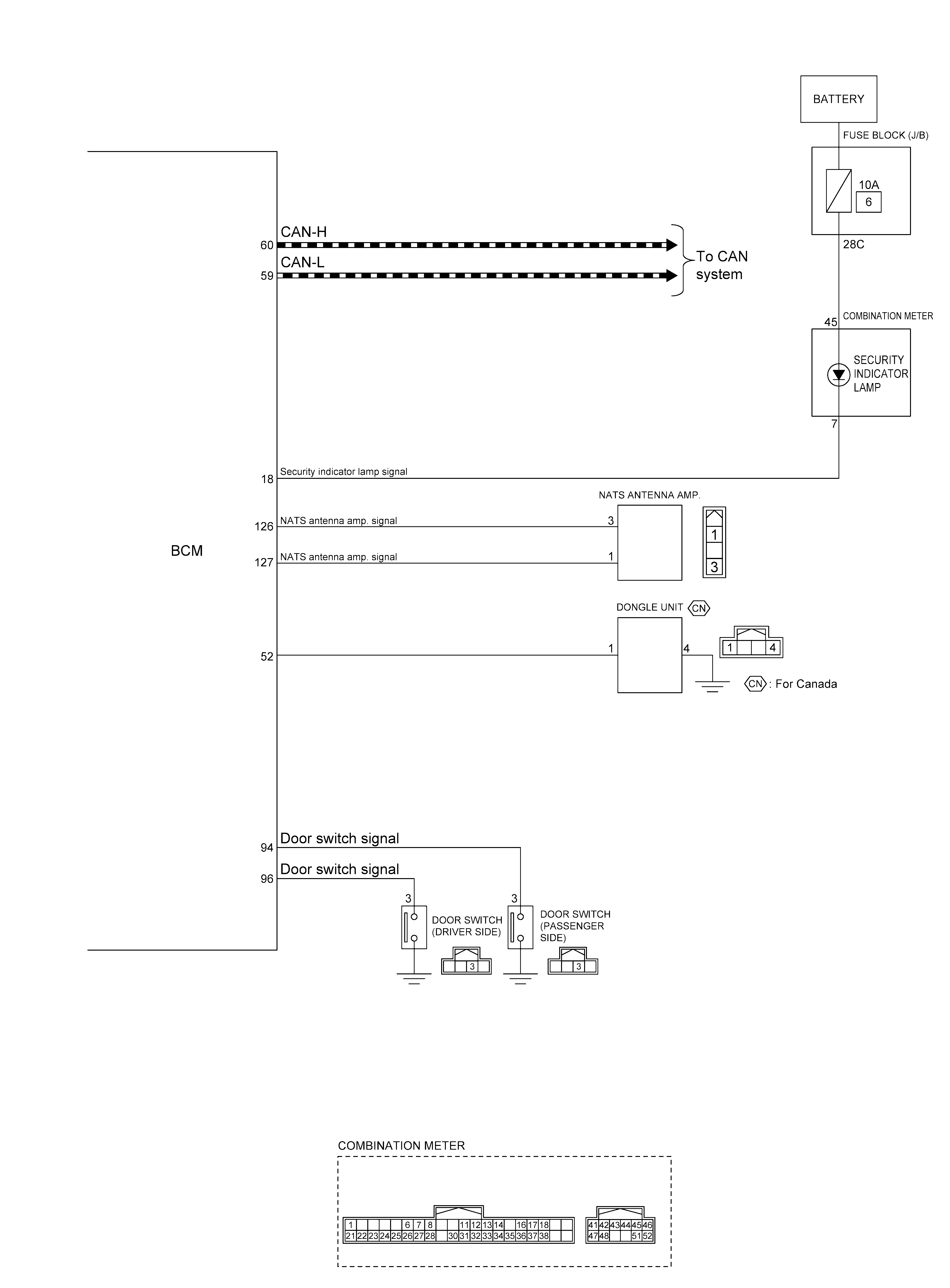
For VR30DDTT Engine Models

WARNING: This page is about a different car, the 2019 Infiniti Q50. However, it is still accessible from the selected car via links, so may be relevant.
GNSILL0220610-610Courtesy of NISSAN NORTH AMERICA, INC.
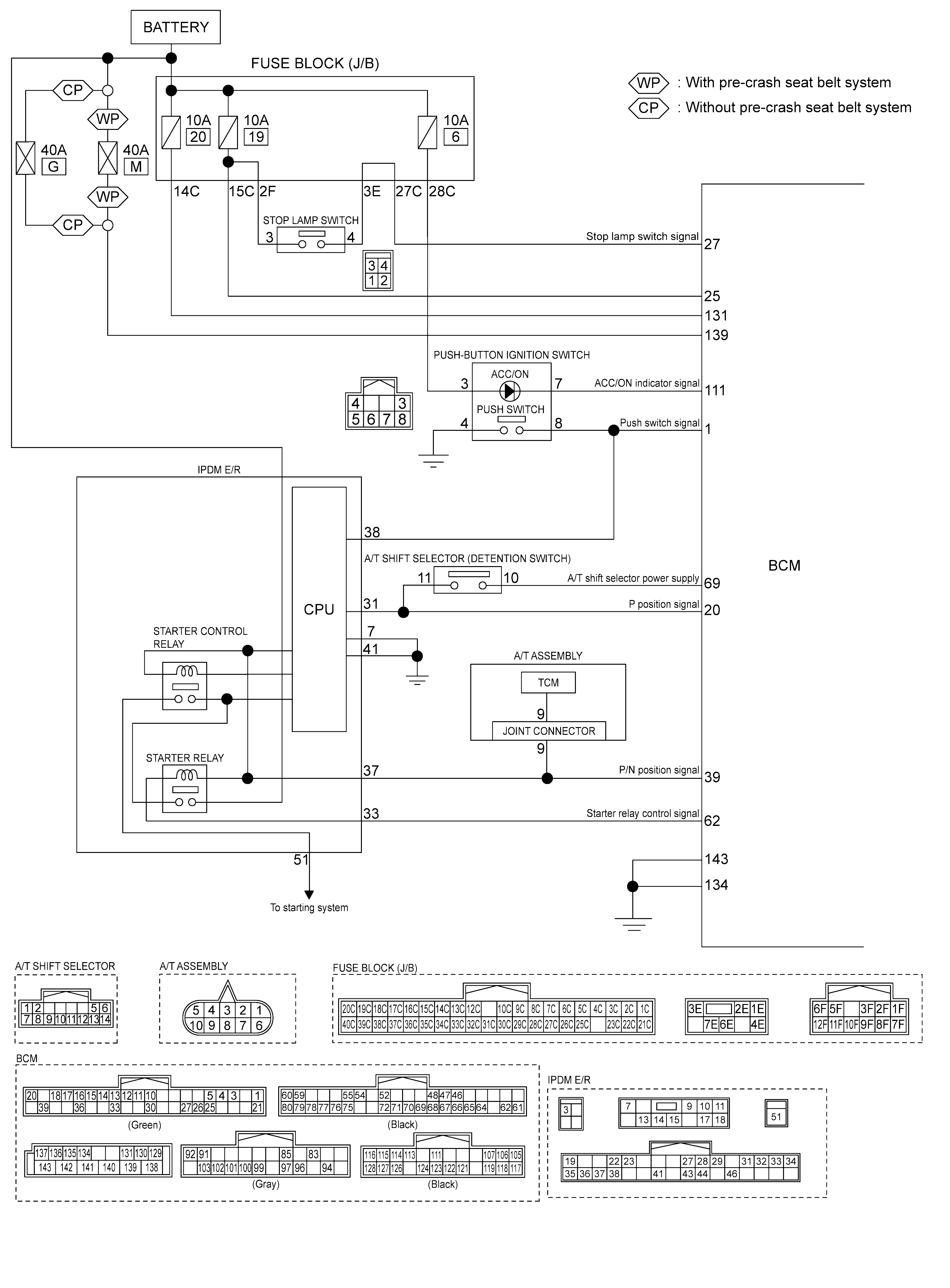
GNSJMKIB6822GB-822Courtesy of NISSAN NORTH AMERICA, INC.