LEMON Manuals: Even more car manuals for everyone: 1960-2025
Home >> Nissan-Datsun >> 2019 >> 370Z Base, 2D Convertible >> Repair and Diagnosis >> External Pages >> Different car >> Section 13 (Security Control System (DTC/Circuit Diagnosis)) >> DTC/Circuit Diagnosis >> Intelligent Key System/Engine Start Function >> Wiring Diagram - Intelligent Key System/Engine Start Function -
April 5, 2026: LEMON Manuals is launched! Read the announcement.

Wiring Diagram - Intelligent Key System/Engine Start Function -

WARNING: This page is about a different car, the 2017 Nissan 370Z and 2016 Nissan 370Z. However, it is still accessible from the selected car via links, so may be relevant.
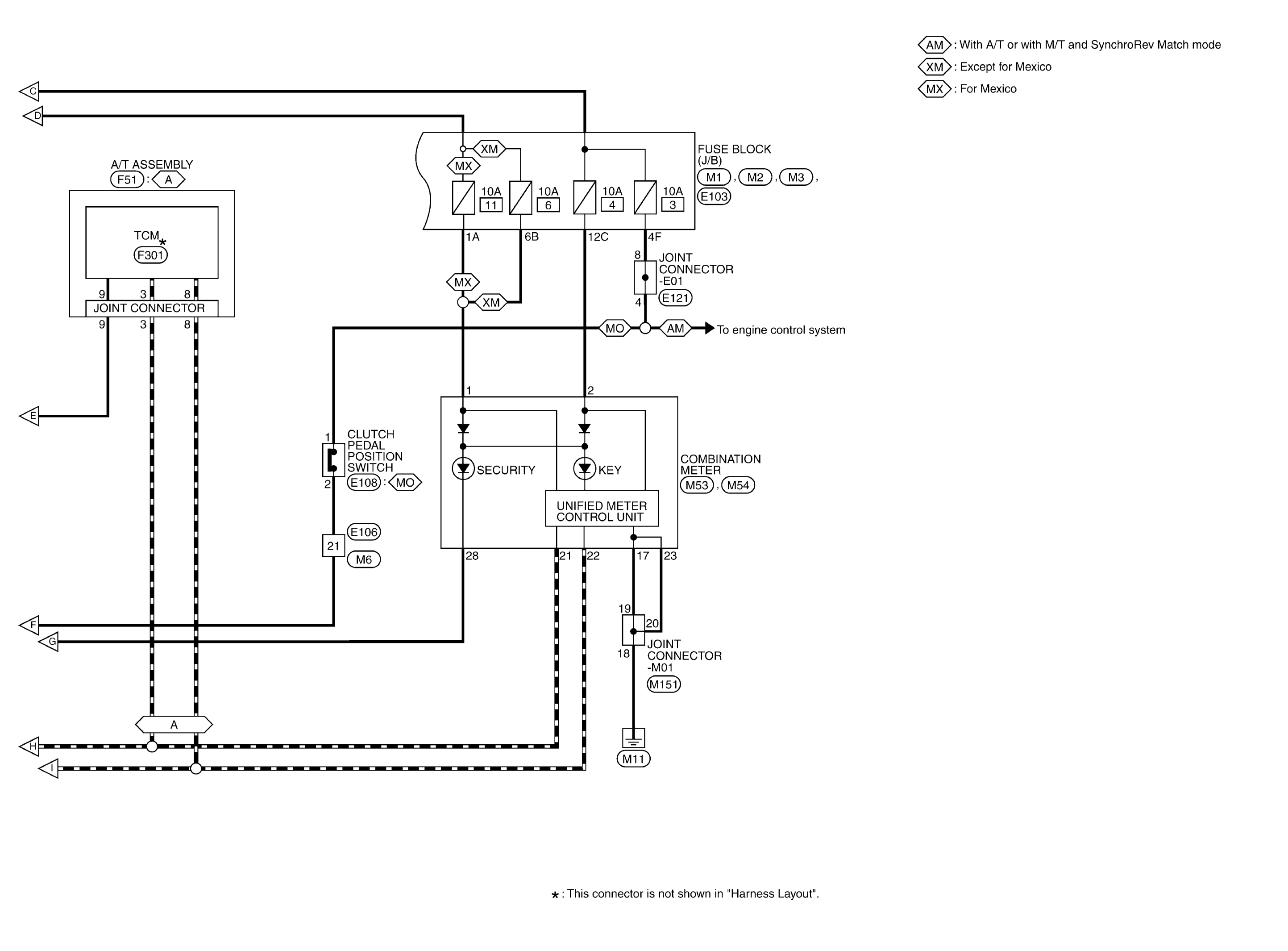
GNSJRKWF8396GB-396Courtesy of NISSAN NORTH AMERICA, INC.
GNSJRKWF8397GB-397Courtesy of NISSAN NORTH AMERICA, INC.
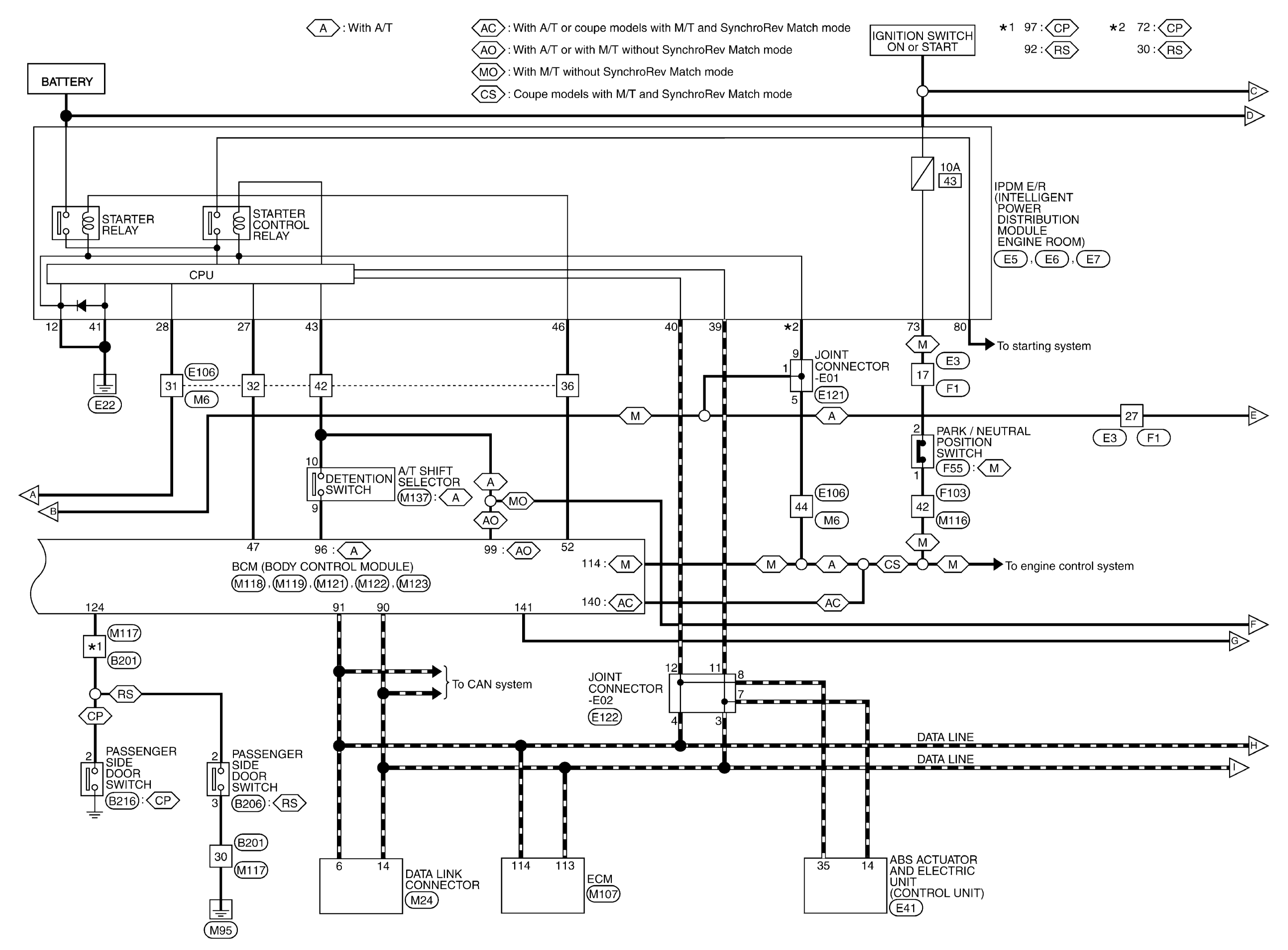
GNSJRKWF8398GB-398Courtesy of NISSAN NORTH AMERICA, INC.
GNSJRKWF8399GB-399Courtesy of NISSAN NORTH AMERICA, INC.
GNSJRKWF8512GB-512Courtesy of NISSAN NORTH AMERICA, INC.
GNSJRKWF8513GB-513Courtesy of NISSAN NORTH AMERICA, INC.
GNSJRKWF8514GB-514Courtesy of NISSAN NORTH AMERICA, INC.
GNSJRKWF8515GB-515Courtesy of NISSAN NORTH AMERICA, INC.
GNSJRKWF8516GB-516Courtesy of NISSAN NORTH AMERICA, INC.
GNSJRKWF8517GB-517Courtesy of NISSAN NORTH AMERICA, INC.
GNSJRKWF8518GB-518Courtesy of NISSAN NORTH AMERICA, INC.
GNSJRKWF8519GB-519Courtesy of NISSAN NORTH AMERICA, INC.
GNSJRKWF8520GB-520Courtesy of NISSAN NORTH AMERICA, INC.