LEMON Manuals: Even more car manuals for everyone: 1960-2025
Home >> Nissan-Datsun >> 2019 >> Versa Note S >> Repair and Diagnosis >> Engine Performance >> Testing & Diagnosis >> Engine Control System (Introduction And Basic Inspection) >> System Description >> System >> Engine Control >> System Diagram
April 5, 2026: LEMON Manuals is launched! Read the announcement.

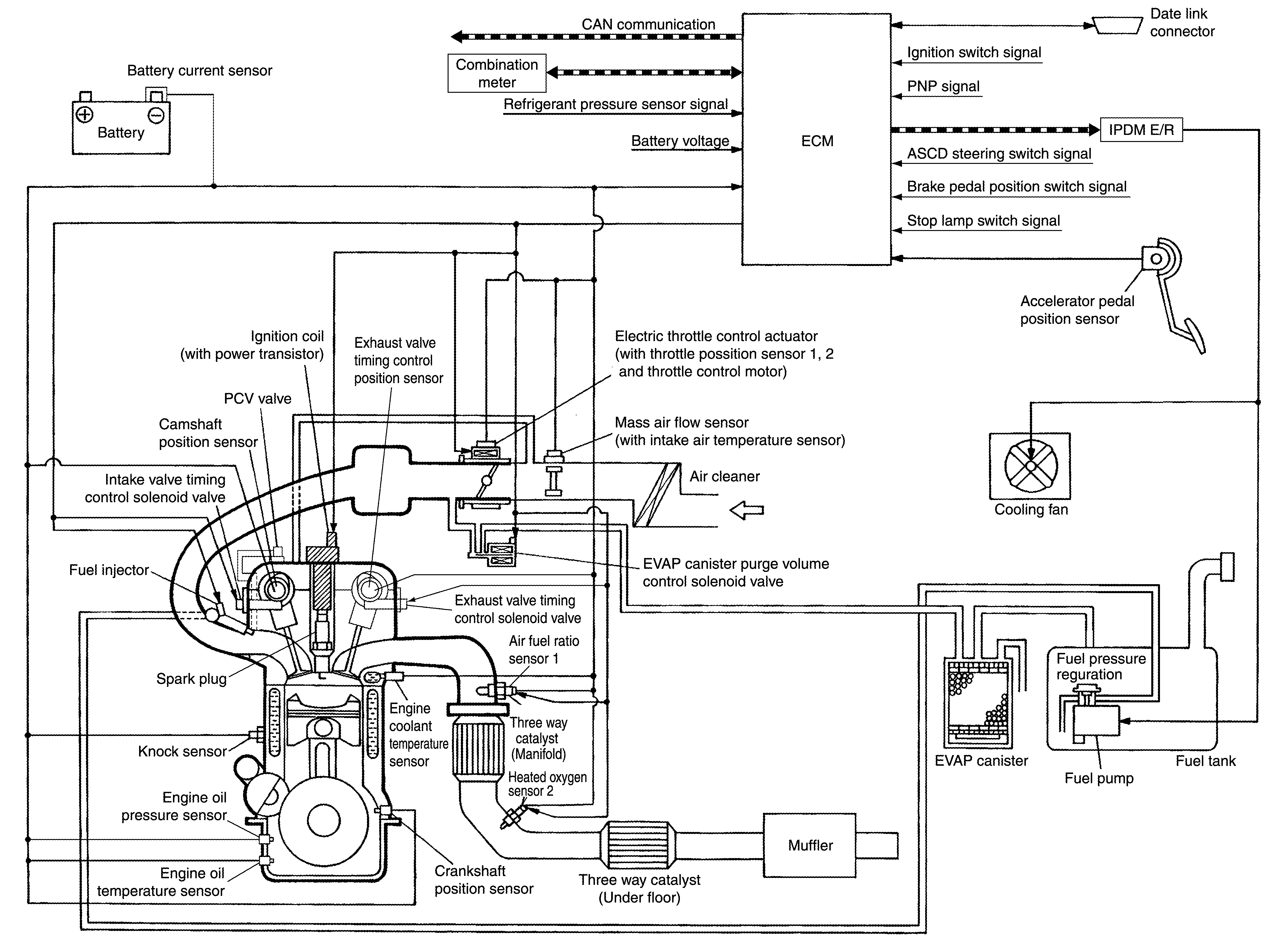
System Diagram

G09617590Courtesy of NISSAN NORTH AMERICA, INC.