LEMON Manuals: Even more car manuals for everyone: 1960-2025
Home >> Nissan-Datsun >> 2023 >> Leaf S >> Repair and Diagnosis >> Body & Frame >> Ignition Switch/Steering Lock >> Security Control System (With Intelligent Key System) >> Wiring Diagram >> Intelligent Key System - Engine Start Function >> Wiring Diagram
April 5, 2026: LEMON Manuals is launched! Read the announcement.

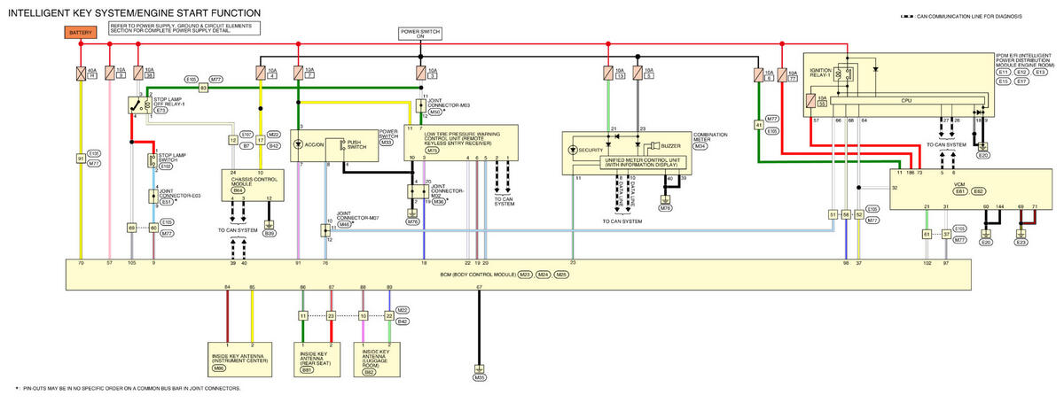
Intelligent Key System - Engine Start Function: Wiring Diagram

GNSW74473Courtesy of NISSAN NORTH AMERICA, INC.