LEMON Manuals: Even more car manuals for everyone: 1960-2025
Home >> Nissan-Datsun >> 2025 >> Rogue S, FWD >> Repair and Diagnosis >> Engine Performance >> Engine Control Systems >> Engine Control System (1 Of 2) >> System Description >> System >> Cooling Fan Control >> System Description (Charge Air Cooler Cooling Control System)
April 5, 2026: LEMON Manuals is launched! Read the announcement.

System Description (Charge Air Cooler Cooling Control System)

SYSTEM DIAGRAM 

GNSDB131536Courtesy of NISSAN NORTH AMERICA, INC.
Component parts Function
Crankshaft position sensor Crankshaft Position Sensor .
Intake camshaft position sensor Intake Camshaft Position Sensor .
Engine coolant temperature sensor 1 Engine Coolant Temperature Sensor 
Charge air cooler coolant temperature sensor Charge Air Cooler Coolant Temperature Sensor 
Refrigerant pressure sensor Refrigerant Pressure Sensor 
Battery ECM receives the battery voltage signal.
Combination meter ECM receives the vehicle speed signal via CAN communication.
A/C auto amp. ECM receives the following signals via CAN communication.
  • A/C ON signal
  • Blower fan ON signal
ECM ECM .
IPDM E/R ECM transmits the cooling fan speed request signal via CAN communication.
Cooling fan control module Cooling Fan .
Cooling fan motor
Charge air cooler electric water pump Charge Air Cooler Electric Water Pump 

SYSTEM DESCRIPTION 

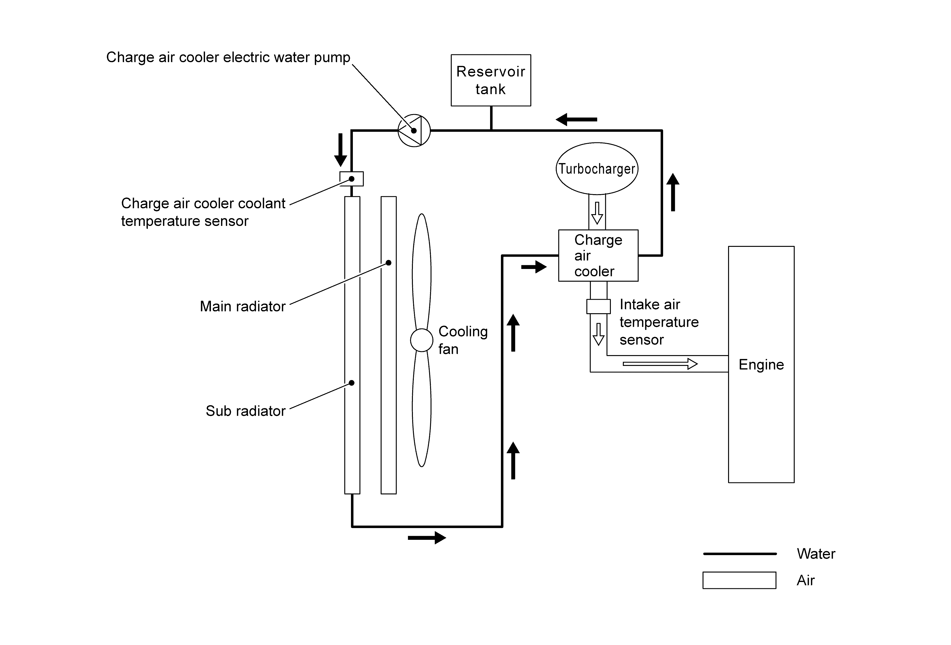
GNSDB131846Courtesy of NISSAN NORTH AMERICA, INC.

This engine uses a water-cooled charge air cooler (CAC). The CAC charging system has an independent cooling water circuit and circulates coolant from charge air cooler to sub radiator by using electric water pumps.

Water Pump and Cooling Fan Control During Engine Running 

The charge air cooler (CAC) cooling water pump is controlled by two-stage speeds (High/Low) method.

GNSDB129541Courtesy of NISSAN NORTH AMERICA, INC.

ECM judges revolution speed of the water pump by calculating engine speeds and engine load and applying this information to the ECM-memorized control MAP. Furthermore, ECM monitors an estimated ambient temperature calculated based on an intake air temperature sensor signal and a CAC coolant temperature calculated based on a CAC coolant temperature sensor signal. When the temperature difference between these two becomes wide during the low-speed control of the water pump, the water pump is switched to the high speed control and the cooling fan is activated. ECM inhibits the operation of the water pump when the following condition is satisfied.