LEMON Manuals: Even more car manuals for everyone: 1960-2025
Home >> Toyota >> 1982 >> Pickup 2WD L4-2188cc L,DSL >> Repair and Diagnosis >> Heating and Air Conditioning >> Control Module HVAC >> Locations
April 5, 2026: LEMON Manuals is launched! Read the announcement.

Control Module HVAC: Locations

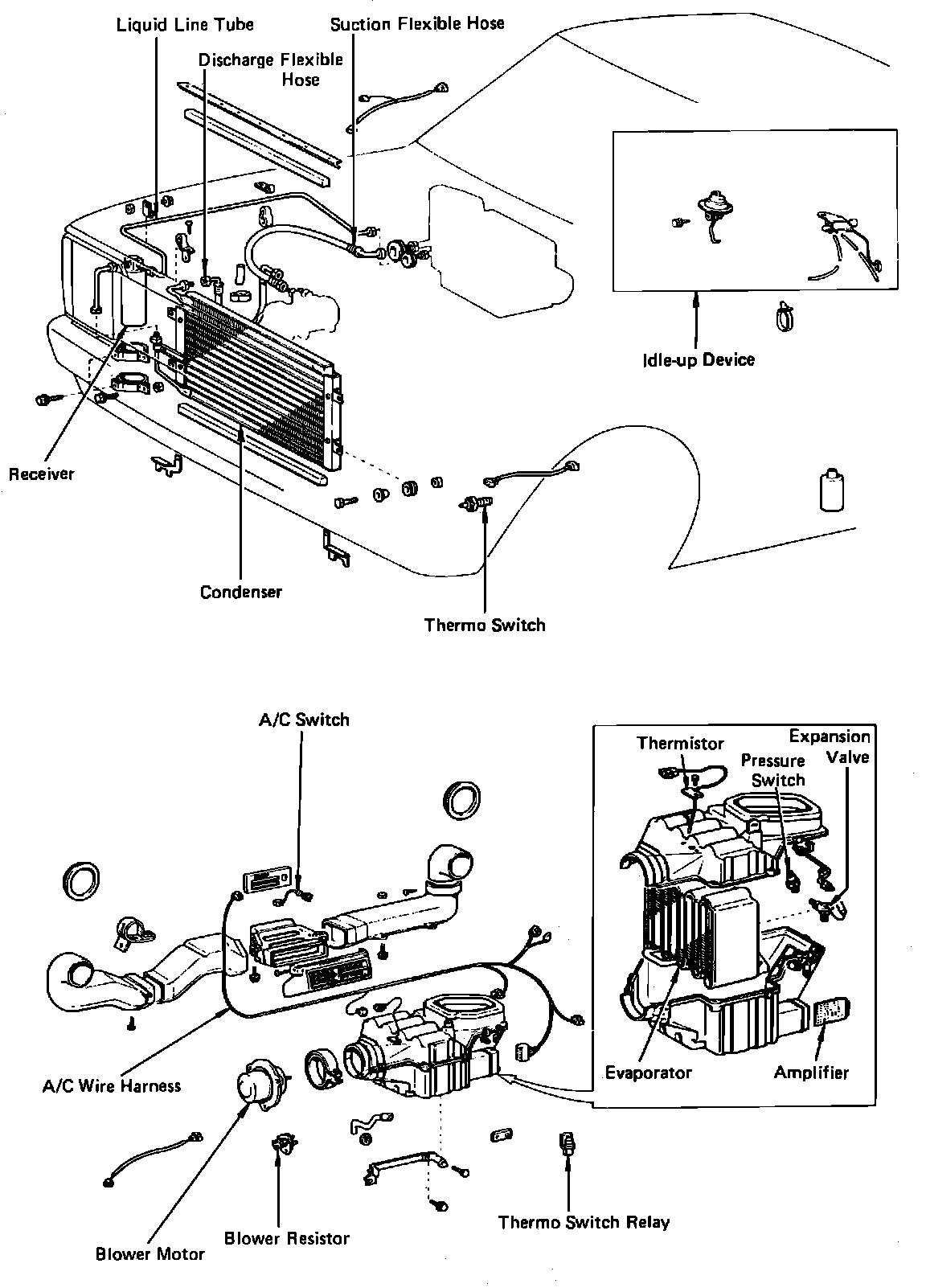
A/C System Component Location.:




Attached To Cooling Unit

Applicable to: 1982-83 Models