LEMON Manuals: Even more car manuals for everyone: 1960-2025
Home >> Toyota >> 1982 >> Pickup 2WD L4-2188cc L,DSL >> Repair and Diagnosis >> Powertrain Management >> Computers and Control Systems >> Relays and Modules - Computers and Control Systems >> Engine Control Module >> Locations
April 5, 2026: LEMON Manuals is launched! Read the announcement.

Engine Control Module: Locations

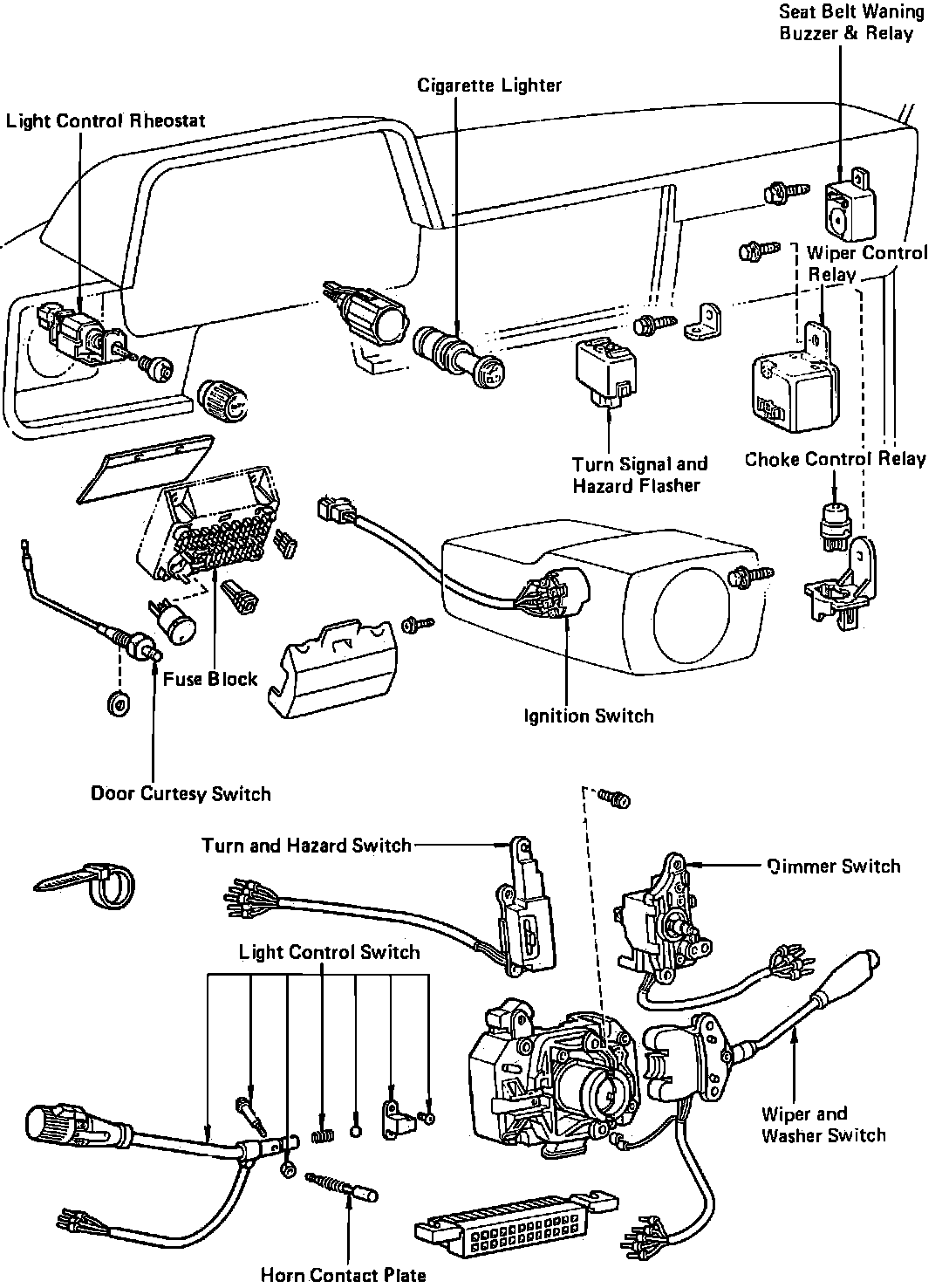
I/P & Steering Column Relay & Switch Locations (Part 1 Of 2).:




I/P & Steering Column Relay & Switch Locations (Part 1 Of 2).:




Behind LH Side Kick Panel

Applicable to: 1982-83 Models