LEMON Manuals: Even more car manuals for everyone: 1960-2025
Home >> Toyota >> 1982 >> Starlet L4-1290cc 4KC >> Repair and Diagnosis >> Heating and Air Conditioning >> Control Module HVAC >> Locations
April 5, 2026: LEMON Manuals is launched! Read the announcement.

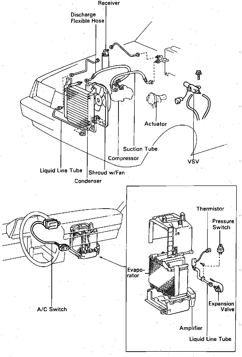
Control Module HVAC: Locations

A/C System Component Locations:




Inside Cooling Unit