LEMON Manuals: Even more car manuals for everyone: 1960-2025
Home >> Toyota >> 1983 >> Corolla Base >> Repair and Diagnosis >> Engine Performance >> System >> Hot Idle Compensation System >> Description
April 5, 2026: LEMON Manuals is launched! Read the announcement.

Hot Idle Compensation System: Description

This unit is located on the air cleaner and works to supply additional air to the intake manifold when high temperature conditions exist. This helps maintain the proper air/fuel mixture under these conditions.

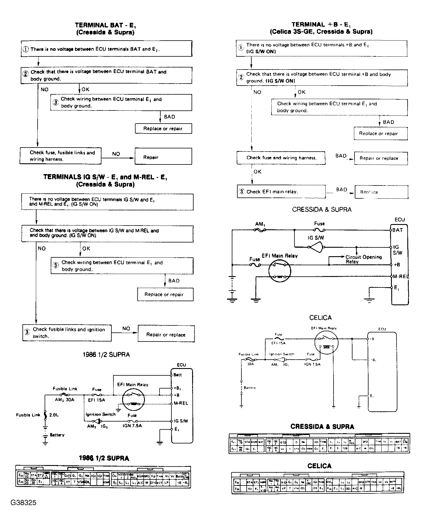
Fig 1: Hot Idle Compensator Valves
G38325Courtesy of © TOYOTA, LICENSE AGREEMENT TMS1002