LEMON Manuals: Even more car manuals for everyone: 1960-2025
Home >> Toyota >> 1984 >> Camry LE, 4D Hatchback >> Repair and Diagnosis >> Engine Performance >> System >> ECS Engine Control System >> Wiring Diagram
April 5, 2026: LEMON Manuals is launched! Read the announcement.

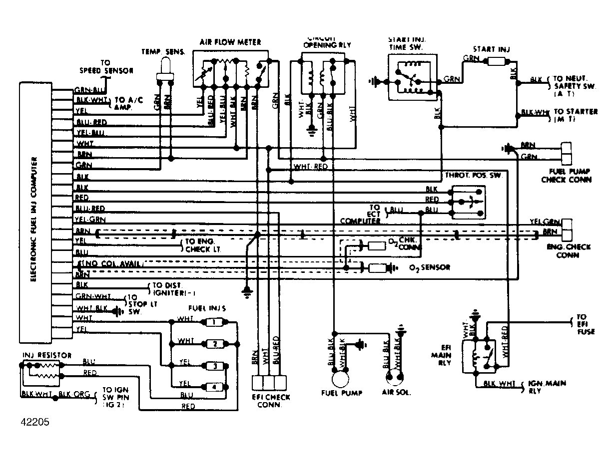
ECS Engine Control System: Wiring Diagram

Fig 1: ECS Wiring Diagram
G42205Courtesy of © TOYOTA, LICENSE AGREEMENT TMS1002