LEMON Manuals: Even more car manuals for everyone: 1960-2025
Home >> Toyota >> 1984 >> Celica Supra Base, Standard >> Repair and Diagnosis >> Engine Performance >> System >> TCCS Engine Control System >> Wiring Diagrams
April 5, 2026: LEMON Manuals is launched! Read the announcement.

Wiring Diagrams

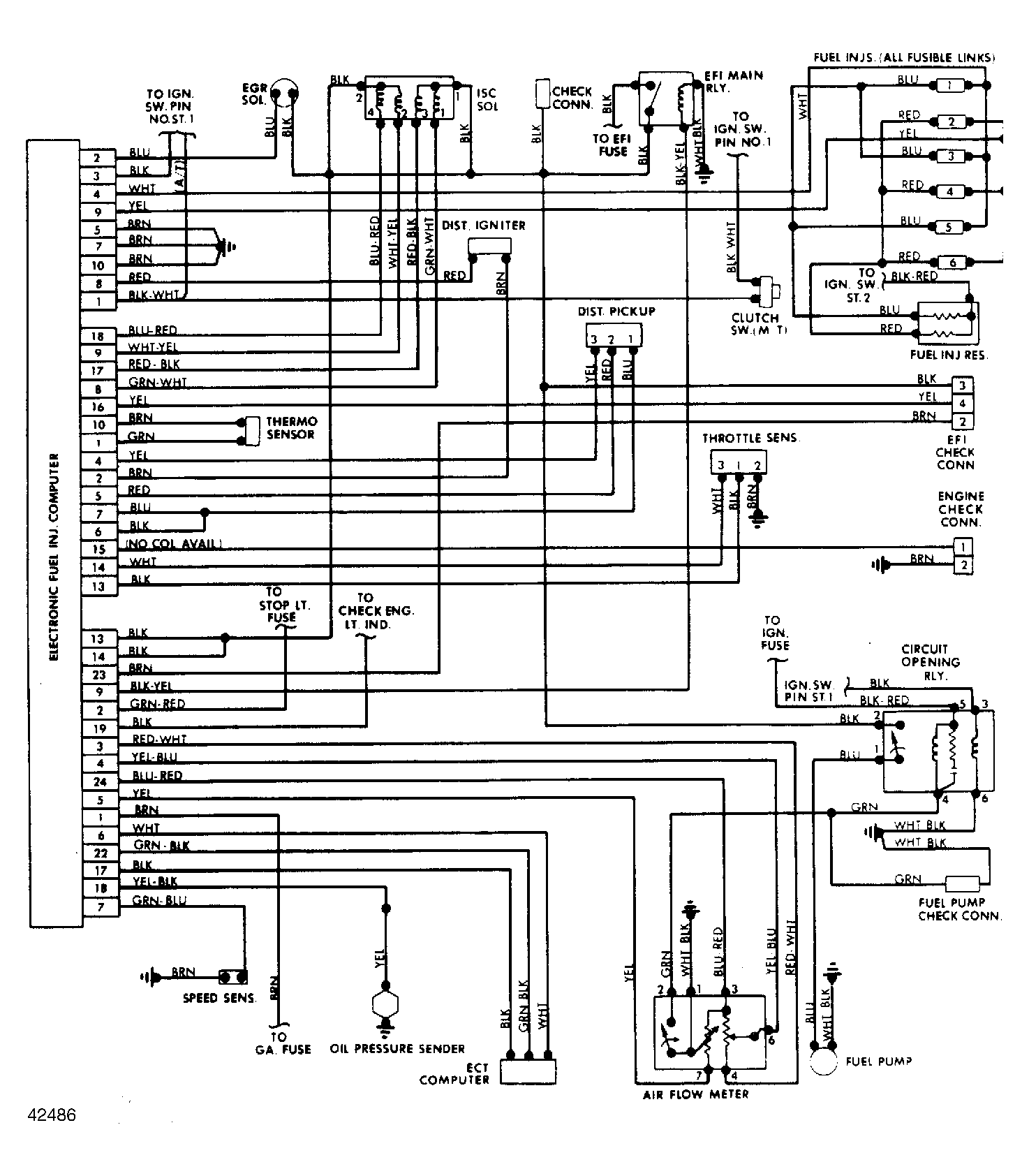
Fig 1: Cressida TCCS Wiring Diagram
G42486Courtesy of © TOYOTA, LICENSE AGREEMENT TMS1002
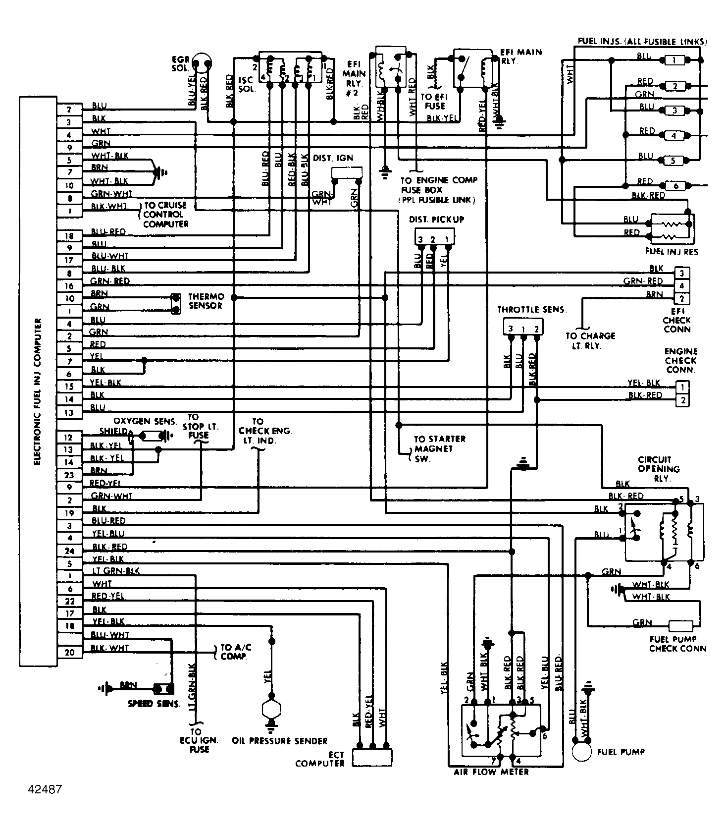
Fig 2: Supra TCCS Wiring Diagram
G42487Courtesy of © TOYOTA, LICENSE AGREEMENT TMS1002