LEMON Manuals: Even more car manuals for everyone: 1960-2025
Home >> Toyota >> 1986 >> Pickup Base, 22-RTE, R151F >> Repair and Diagnosis >> Engine Performance >> System >> TCCS System >> Wiring Diagrams
April 5, 2026: LEMON Manuals is launched! Read the announcement.

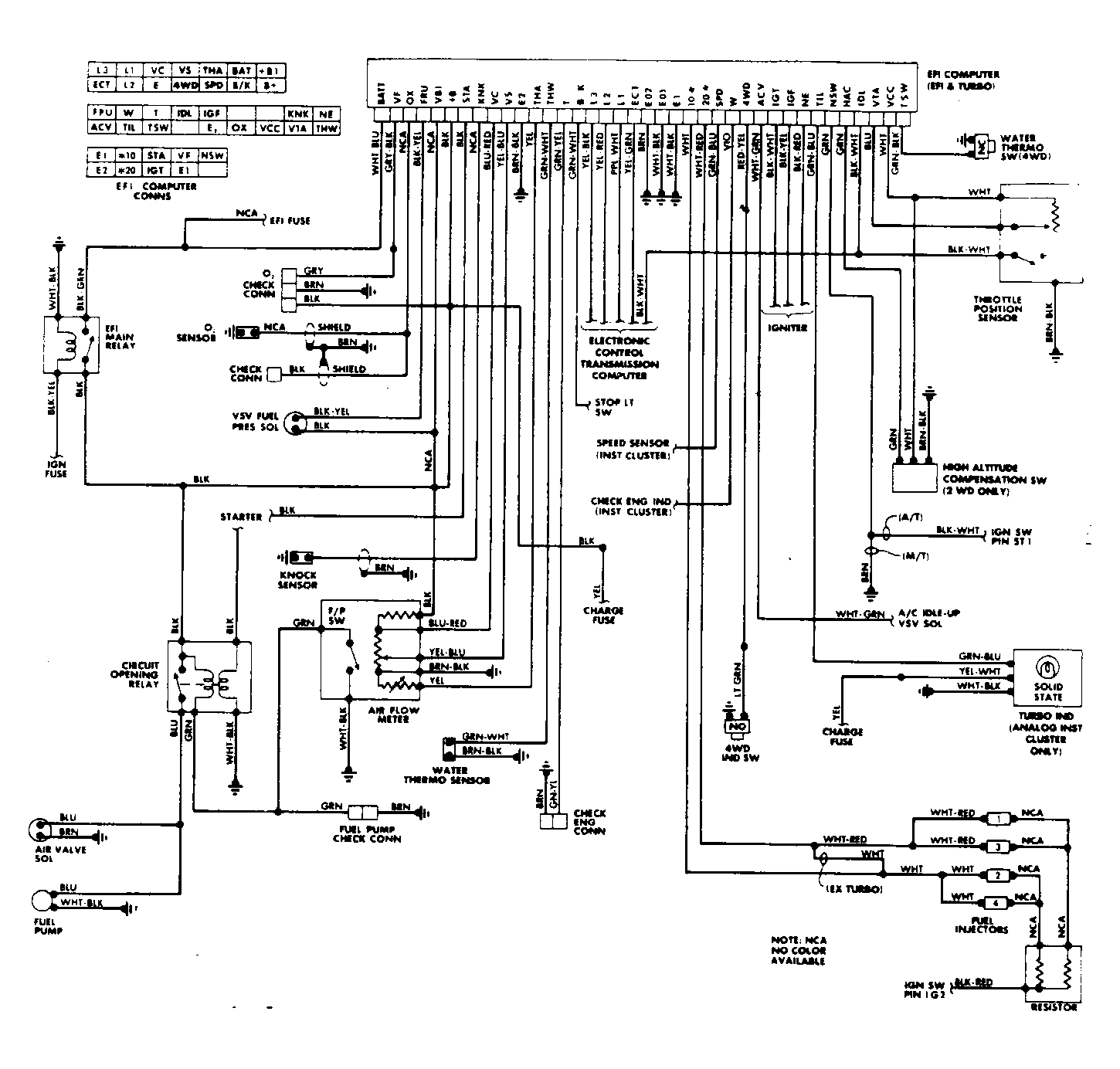
Wiring Diagrams

Fig 1: TCCS Wiring Diagram
G48619Courtesy of © TOYOTA, LICENSE AGREEMENT TMS1002