LEMON Manuals: Even more car manuals for everyone: 1960-2025
Home >> Toyota >> 1986 >> Tercel Base, Z46 >> Repair and Diagnosis >> Engine Performance >> System >> CCE System >> Wiring Diagrams
April 5, 2026: LEMON Manuals is launched! Read the announcement.

Wiring Diagrams

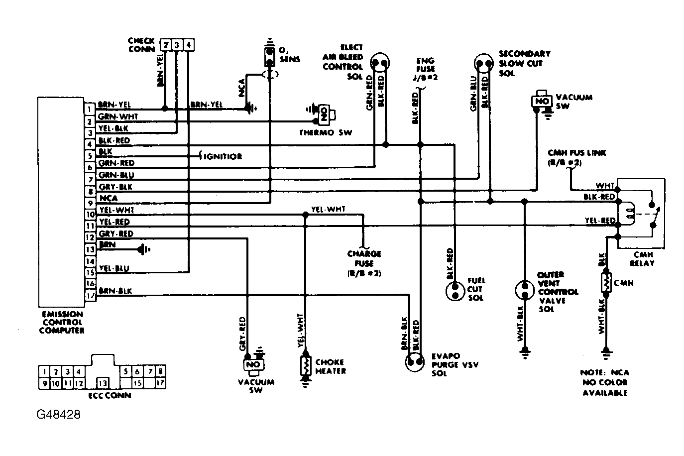
Fig 1: Tercel Computer Controlled Emission System Wiring Diagram
G48428Courtesy of © TOYOTA, LICENSE AGREEMENT TMS1002