LEMON Manuals: Even more car manuals for everyone: 1960-2025
Home >> Toyota >> 1987 >> 4Runner SR5, 22-RTE >> Repair and Diagnosis >> Engine Performance >> System >> Fuel Injection System - BOSCH AFC >> Wiring Diagrams
April 5, 2026: LEMON Manuals is launched! Read the announcement.

Wiring Diagrams

Fig 1: EFI/TCCS Wiring Diagram (Camry)
G62154Courtesy of © TOYOTA, LICENSE AGREEMENT TMS1002
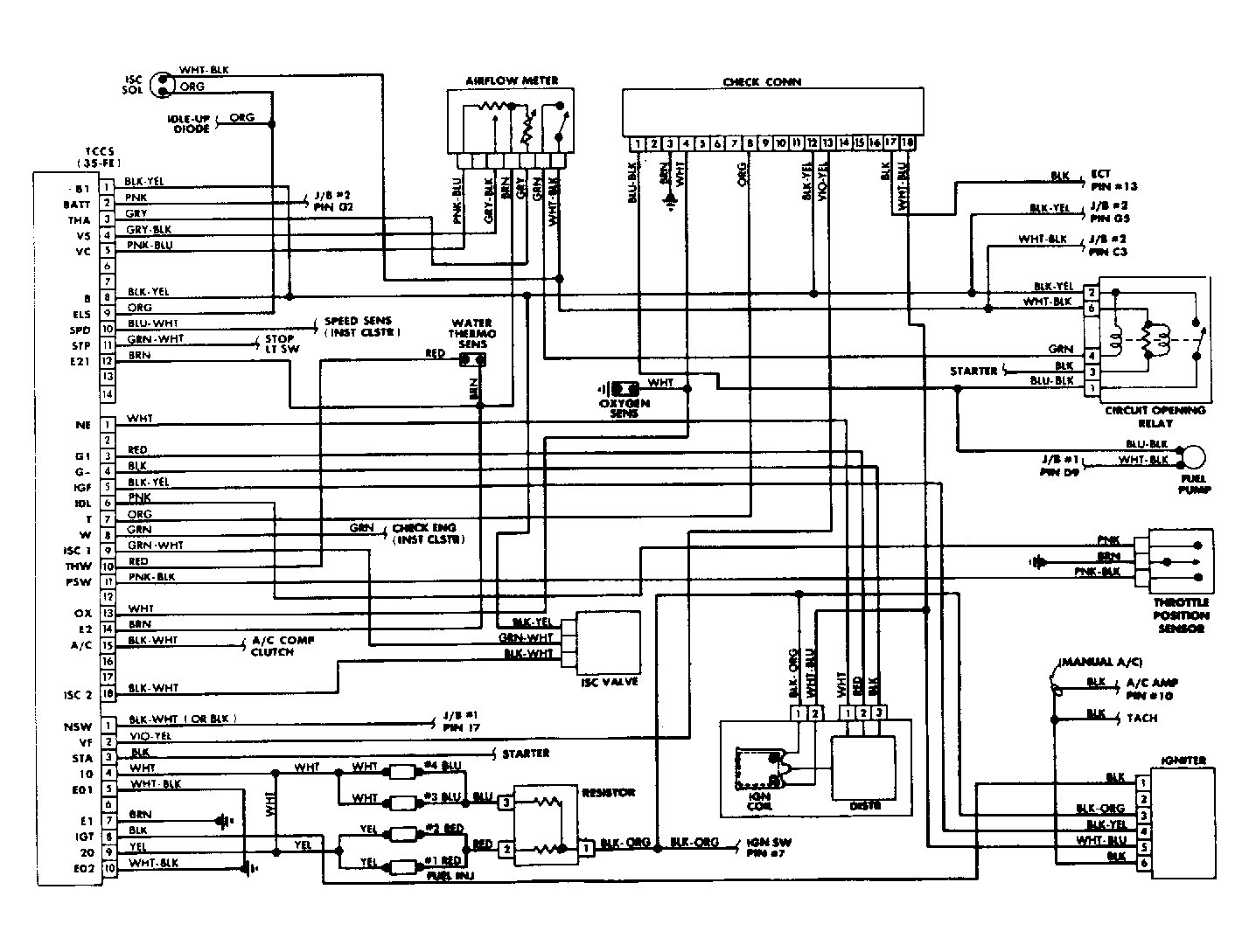
Fig 2: EFI/TCCS Wiring Diagram (Celica - W/3S-FE Engine)
G62155Courtesy of © TOYOTA, LICENSE AGREEMENT TMS1002
Fig 3: EFI/TCCS Wiring Diagram (Celica - W/3S-GE Engine)
G62156Courtesy of © TOYOTA, LICENSE AGREEMENT TMS1002
Fig 4: EFI/TCCS Wiring Diagram (Corolla FWD - W/4A-GE Engine)
G62157Courtesy of © TOYOTA, LICENSE AGREEMENT TMS1002
Fig 5: EFI/TCCS Wiring Diagram (Corolla RWD - W/4A-GE Engine)
G48616Courtesy of © TOYOTA, LICENSE AGREEMENT TMS1002
Fig 6: EFI/TCCS Wiring Diagram (Cressida)
G62159Courtesy of © TOYOTA, LICENSE AGREEMENT TMS1002
Fig 7: EFI/TCCS Wiring Diagram (MR2)
G48618Courtesy of © TOYOTA, LICENSE AGREEMENT TMS1002
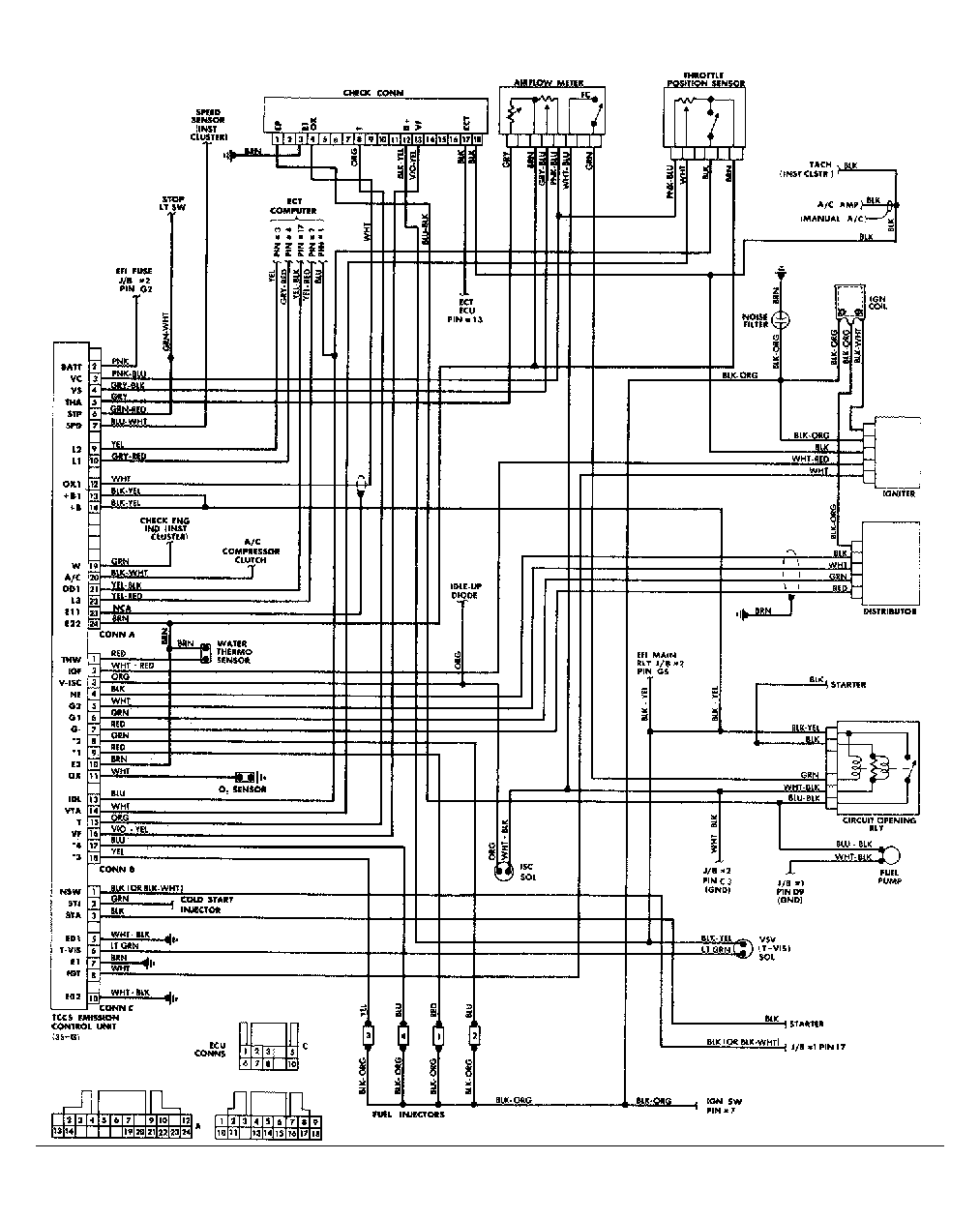
Fig 8: EFI/TCCS Wiring Diagram (Pickup & 4Runner)
G62161Courtesy of © TOYOTA, LICENSE AGREEMENT TMS1002
Fig 9: EFI/TCCS Wiring Diagram (Supra - W/7M-GE)
G62162Courtesy of © TOYOTA, LICENSE AGREEMENT TMS1002
Fig 10: EFI/TCCS Wiring Diagram (Supra - W/7M-GTE Engine)
G62163Courtesy of © TOYOTA, LICENSE AGREEMENT TMS1002
Fig 11: EFI/TCCS Wiring Diagram (Van)
G48621Courtesy of © TOYOTA, LICENSE AGREEMENT TMS1002