LEMON Manuals: Even more car manuals for everyone: 1960-2025
Home >> Toyota >> 1987 >> Corolla LE, Standard >> Repair and Diagnosis >> Engine Performance >> System >> TCCS System >> Wiring Diagrams
April 5, 2026: LEMON Manuals is launched! Read the announcement.

Wiring Diagrams

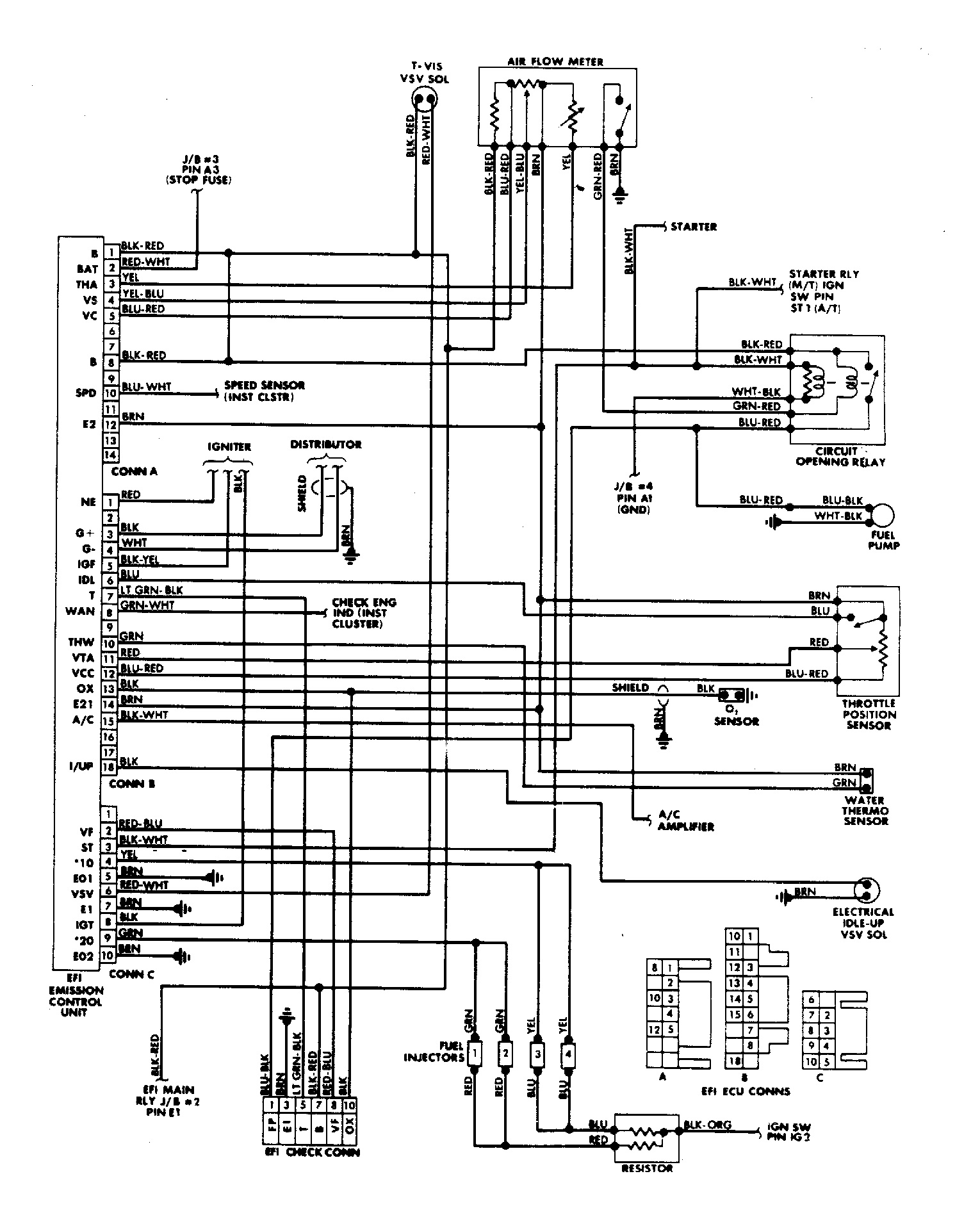
Fig 1: FWD (W/4A-GE Engine) TCCS Wiring Diagram
G62157Courtesy of © TOYOTA, LICENSE AGREEMENT TMS1002
Fig 2: RWD (W/4A-GE Engine) TCCS Wiring Diagram
G48616Courtesy of © TOYOTA, LICENSE AGREEMENT TMS1002