LEMON Manuals: Even more car manuals for everyone: 1960-2025
Home >> Toyota >> 1988 >> Celica All-Trac >> Repair and Diagnosis >> Engine Performance >> System >> Computer Control System >> Wiring Diagrams
April 5, 2026: LEMON Manuals is launched! Read the announcement.

Wiring Diagrams

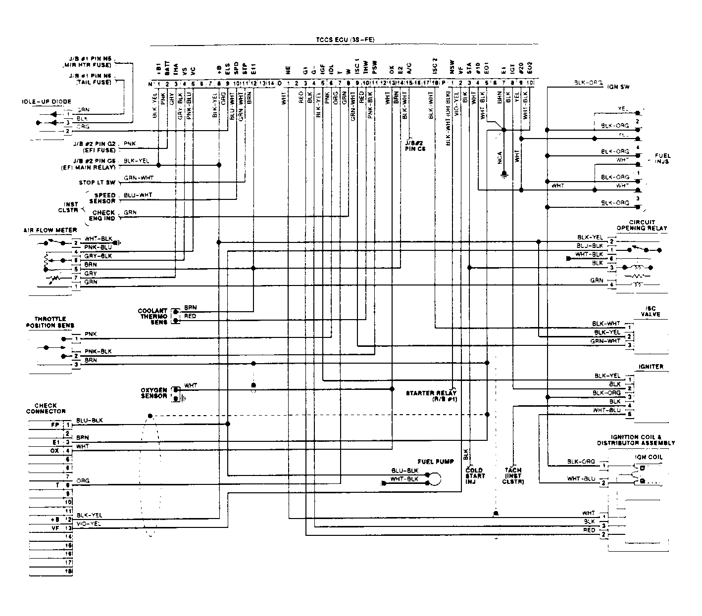
Fig 1: 3S-FE Engine Wiring Diagram
G95445Courtesy of © TOYOTA, LICENSE AGREEMENT TMS1002
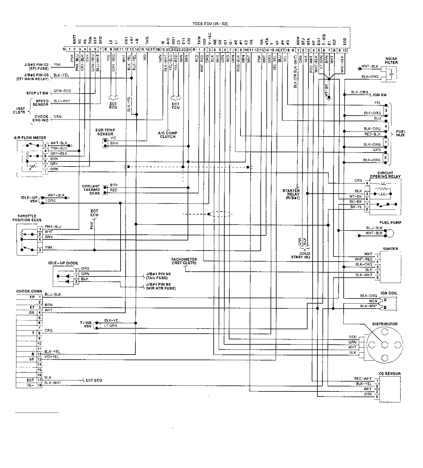
Fig 2: 3S-GE Engine Wiring Diagram
G95446Courtesy of © TOYOTA, LICENSE AGREEMENT TMS1002
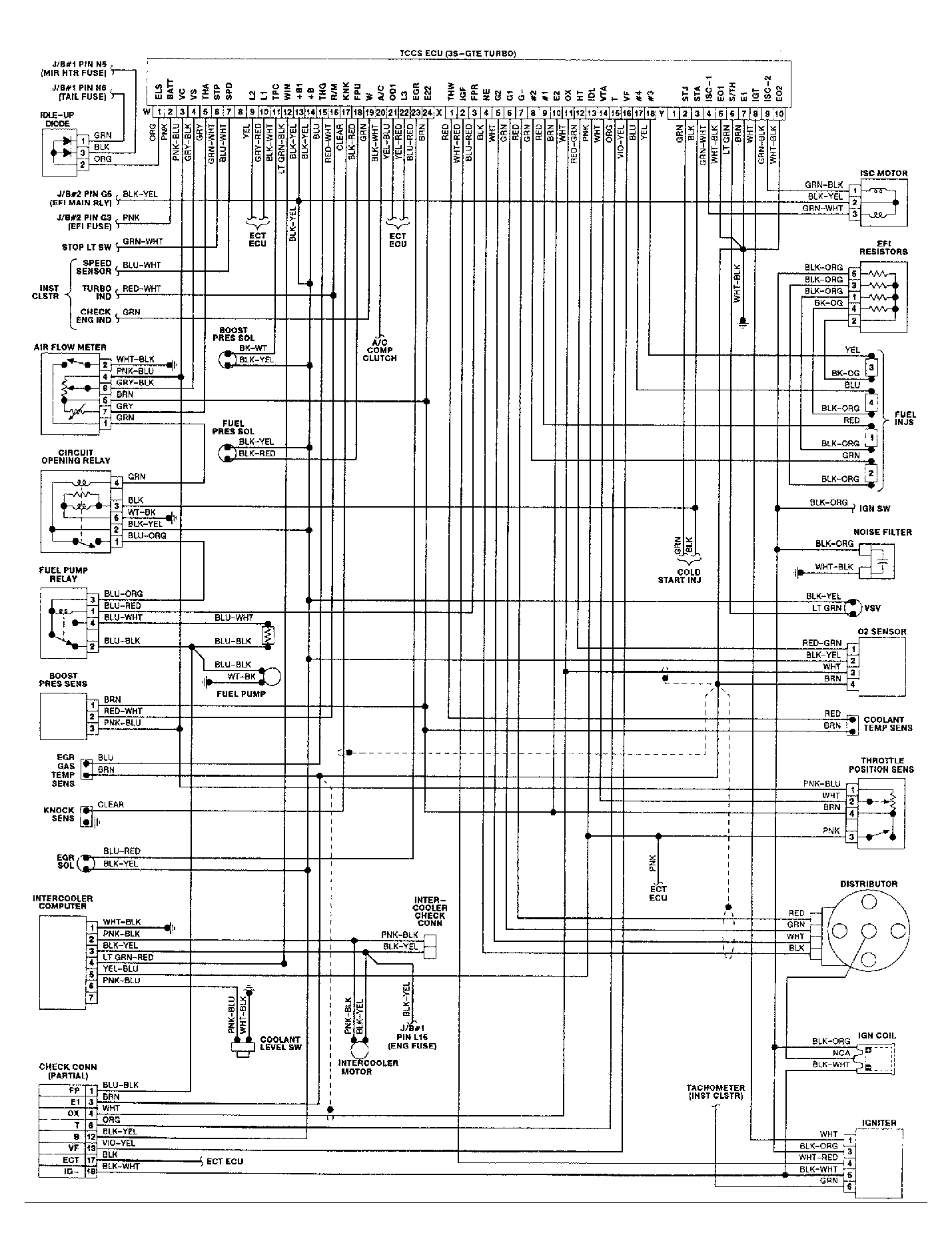
Fig 3: 3S-GTE Engine Wiring Diagram
G95447Courtesy of © TOYOTA, LICENSE AGREEMENT TMS1002