LEMON Manuals: Even more car manuals for everyone: 1960-2025
Home >> Toyota >> 1988 >> Van LE, RWD >> Repair and Diagnosis >> Engine Performance >> System >> Computer Control System >> Wiring Diagrams
April 5, 2026: LEMON Manuals is launched! Read the announcement.

Wiring Diagrams

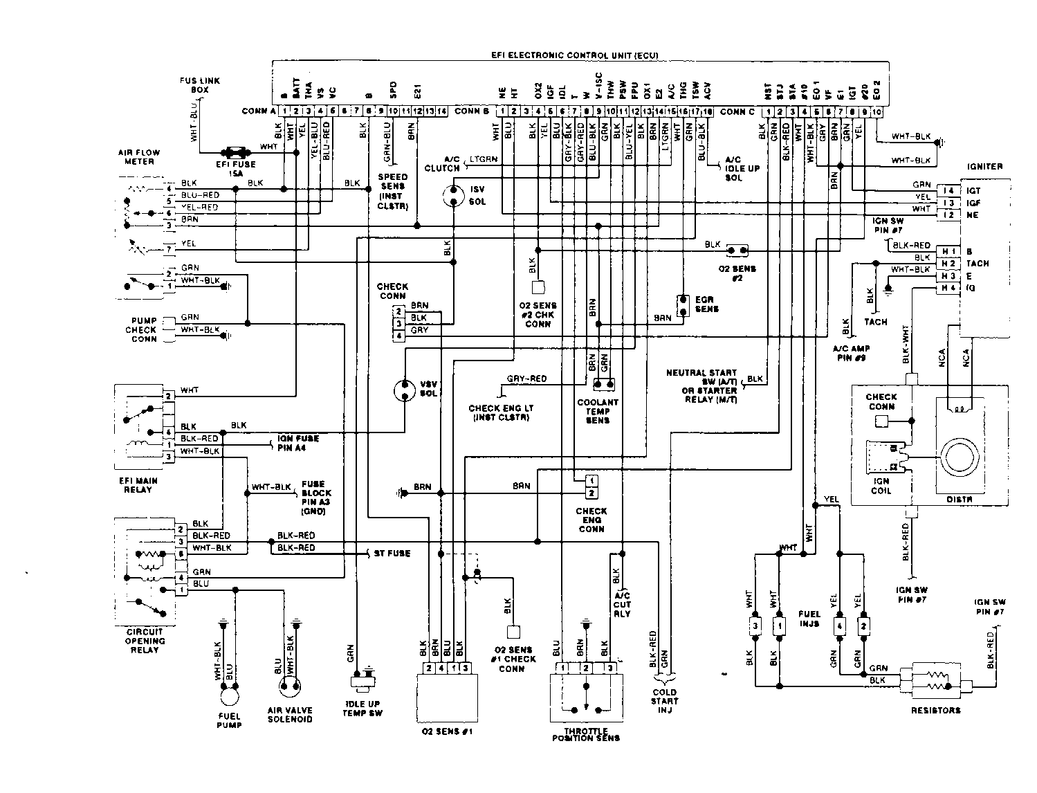
Fig 1: Toyota Computer Control System Wiring Diagram
G95457Courtesy of © TOYOTA, LICENSE AGREEMENT TMS1002