LEMON Manuals: Even more car manuals for everyone: 1960-2025
Home >> Toyota >> 1992 >> Cressida >> Repair and Diagnosis >> Engine Performance >> System >> Engine Controls - Tests W/Codes >> Code Charts >> Test No. 12 - Idle Speed Control Circuit
April 5, 2026: LEMON Manuals is launched! Read the announcement.

Test No. 12 - Idle Speed Control Circuit

TEST NO. 12 - IDLE SPEED CONTROL CIRCUIT TROUBLE

Terminal Trouble Condition STD Voltage
ISC1-ISC4-E1 No Voltage Ignition Switch ON 9-14V
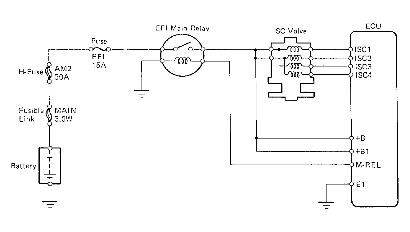
Fig 1: Test No. 12 Schematic Idle Speed Control Circuit
G91G17810Courtesy of © TOYOTA, LICENSE AGREEMENT TMS1002
Fig 2: Test No. 12 Flow Chart Idle Speed Control Circuit
G91H17811Courtesy of © TOYOTA, LICENSE AGREEMENT TMS1002