LEMON Manuals: Even more car manuals for everyone: 1960-2025
Home >> Toyota >> 1992 >> Land Cruiser >> Repair and Diagnosis >> Engine Performance >> System >> Engine Controls - Tests W/Codes >> Diagnostic Code Charts >> Test No. 12 - Idle Speed Control Circuit
April 5, 2026: LEMON Manuals is launched! Read the announcement.

Test No. 12 - Idle Speed Control Circuit

TEST NO. 12 - IDLE SPEED CONTROL CIRCUIT TROUBLE

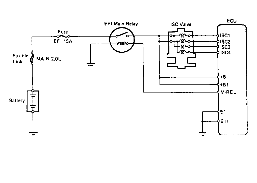
Terminal Trouble Condition STD Voltage
ISC1-ISC4-E1(E11) No Voltage Ignition Switch ON 10-14V
Fig 1: Test No. 12 Schematic Idle Speed Control Circuit
G91C18020Courtesy of © TOYOTA, LICENSE AGREEMENT TMS1002
Fig 2: Test No. 12 Flow Chart Idle Speed Control Circuit
G91D18021Courtesy of © TOYOTA, LICENSE AGREEMENT TMS1002