LEMON Manuals: Even more car manuals for everyone: 1960-2025
Home >> Toyota >> 1994 >> Corolla Base, Standard >> Repair and Diagnosis >> Engine Performance >> System >> Engine Controls - Tests W/Codes >> Trouble Code Charts >> DTC 22 - Engine Coolant Temperature Sensor Signal
April 5, 2026: LEMON Manuals is launched! Read the announcement.

DTC 22 - Engine Coolant Temperature Sensor Signal

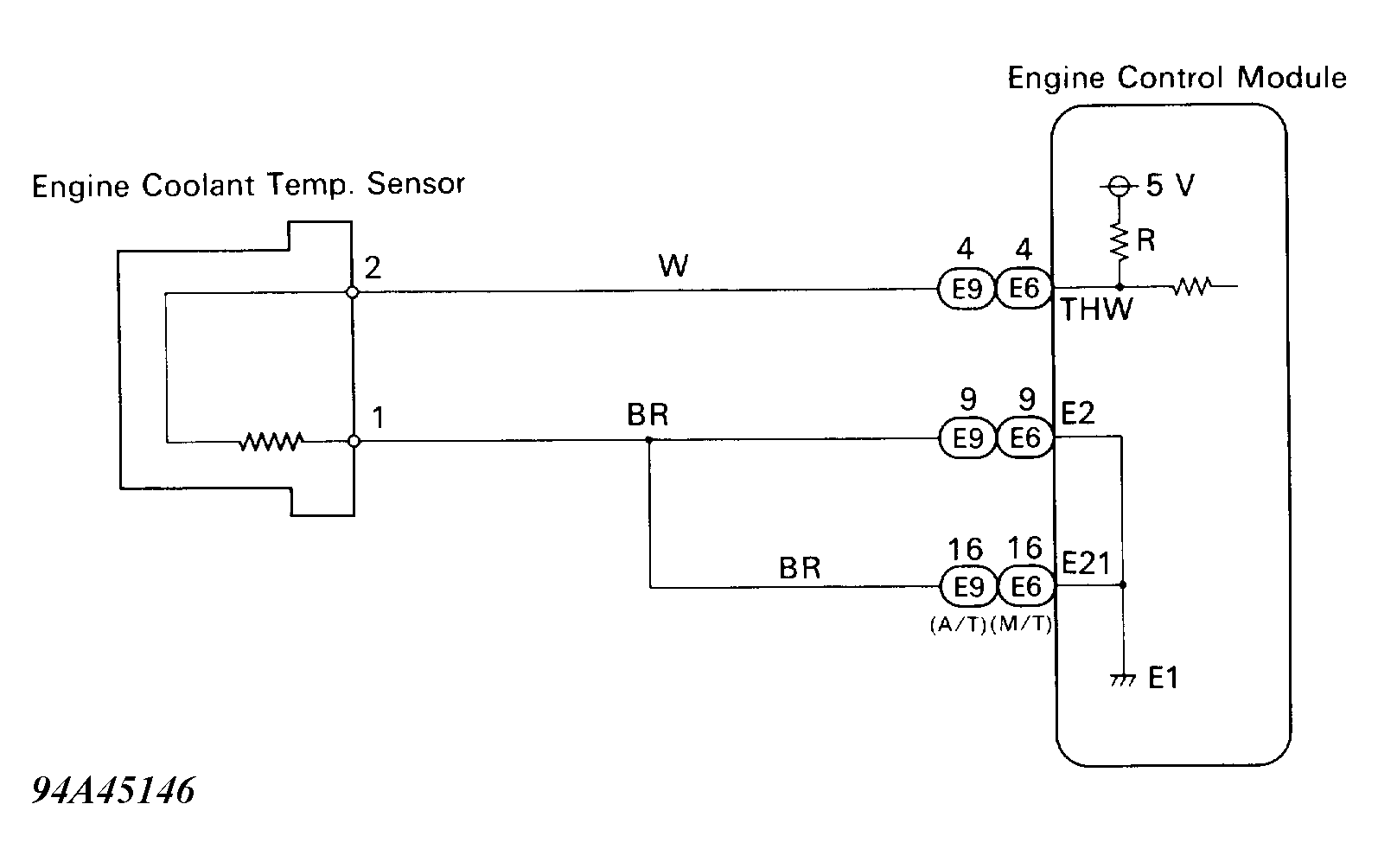
The engine coolant temperature sensor is a thermistor that changes its resistance value according to engine coolant temperature. ECM supplies a 5-volt reference voltage to engine coolant temperature through ECM terminal "E12". When sensor resistance changes, ECM changes fuel injection volume to improve driveability during cold engine operation.

A failure code is set when there is an open or short in engine coolant temperature sensor circuit for .5 second or more. Check for open or short in engine coolant temperature sensor circuit, a faulty sensor or ECM.

Fig 1: DTC 22 - Schematic
G94A45146Courtesy of © TOYOTA, LICENSE AGREEMENT TMS1002
Fig 2: DTC 22 - Voltage Reference Chart
G93H80041Courtesy of © TOYOTA, LICENSE AGREEMENT TMS1002
Fig 3: DTC 22 - Diagnostic Flowchart (1 Of 2)
G94C45148Courtesy of © TOYOTA, LICENSE AGREEMENT TMS1002
Fig 4: DTC 22 - Diagnostic Flowchart (2 Of 2)
G93I80042Courtesy of © TOYOTA, LICENSE AGREEMENT TMS1002