LEMON Manuals: Even more car manuals for everyone: 1960-2025
Home >> Toyota >> 1994 >> Corolla Base, Standard >> Repair and Diagnosis >> Engine Performance >> System >> Engine Controls - Tests W/Codes >> Trouble Code Charts >> DTC 24 - Intake Air Temperature Sensor
April 5, 2026: LEMON Manuals is launched! Read the announcement.

DTC 24 - Intake Air Temperature Sensor

Intake Air Temperature (IAT) sensor is built into air cleaner cover. The IAT sensor senses the intake air temperature. If ECM detects a problem in this circuit, it operates in the fail safe mode in which the intake air temperature is assumed to be 68°F (20°C).

If a failure code is set there is an open or short in IAT sensor circuit for .5 second or more. Check for open or short in IAT circuit, a faulty IAT sensor or ECM.

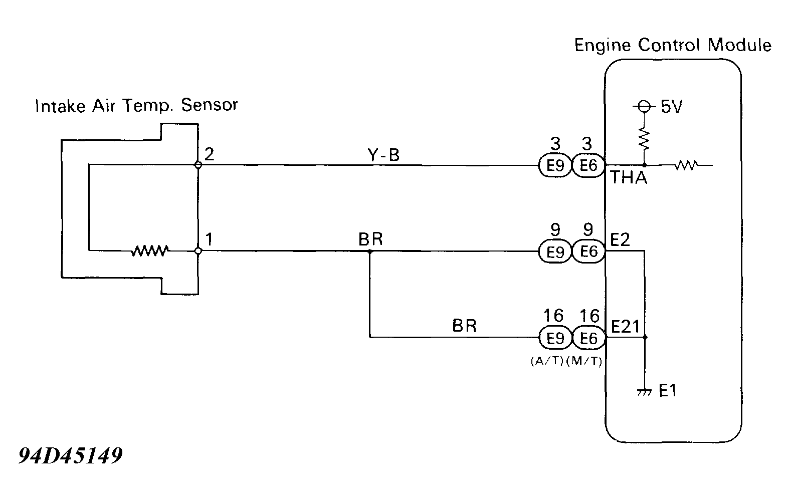
Fig 1: DTC 24 - Schematic
G94D45149Courtesy of © TOYOTA, LICENSE AGREEMENT TMS1002
Fig 2: DTC 24 - Diagnostic Flowchart (1 Of 2)
G94I45151Courtesy of © TOYOTA, LICENSE AGREEMENT TMS1002
Fig 3: DTC 24 - Diagnostic Flowchart (2 Of 2)
G94H45150Courtesy of © TOYOTA, LICENSE AGREEMENT TMS1002