LEMON Manuals: Even more car manuals for everyone: 1960-2025
Home >> Toyota >> 2001 >> 4Runner Base >> Repair and Diagnosis (Single Page) >> Brakes >> Traction Control >> Anti-Lock Brake System W/VSC >> System Testing >> Test G: TC Terminal Circuit >> Testing Procedure
April 5, 2026: LEMON Manuals is launched! Read the announcement.

Testing Procedure

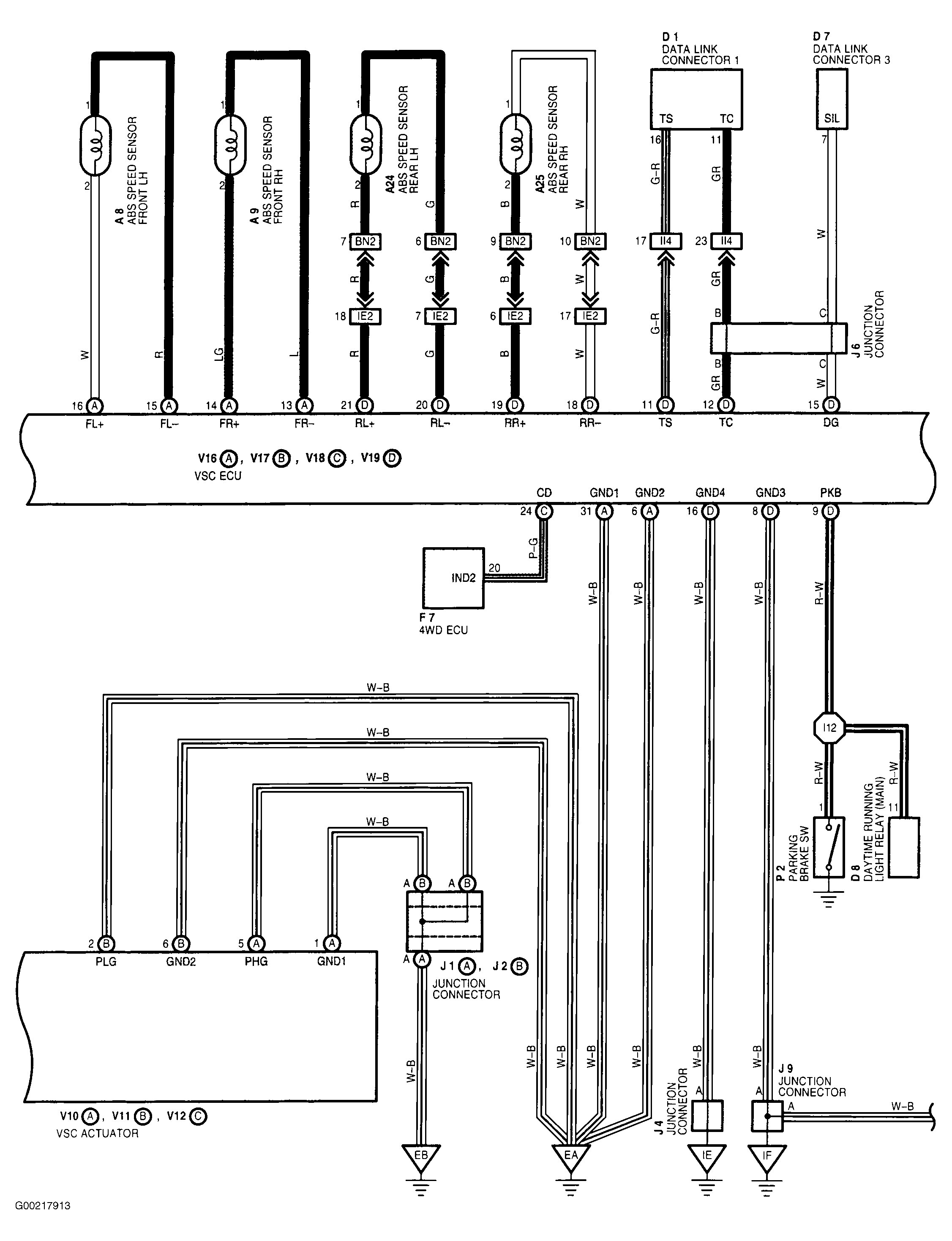
For wiring diagram see Figure. For testing procedure see Fig 1.

Fig 1: Testing Procedures Tc Terminal Circuit
G00217907Courtesy of © TOYOTA, LICENSE AGREEMENT TMS1002