LEMON Manuals: Even more car manuals for everyone: 1960-2025
Home >> Toyota >> 2001 >> 4Runner Base >> Repair and Diagnosis >> Body & Frame >> Body, Cab Control Systems >> Back Door Control System - Diagnostics >> Circuit Inspection >> Power Source Circuit >> Wiring Diagram
April 5, 2026: LEMON Manuals is launched! Read the announcement.

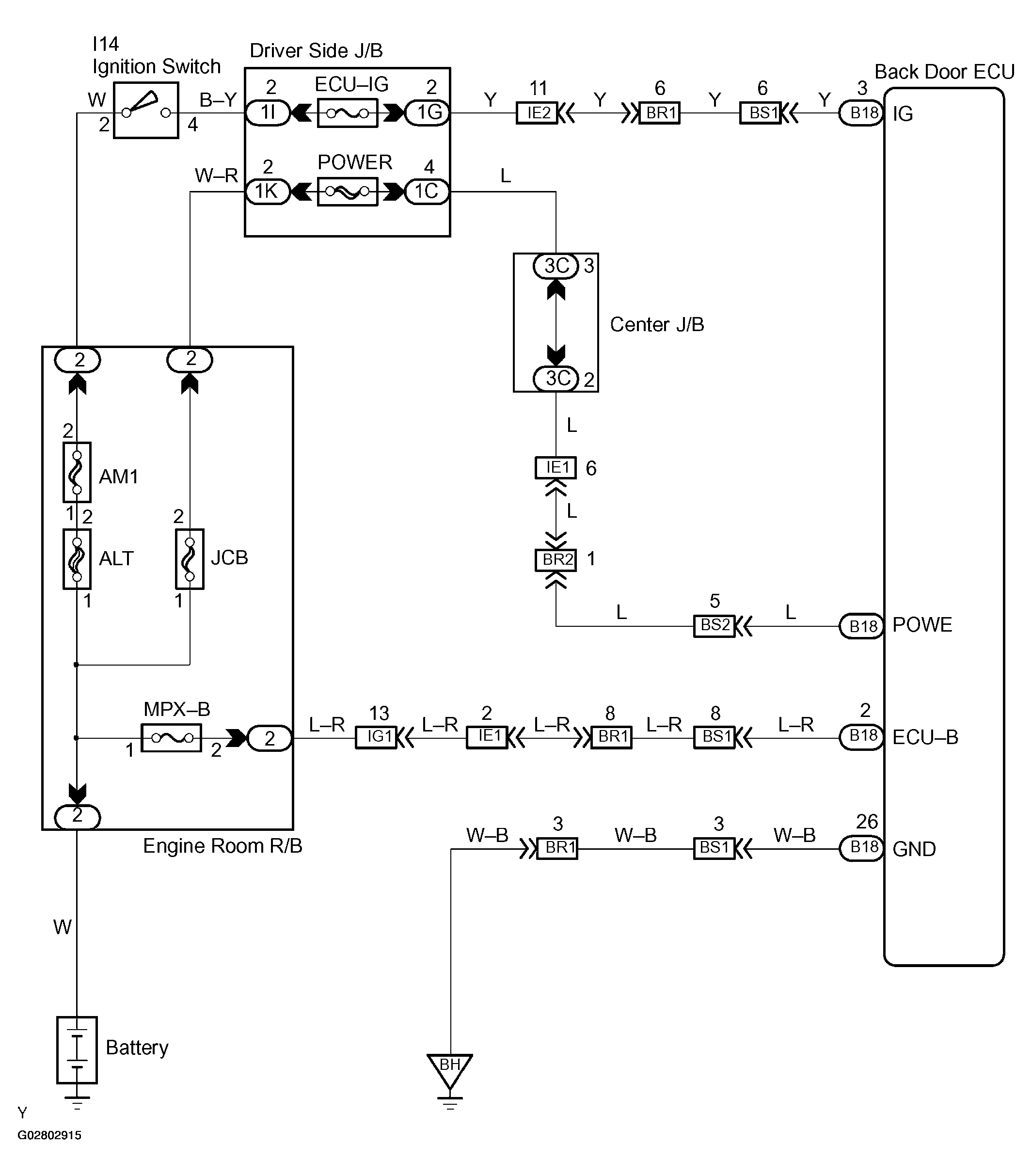
Power Source Circuit: Wiring Diagram

Fig 1: Power Source Circuit
G02802915Courtesy of © TOYOTA, LICENSE AGREEMENT TMS1002