LEMON Manuals: Even more car manuals for everyone: 1960-2025
Home >> Toyota >> 2001 >> 4Runner Base >> Repair and Diagnosis >> Brakes >> Traction Control >> Anti-Lock Brake System W/VSC >> System Testing >> Test A: Active TRAC Indicator Light Circuit >> Testing Procedure
April 5, 2026: LEMON Manuals is launched! Read the announcement.

Testing Procedure

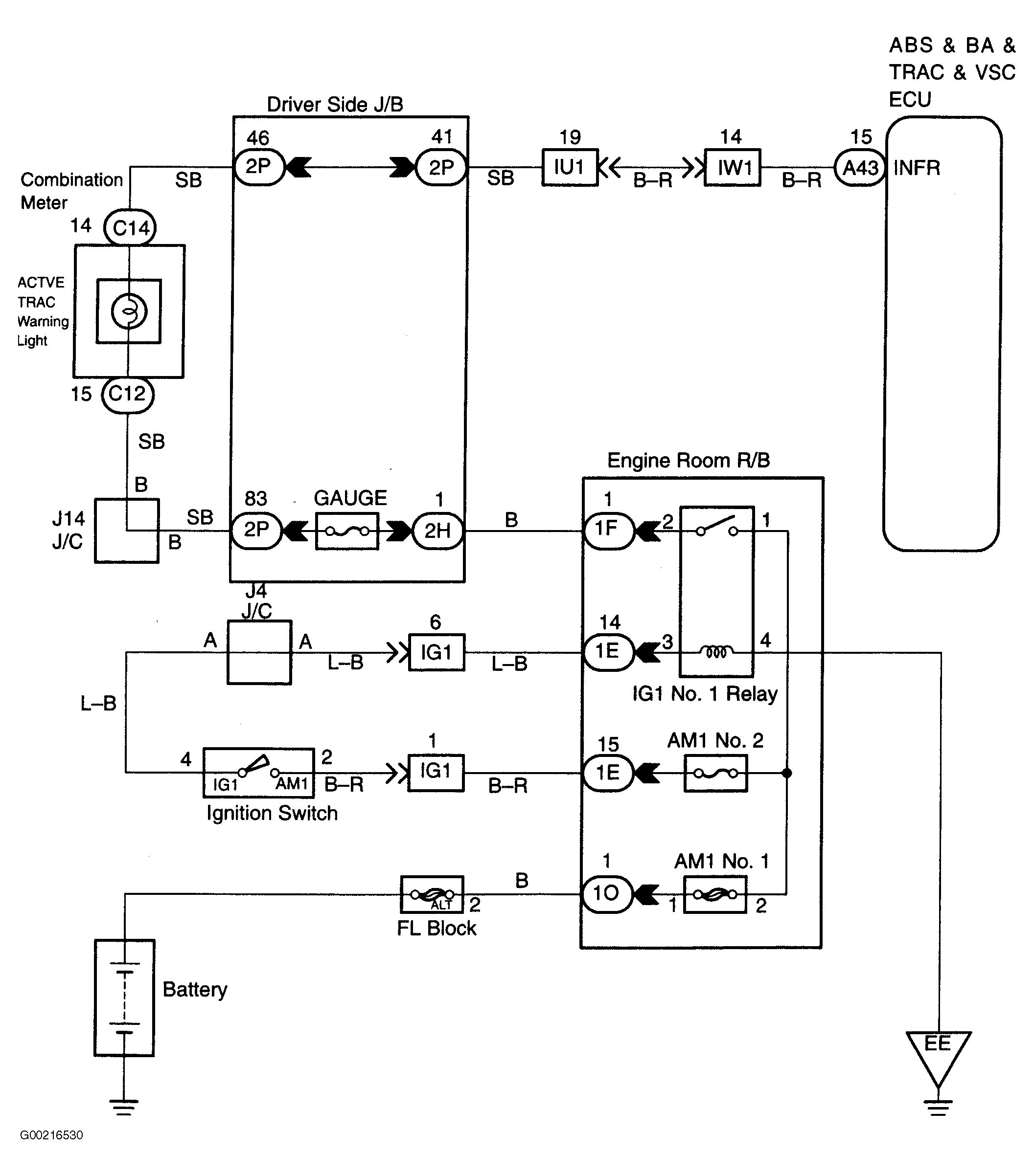
For Wiring Diagram, seeFig 1. For testing procedure see Fig 2 and Fig 3 .

Fig 1: ACTIVE TRAC Indicator Light Wiring Diagram
G00216530Courtesy of © TOYOTA, LICENSE AGREEMENT TMS1002
Fig 2: Testing Procedure ACTIVE TRAC Indicator Light Circuit (1 Of 2)
G00198678Courtesy of © TOYOTA, LICENSE AGREEMENT TMS1002
Fig 3: Testing Procedure ACTIVE TRAC Indicator Light Circuit (2 Of 2)
G00198679Courtesy of © TOYOTA, LICENSE AGREEMENT TMS1002