LEMON Manuals: Even more car manuals for everyone: 1960-2025
Home >> Toyota >> 2002 >> 4Runner Base >> Repair and Diagnosis >> Engine Performance >> Vacuum Diagrams >> Introduction
April 5, 2026: LEMON Manuals is launched! Read the announcement.

Vacuum Diagrams: Introduction

This article contains underhood views or schematics of vacuum hose routing. Use these vacuum diagrams during the visual inspection in appropriate BASIC DIAGNOSTIC PROCEDURES article. This will assist in identifying improperly routed vacuum hoses, which may cause driveability and/or computer-indicated malfunctions.

NOTE: When using vacuum diagrams, the charcoal canister may also be referred to as canister or EVAP canister.
Fig 1: Vacuum Diagram (Avalon 3.0L V6 - 1 Of 3)
G00013136Courtesy of © TOYOTA, LICENSE AGREEMENT TMS1002
Fig 2: Vacuum Diagram (Avalon 3.0L V6 - 2 Of 3)
G00011326Courtesy of © TOYOTA, LICENSE AGREEMENT TMS1002
Fig 3: Vacuum Diagram (Avalon 3.0L V6 - 3 Of 3)
G00013137Courtesy of © TOYOTA, LICENSE AGREEMENT TMS1002
Fig 4: Vacuum Diagram (Camry 2.4L 4-Cyl.)
G00014941Courtesy of © TOYOTA, LICENSE AGREEMENT TMS1002
Fig 5: Vacuum Diagram (Camry 3.0L V6)
G00014945Courtesy of © TOYOTA, LICENSE AGREEMENT TMS1002
Fig 6: Vacuum Diagram (Camry Solara 2.4L 4-Cyl. - 1 Of 2)
G00023078Courtesy of © TOYOTA, LICENSE AGREEMENT TMS1002
Fig 7: Vacuum Diagram (Camry Solara 2.4L 4-Cyl. - 2 Of 2)
G00014949Courtesy of © TOYOTA, LICENSE AGREEMENT TMS1002
Fig 8: Vacuum Diagram (Camry Solara 3.0L V6 - 1 Of 3)
G00013144Courtesy of © TOYOTA, LICENSE AGREEMENT TMS1002
Fig 9: Vacuum Diagram (Camry Solara 3.0L V6 - 2 Of 3)
G00011327Courtesy of © TOYOTA, LICENSE AGREEMENT TMS1002
Fig 10: Vacuum Diagram (Camry Solara 3.0L V6 - 3 Of 3)
G00013145Courtesy of © TOYOTA, LICENSE AGREEMENT TMS1002
Fig 11: Vacuum Diagram (Celica 1.8L 4-Cyl. 1ZZ-FE - 1 Of 3)
G00014953Courtesy of © TOYOTA, LICENSE AGREEMENT TMS1002
Fig 12: Vacuum Diagram (Celica 1.8L 4-Cyl. 2ZZ-GE - 1 Of 3)
G00014957Courtesy of © TOYOTA, LICENSE AGREEMENT TMS1002
Fig 13: Vacuum Diagram (Celica 1.8L 4-Cyl. 1ZZ-FE & 1.8L 4-Cyl. 2ZZ-GE - 2 Of 3)
G99I54773Courtesy of © TOYOTA, LICENSE AGREEMENT TMS1002
Fig 14: Vacuum Diagram (Celica 1.8L 4-Cyl. 1ZZ-FE & 1.8L 4-Cyl. 2ZZ-GE - 3 Of 3)
G00013149Courtesy of © TOYOTA, LICENSE AGREEMENT TMS1002
Fig 15: Vacuum Diagram (Corolla 1.8L 4-Cyl. - 1 Of 3)
G00013151Courtesy of © TOYOTA, LICENSE AGREEMENT TMS1002
Fig 16: Vacuum Diagram (Corolla 1.8L 4-Cyl. - 2 Of 3)
G99J54774Courtesy of © TOYOTA, LICENSE AGREEMENT TMS1002
Fig 17: Vacuum Diagram (Corolla 1.8L 4-Cyl. - 3 Of 3)
G00013152Courtesy of © TOYOTA, LICENSE AGREEMENT TMS1002
Fig 18: Vacuum Diagram (ECHO 1.5L 4-Cyl. - 1 Of 3)
G00013153Courtesy of © TOYOTA, LICENSE AGREEMENT TMS1002
Fig 19: Vacuum Diagram (ECHO 1.5L 4-Cyl. - 2 Of 3)
G99A54775Courtesy of © TOYOTA, LICENSE AGREEMENT TMS1002
Fig 20: Vacuum Diagram (ECHO 1.5L 4-Cyl. - 3 Of 3)
G00013154Courtesy of © TOYOTA, LICENSE AGREEMENT TMS1002
Fig 21: Vacuum Diagram (Highlander 2.4L 4-Cyl.)
G00027304Courtesy of © TOYOTA, LICENSE AGREEMENT TMS1002
Fig 22: Vacuum Diagram (Highlander 3.0L V6)
G00014961Courtesy of © TOYOTA, LICENSE AGREEMENT TMS1002
Fig 23: Vacuum Diagram (Land Cruiser 4.7L V8 - 1 Of 3)
G00013155Courtesy of © TOYOTA, LICENSE AGREEMENT TMS1002
Fig 24: Vacuum Diagram (Land Cruiser 4.7L V8 - 2 Of 3)
G99G08749Courtesy of © TOYOTA, LICENSE AGREEMENT TMS1002
Fig 25: Vacuum Diagram (Land Cruiser 4.7L V8 - 3 Of 3)
G99F52725Courtesy of © TOYOTA, LICENSE AGREEMENT TMS1002
Fig 26: Vacuum Diagram (MR2 1.8L 4-Cyl. - 1 Of 3)
G00094861Courtesy of © TOYOTA, LICENSE AGREEMENT TMS1002
Fig 27: Vacuum Diagram (MR2 1.8L 4-Cyl. - 2 Of 3)
G00016265Courtesy of © TOYOTA, LICENSE AGREEMENT TMS1002
Fig 28: Vacuum Diagram (MR2 1.8L 4-Cyl. - 3 Of 3)
G00016266Courtesy of © TOYOTA, LICENSE AGREEMENT TMS1002
Fig 29: Vacuum Diagram (Prius 1.5L 4-Cyl. - 1 Of 4)
G00027288Courtesy of © TOYOTA, LICENSE AGREEMENT TMS1002
Fig 30: Vacuum Diagram (Prius 1.5L 4-Cyl. - 2 Of 4)
G00027289Courtesy of © TOYOTA, LICENSE AGREEMENT TMS1002
Fig 31: Vacuum Diagram (Prius 1.5L 4-Cyl. - 3 Of 4)
G00027290Courtesy of © TOYOTA, LICENSE AGREEMENT TMS1002
Fig 32: Vacuum Diagram (Prius 1.5L 4-Cyl. - 4 Of 4)
G00027291Courtesy of © TOYOTA, LICENSE AGREEMENT TMS1002
Fig 33: Vacuum Diagram (RAV4 2.0L 4-Cyl. - 1 Of 3)
G00016267Courtesy of © TOYOTA, LICENSE AGREEMENT TMS1002
Fig 34: Vacuum Diagram (RAV4 2.0L 4-Cyl. - 2 Of 3)
G00016268Courtesy of © TOYOTA, LICENSE AGREEMENT TMS1002
Fig 35: Vacuum Diagram (RAV4 2.0L 4-Cyl. - 3 Of 3)
G00016269Courtesy of © TOYOTA, LICENSE AGREEMENT TMS1002
Fig 36: Vacuum Diagram (Sequoia 4.7L V8 - 1 Of 3)
G00016270Courtesy of © TOYOTA, LICENSE AGREEMENT TMS1002
Fig 37: Vacuum Diagram (Sequoia 4.7L V8 - 2 Of 3)
G00016271Courtesy of © TOYOTA, LICENSE AGREEMENT TMS1002
Fig 38: Vacuum Diagram (Sequoia 4.7L V8 - 3 Of 3)
G00016272Courtesy of © TOYOTA, LICENSE AGREEMENT TMS1002
Fig 39: Vacuum Diagram (Sienna 3.0L V6 - 1 Of 3)
G00016273Courtesy of © TOYOTA, LICENSE AGREEMENT TMS1002
Fig 40: Vacuum Diagram (Sienna 3.0L V6 - 2 Of 3)
G00016274Courtesy of © TOYOTA, LICENSE AGREEMENT TMS1002
Fig 41: Vacuum Diagram (Sienna 3.0L V6 - 3 Of 3)
G00016275Courtesy of © TOYOTA, LICENSE AGREEMENT TMS1002
Fig 42: Vacuum Diagram (Tacoma 2.4L 4-Cyl. 2RZ-FE - 1 Of 3)
G00094865Courtesy of © TOYOTA, LICENSE AGREEMENT TMS1002
Fig 43: Vacuum Diagram (Tacoma 2.7L 4-Cyl. 3RZ-FE - 1 Of 3)
G00094869Courtesy of © TOYOTA, LICENSE AGREEMENT TMS1002
Fig 44: Vacuum Diagram (Tacoma 2.4L 4-Cyl. 2RZ-FE & 2.7L 4-Cyl. 3RZ-FE 4-Cyl. - 2 Of 3)
G00023082Courtesy of © TOYOTA, LICENSE AGREEMENT TMS1002
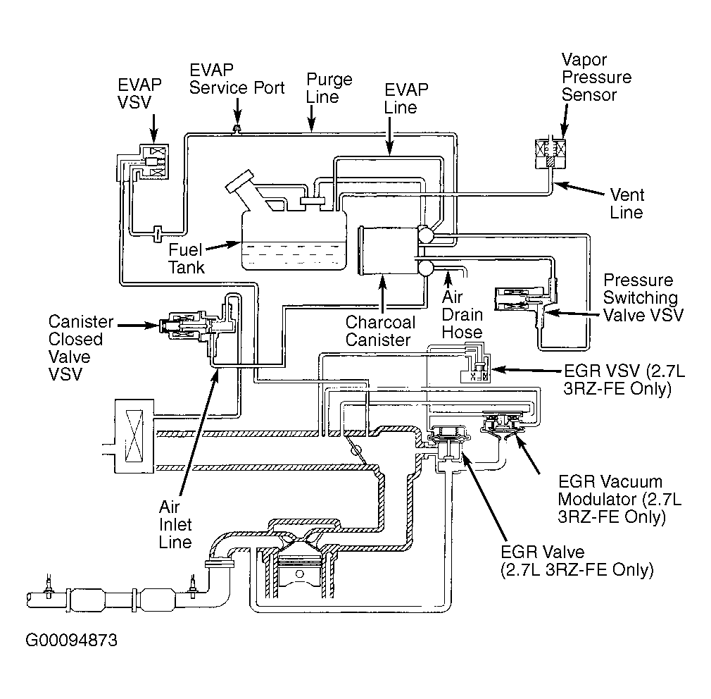
Fig 45: Vacuum Diagram (Tacoma 2.4L 4-Cyl. 2RZ-FE & 2.7L 4-Cyl. 3RZ-FE 4-Cyl. - 3 Of 3)
G00094873Courtesy of © TOYOTA, LICENSE AGREEMENT TMS1002
Fig 46: Vacuum Diagram (Tacoma 3.4L V6 - 1 Of 3)
G00016276Courtesy of © TOYOTA, LICENSE AGREEMENT TMS1002
Fig 47: Vacuum Diagram (Tacoma 3.4L V6 - 2 Of 3)
G00023055Courtesy of © TOYOTA, LICENSE AGREEMENT TMS1002
Fig 48: Vacuum Diagram (Tacoma 3.4L V6 - 3 Of 3)
G00016278Courtesy of © TOYOTA, LICENSE AGREEMENT TMS1002
Fig 49: Vacuum Diagram (Tundra 3.4L V6 - 1 Of 3)
G00014293Courtesy of © TOYOTA, LICENSE AGREEMENT TMS1002
Fig 50: Vacuum Diagram (Tundra 3.4L V6 - 2 Of 3)
G99C08752Courtesy of © TOYOTA, LICENSE AGREEMENT TMS1002
Fig 51: Vacuum Diagram (Tundra 3.4L V6 - 3 Of 3)
G99C52748Courtesy of © TOYOTA, LICENSE AGREEMENT TMS1002
Fig 52: Vacuum Diagram (Tundra 4.7L V8 - 1 Of 3)
G00014294Courtesy of © TOYOTA, LICENSE AGREEMENT TMS1002
Fig 53: Vacuum Diagram (Tundra 4.7L V8 - 2 Of 3)
G99E08753Courtesy of © TOYOTA, LICENSE AGREEMENT TMS1002
Fig 54: Vacuum Diagram (Tundra 4.7L V8 - 3 Of 3)
G99B52754Courtesy of © TOYOTA, LICENSE AGREEMENT TMS1002
Fig 55: Vacuum Diagram (4Runner 3.4L V6 - 1 Of 3)
G00016276Courtesy of © TOYOTA, LICENSE AGREEMENT TMS1002
Fig 56: Vacuum Diagram (4Runner 3.4L V6 - 2 Of 3)
G00016277Courtesy of © TOYOTA, LICENSE AGREEMENT TMS1002
Fig 57: Vacuum Diagram (4Runner 3.4L V6 - 3 Of 3)
G00016278Courtesy of © TOYOTA, LICENSE AGREEMENT TMS1002