LEMON Manuals: Even more car manuals for everyone: 1960-2025
Home >> Toyota >> 2003 >> Matrix Base, 4WD >> Repair and Diagnosis >> External Pages >> Different car >> Section 153 (Anti-Lock Brake System) >> Diagnostic Tests >> DTC C1249/49: Stop Light Switch Circuit >> Testing Procedure
April 5, 2026: LEMON Manuals is launched! Read the announcement.

Testing Procedure

WARNING: This page is about a different car, the 2003 Lexus LS 430, 2002 Lexus LS 430, and 2001 Lexus LS 430. However, it is still accessible from the selected car via links, so may be relevant.

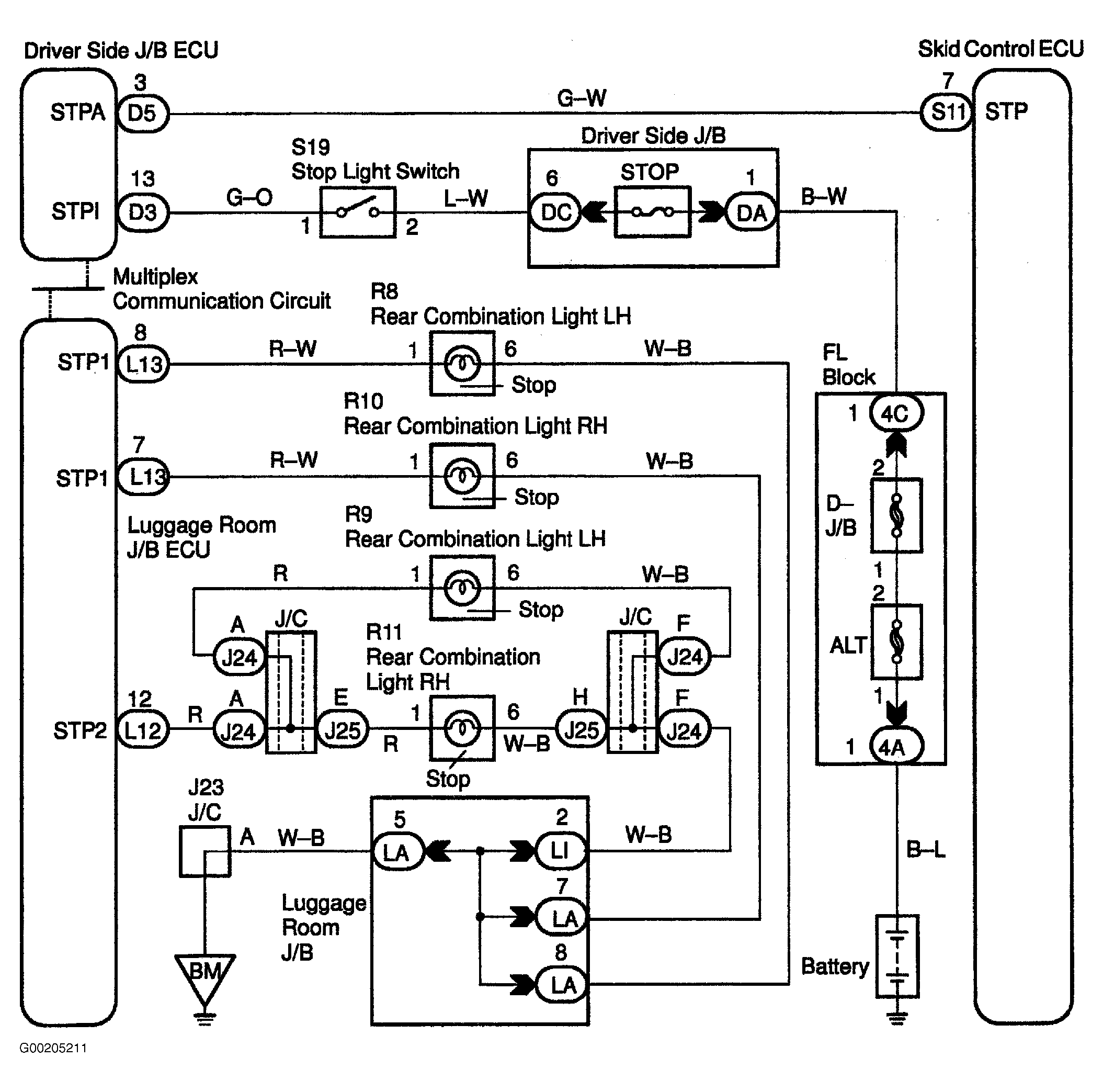
For wiring diagram see Fig 1. For testing procedure see Fig 2.

Fig 1: Stop Light Switch Circuit Wiring Diagram
G00205211Courtesy of © TOYOTA, LICENSE AGREEMENT TMS1002
Fig 2: Testing Procedure Stop Light Switch Circuit
G00205212Courtesy of © TOYOTA, LICENSE AGREEMENT TMS1002