LEMON Manuals: Even more car manuals for everyone: 1960-2025
Home >> Toyota >> 2003 >> Matrix Base, FWD, Automatic >> Repair and Diagnosis (Single Page) >> Engine Performance >> System >> Engine Controls - System & Component Testing - 4-Cylinder >> Computerized Engine Controls >> Starter Motor Signal Circuit >> Camry Solara
April 5, 2026: LEMON Manuals is launched! Read the announcement.

Camry Solara

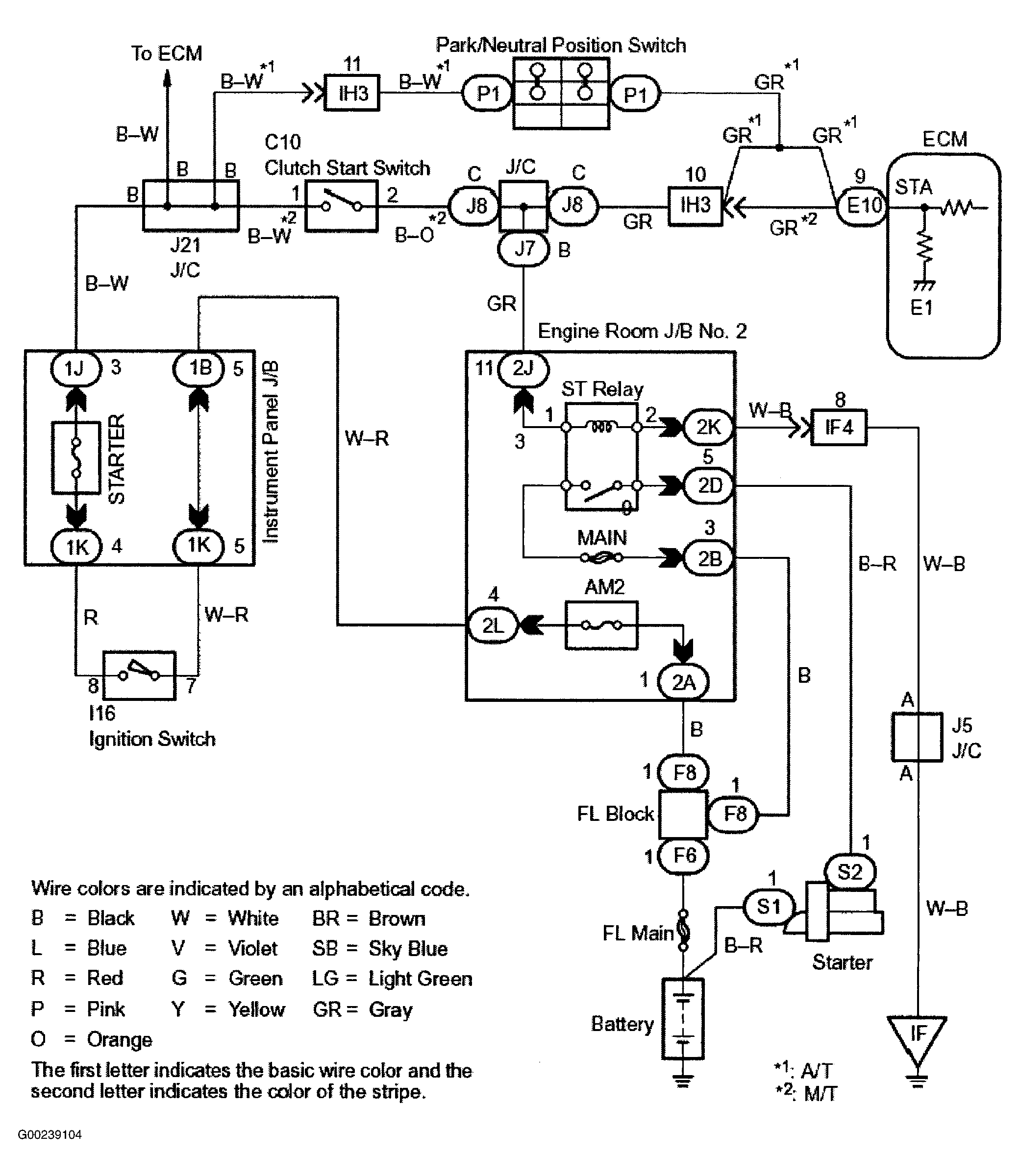
For starter signal circuit inspection and wiring diagram, see Fig 1-Fig 5 . Before replacing ECM, check ECM connectors and ground circuits. See ENGINE CONTROL MODULE POWER & GROUND CIRCUITS .

Fig 1: Starter Motor Signal Wiring Diagram (Camry Solara)
G00239104Courtesy of © TOYOTA, LICENSE AGREEMENT TMS1002
Fig 2: Starter Motor Signal Circuit Inspection Using Toyota Hand-Held Tester - Steps 1-3 (Camry Solara)
G00239105Courtesy of © TOYOTA, LICENSE AGREEMENT TMS1002
Fig 3: Starter Motor Signal Circuit Inspection Using Toyota Hand-Held Tester - Step 4; Using OBD II Scan Tool - Steps 1-2 (Camry Solara)
G00239106Courtesy of © TOYOTA, LICENSE AGREEMENT TMS1002
Fig 4: Starter Motor Signal Circuit Inspection Using OBD II Scan Tool - Steps 3-4 (Camry Solara)
G00239107Courtesy of © TOYOTA, LICENSE AGREEMENT TMS1002
Fig 5: Locating Data Link Connector No. 3 (Camry Solara)
G99J08029Courtesy of © TOYOTA, LICENSE AGREEMENT TMS1002