LEMON Manuals: Even more car manuals for everyone: 1960-2025
Home >> Toyota >> 2003 >> Matrix Base, FWD, Automatic >> Repair and Diagnosis (Single Page) >> Engine Performance >> Testing & Diagnosis >> Engine Control System Self Diagnostics >> Diagnostic Tests >> DTC P1520: Stop Light Switch Circuit Malfunction >> Diagnosis & Repair
April 5, 2026: LEMON Manuals is launched! Read the announcement.

Diagnosis & Repair

NOTE: Read freeze frame data using hand-held tester or OBD II scan tool, as freeze frame data records engine conditions when malfunction is detected. When trouble shooting, it is useful for determining whether vehicle was running or stopped, engine was warmed up or not, air-fuel ratio was lean or rich, etc. at time of malfunction.

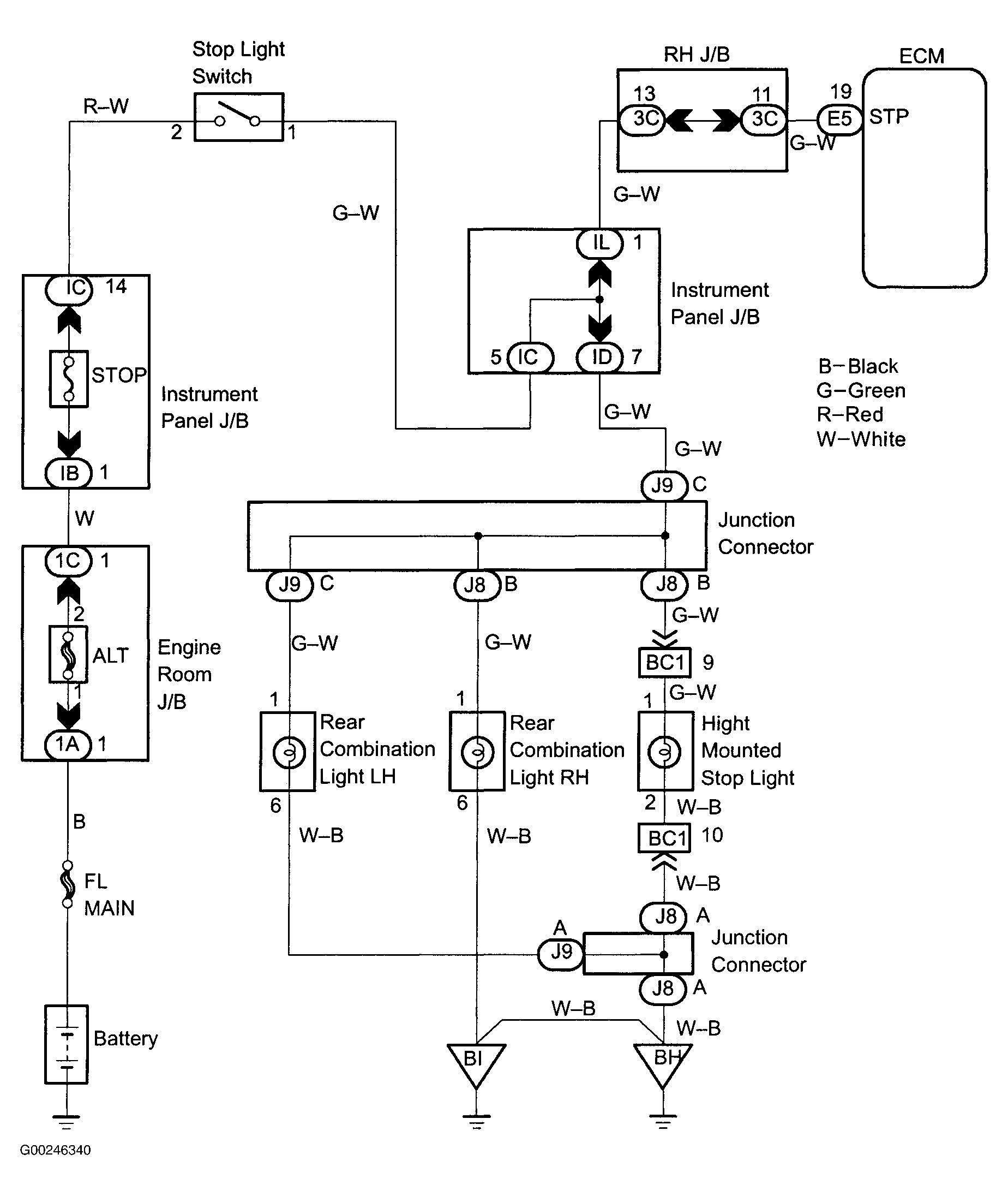
For wiring diagram of Corolla model, see Fig 1. For wiring diagram of Matrix model, see Fig 2. For diagnosis and repair with hand-held tester, see Fig 3. For diagnosis and repair with OBD II scan tool, see Fig 4. To check for intermittent problems, see INTERMITTENT PROBLEM CHECK  under SELF-DIAGNOSTIC SYSTEM. To identify circuits referenced in testing, See ENGINE PERFORMANCE in SYSTEM WIRING DIAGRAMS article in ELECTRICAL. To check ECM inputs and outputs, see PIN VOLTAGE CHARTS article. To replace ECM, see REMOVAL & INSTALLATION - 4-CYLINDER article.

Fig 1: DTC P1520 Wiring Diagram (Corolla)
G00246320Courtesy of © TOYOTA, LICENSE AGREEMENT TMS1002
Fig 2: DTC P1520 Wiring Diagram (Matrix)
G00246340Courtesy of © TOYOTA, LICENSE AGREEMENT TMS1002
Fig 3: DTC P1520 Diagnostic Procedure (Using Hand-Held Tester)
G00246321Courtesy of © TOYOTA, LICENSE AGREEMENT TMS1002
Fig 4: DTC P1520 Diagnostic Procedure (Using OBD II Scan Tool)
G00246322Courtesy of © TOYOTA, LICENSE AGREEMENT TMS1002