LEMON Manuals: Even more car manuals for everyone: 1960-2025
Home >> Toyota >> 2003 >> Matrix Base, FWD, Automatic >> Repair and Diagnosis >> Engine Performance >> System >> Engine Control System Self Diagnostics >> Diagnostic Tests >> DTC P1300, DTC P1305, DTC P1310 & DTC P1315 >> Diagnosis & Repair
April 5, 2026: LEMON Manuals is launched! Read the announcement.

Diagnosis & Repair

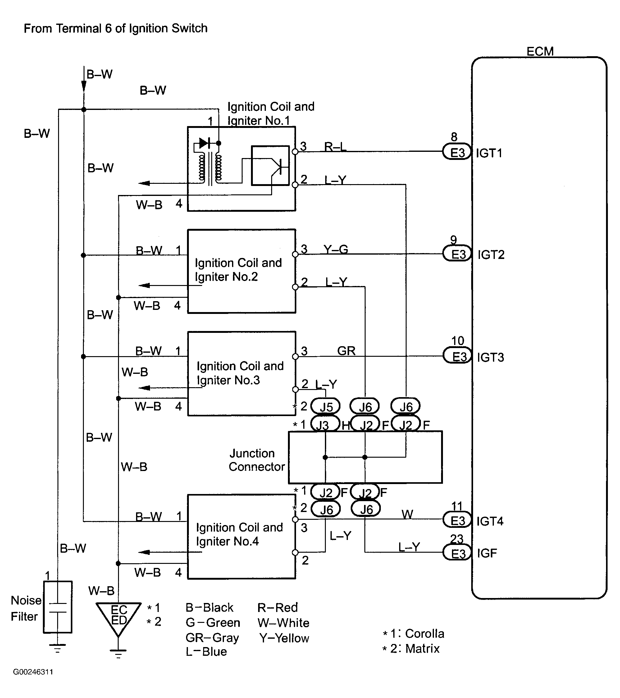
For wiring diagram, see Fig 1. For diagnosis and repair, see Fig 2-Fig 5 . For testing of components, see BASIC DIAGNOSTIC PROCEDURES - 4-CYL article. To identify circuits referenced in testing, See ENGINE PERFORMANCE in SYSTEM WIRING DIAGRAMS article in ELECTRICAL. For removal and installation of components, see REMOVAL & INSTALLATION - 4-CYLINDER article. To check ECM inputs and outputs, see PIN VOLTAGE CHARTS article.

Fig 1: DTCs P1300, P1305, P1310 & P1315 Wiring Diagram
G00246311Courtesy of © TOYOTA, LICENSE AGREEMENT TMS1002
Fig 2: DTCs P1300, P1305, P1310 & P1315 Diagnostic Procedure (Steps 1-2)
G00246312Courtesy of © TOYOTA, LICENSE AGREEMENT TMS1002
Fig 3: DTCs P1300, P1305, P1310 & P1315 Diagnostic Procedure (Steps 3-4)
G00246313Courtesy of © TOYOTA, LICENSE AGREEMENT TMS1002
Fig 4: DTCs P1300, P1305, P1310 & P1315 Diagnostic Procedure (Steps 5-6)
G00246314Courtesy of © TOYOTA, LICENSE AGREEMENT TMS1002
Fig 5: DTCs P1300, P1305, P1310 & P1315 Diagnostic Procedure (Steps 7-8)
G00246315Courtesy of © TOYOTA, LICENSE AGREEMENT TMS1002