LEMON Manuals: Even more car manuals for everyone: 1960-2025
Home >> Toyota >> 2003 >> Matrix Base, FWD, Automatic >> Repair and Diagnosis >> External Pages >> Different car >> Section 110 (Engine Control System Self Diagnostics (2UZ-FE)) >> Diagnostic Tests >> DTC P0230: Fuel Pump Primary Circuit Problem >> Diagnosis & Repair
April 5, 2026: LEMON Manuals is launched! Read the announcement.

Diagnosis & Repair

WARNING: This page is about a different car, the 2003 Toyota 4Runner. However, it is still accessible from the selected car via links, so may be relevant.
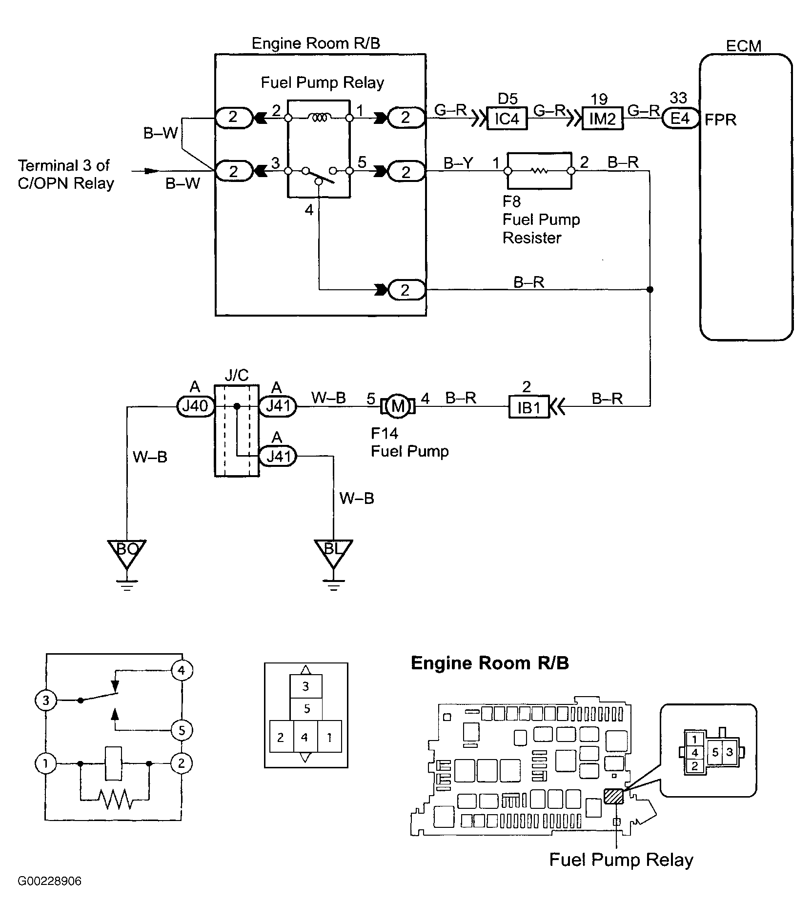
  1. Remove glove box and ECM, leaving ECM connectors connected. ECM is located behind glove box. See Figure. Backprobing, measure voltage between ECM 34-pin connector E4 terminal No. 33 (+) (Green/Red wire) and ECM 32-pin connector E6 terminal No. 1 (-) (Brown wire). With shift indicator in P or N position and ignition switch in START position, voltage should be 9-14 volts. With ignition in ON position, voltage should be 0-3 volts. See Figure. If voltage is as specified, replace ECM. If voltage is not as specified, go to next step.
  2. Remove the fuel pump relay from the engine room relay box. See Fig 1. Inspect the fuel pump relay. See FUEL PUMP RELAY under MODULES, MOTORS, RELAYS & SOLENOIDS in SYSTEM & COMPONENT TESTING - V6 & V8 article. If relay is Ok, go to next step. If relay is bad, replace relay.
  3. Disconnect ECM 34-pin connector E4. Check continuity between fuel pump relay socket terminal No. 1 and ECM 34-pin connector terminal No. 33 (Green/Red wire). Continuity should exist. Then, check continuity between fuel pump relay socket terminal No. 1 and ground. Continuity should not exist. If continuity is as specified, replace ECM. If continuity is not as specified, repair or replace harness wires or connectors as necessary.
Fig 1: Identifying Fuel Pump Relay Circuit Connectors & Terminals
G00228906Courtesy of © TOYOTA, LICENSE AGREEMENT TMS1002