LEMON Manuals: Even more car manuals for everyone: 1960-2025
Home >> Toyota >> 2003 >> Matrix Base, FWD, Automatic >> Repair and Diagnosis >> External Pages >> Different car >> Section 175 (Engine Controls - Self-Diagnostics) >> Diagnostic Tests >> DTC P0705: Transmission Range Sensor Circuit Malfunction (PRNDL Input) >> Diagnosis & Repair
April 5, 2026: LEMON Manuals is launched! Read the announcement.

Diagnosis & Repair

WARNING: This page is about a different car, the 2003 Lexus GX 470. However, it is still accessible from the selected car via links, so may be relevant.

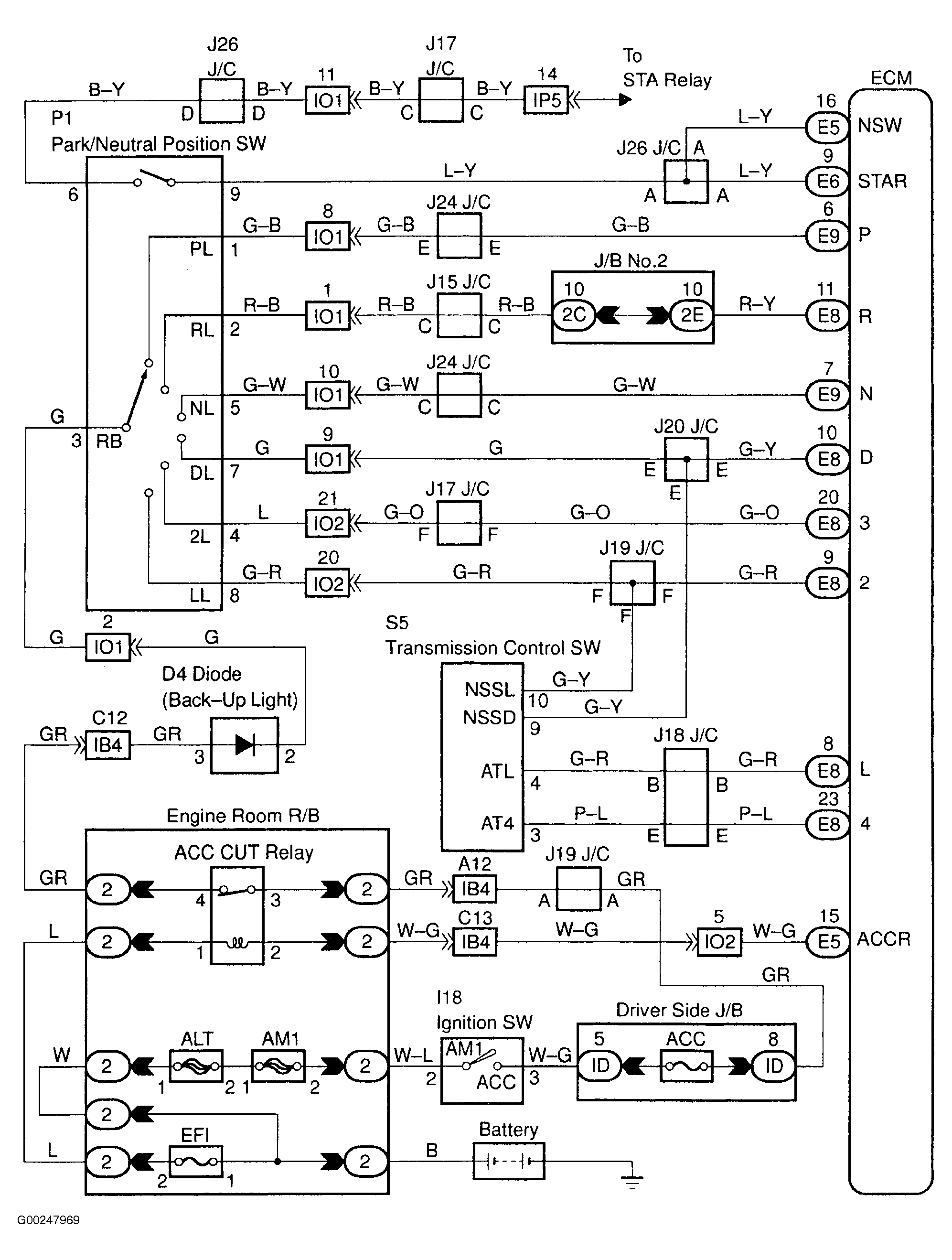
For wiring diagram, see Fig 1. For diagnosis and repair, see Fig 2 and Fig 3 .

Fig 1: Transmission Range Sensor Circuit Wiring Diagram
G00247969Courtesy of © TOYOTA, LICENSE AGREEMENT TMS1002
Fig 2: Diagnosis & Repair Of Transmission Range Sensor Circuit (Step 1-2)
G00247970Courtesy of © TOYOTA, LICENSE AGREEMENT TMS1002
Fig 3: Diagnosis & Repair Of Transmission Range Sensor Circuit (Step 3)
G00247971Courtesy of © TOYOTA, LICENSE AGREEMENT TMS1002