LEMON Manuals: Even more car manuals for everyone: 1960-2025
Home >> Toyota >> 2003 >> Matrix Base, FWD, Standard >> Repair and Diagnosis >> Accessories & Equipment >> Anti-Theft Systems >> Vehicle Intrusion Protection System - Diagnostics >> Door Unlock Detection Switch Circuit >> Wiring Diagram
April 5, 2026: LEMON Manuals is launched! Read the announcement.

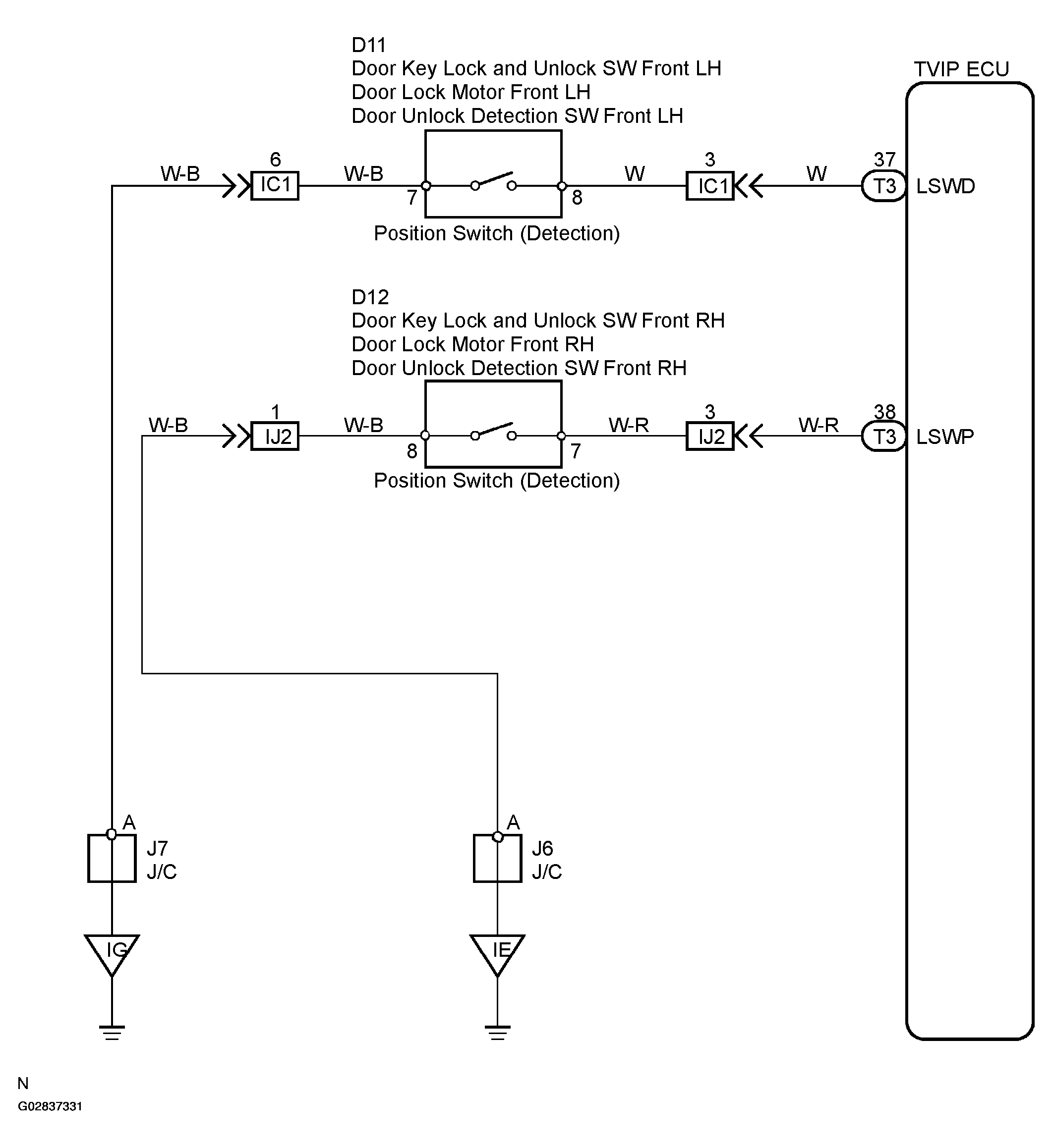
Door Unlock Detection Switch Circuit: Wiring Diagram

Fig 1: Wiring diagram - Door Unlock Detection Switch Circuit
G02837331Courtesy of © TOYOTA, LICENSE AGREEMENT TMS1002