LEMON Manuals: Even more car manuals for everyone: 1960-2025
Home >> Toyota >> 2003 >> Matrix Base, FWD, Standard >> Repair and Diagnosis >> External Pages >> Different car >> Section 101 (Engine Control System Self Diagnostics - 4-Cylinder) >> Diagnostic Tests >> DTC P0442: EVAP System Leak Detected (Small Leak) & DTC P0456: EVAP System Leak Detected (Very Small Leak) >> Diagnosis & Repair
April 5, 2026: LEMON Manuals is launched! Read the announcement.

Diagnosis & Repair

WARNING: This page is about a different car, the 2003 Toyota Camry Solara. However, it is still accessible from the selected car via links, so may be relevant.
NOTE:
  • If DTC P0441 (purge flow), P0446 (VSV for CCV or VSV for pressure switching valve), P0451, P0452 or P0453 (evaporative pressure sensor) is output with DTC P0442 or P0456, first trouble shoot DTC P0441, P0446, P0451, P0452 or P0453. If no malfunction is detected, trouble shoot DTC P0442 or P0456 next.
  • If different DTCs that are related to different systems are output simultaneously while terminal E2 is used s a ground terminal, terminal E2 may be open.
  • Ask the customer whether, after the MIL came on, the customer found the fuel tank cap loose and tightened it. Also ask the customer whether the fuel tank cap was loose when refuelling. If the fuel tank cap was loose, it was the cause of the DTC. If the fuel tank cap was not loose or if the customer was not sure if it was loose, trouble shoot according to the following procedure.
  • Read freeze frame data using OBD II scan tool or hand-held tester. Because freeze frame records the engine conditions when the malfunction is detected. When trouble shooting, it is useful for determining whether the vehicle was running or stopped, the engine was warmed up or not, the air-fuel ratio was lean or rich, etc. at the time of the malfunction.
  • When the ENGINE RUN TIME in the freeze frame data is less than 200 seconds, carefully check the vapor pressure sensor.

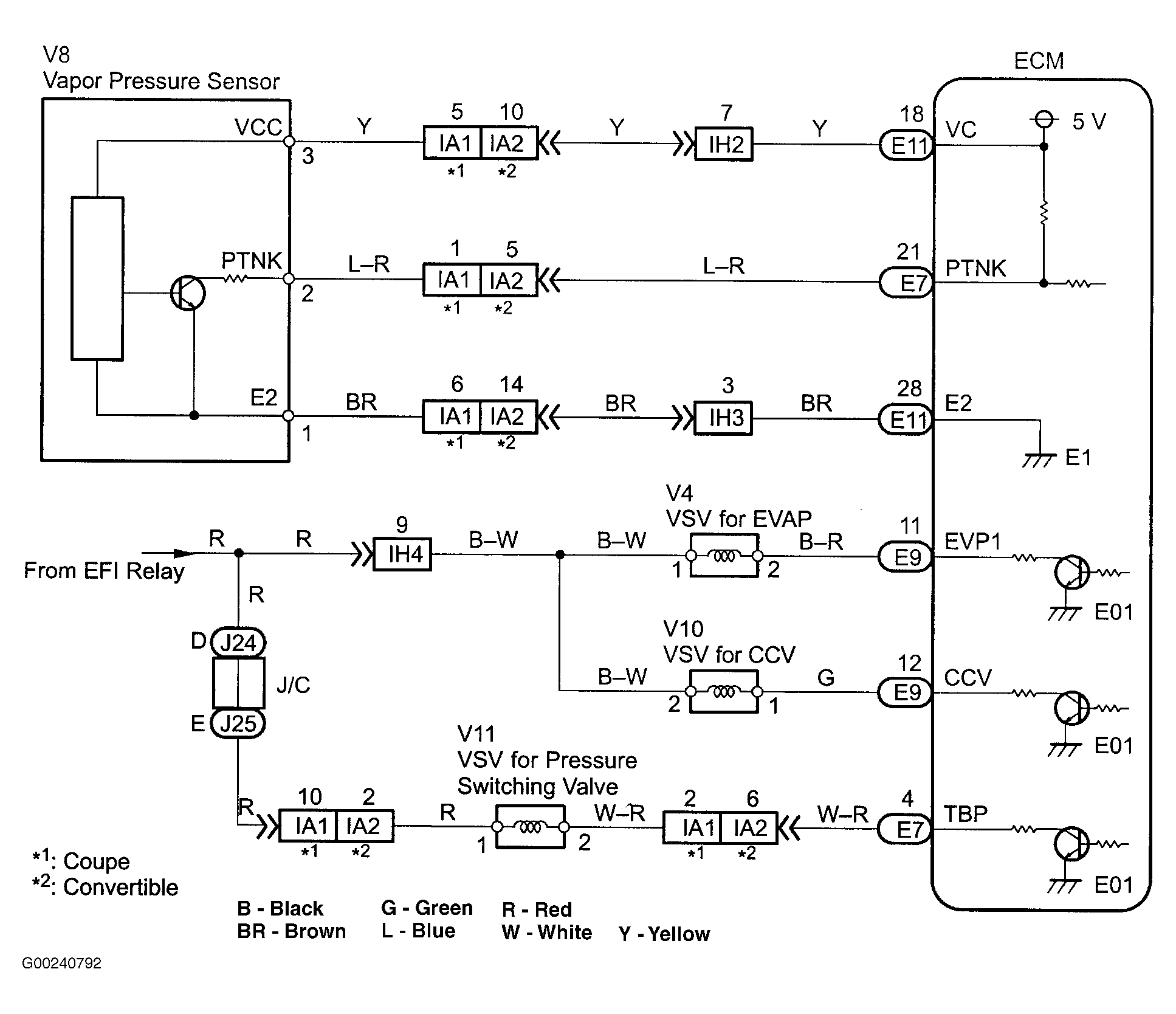
For wiring diagram, see Fig 1. For diagnosis and repair with hand-held tester, see Fig 2-Fig 9 . For diagnosis and repair with OBD II scan tool, see Fig 10-Fig 16 .

For vacuum or EVAP hose routing, see VACUUM DIAGRAMS article. For testing of components, see SYSTEM & COMPONENT TESTING - 4-CYLINDER article. For removal and installation of components, see REMOVAL, OVERHAUL & INSTALLATION - 4-CYLINDER article. To identify circuits referenced in testing, see appropriate WIRING DIAGRAM under ENGINE PERFORMANCE in SYSTEM WIRING DIAGRAMS article. To check ECM inputs and outputs, see PIN VOLTAGE CHARTS article. For ECM location, see ENGINE CONTROL MODULE LOCATION  under SELF-DIAGNOSTIC SYSTEM.

Fig 1: DTCs P0442 & P0456 Wiring Diagram
G00240792Courtesy of © TOYOTA, LICENSE AGREEMENT TMS1002
Fig 2: DTCs P0442 & P0456 Diagnostic Procedure (Using Toyota Hand-Held Tester, Steps 1-4)
G00240793Courtesy of © TOYOTA, LICENSE AGREEMENT TMS1002
Fig 3: DTCs P0442 & P0456 Diagnostic Procedure (Using Toyota Hand-Held Tester, Steps 5-7)
G00240794Courtesy of © TOYOTA, LICENSE AGREEMENT TMS1002
Fig 4: DTCs P0442 & P0456 Diagnostic Procedure (Using Toyota Hand-Held Tester, Steps 8-11)
G00240795Courtesy of © TOYOTA, LICENSE AGREEMENT TMS1002
Fig 5: DTCs P0442 & P0456 Diagnostic Procedure (Using Toyota Hand-Held Tester, Steps 12-14)
G00232092Courtesy of © TOYOTA, LICENSE AGREEMENT TMS1002
Fig 6: DTCs P0442 & P0456 Diagnostic Procedure (Using Toyota Hand-Held Tester, Steps 15-17)
G00240796Courtesy of © TOYOTA, LICENSE AGREEMENT TMS1002
Fig 7: DTCs P0442 & P0456 Diagnostic Procedure (Using Toyota Hand-Held Tester, Steps 18-21)
G00232094Courtesy of © TOYOTA, LICENSE AGREEMENT TMS1002
Fig 8: DTCs P0442 & P0456 Diagnostic Procedure (Using Toyota Hand-Held Tester, Steps 22-23)
G00240797Courtesy of © TOYOTA, LICENSE AGREEMENT TMS1002
Fig 9: DTCs P0442 & P0456 Diagnostic Procedure (Using Toyota Hand-Held Tester, Steps 24-25)
G00240798Courtesy of © TOYOTA, LICENSE AGREEMENT TMS1002
Fig 10: DTCs P0442 & P0456 Diagnostic Procedure (Using OBD II Scan Tool, Steps 1-4)
G00240799Courtesy of © TOYOTA, LICENSE AGREEMENT TMS1002
Fig 11: DTCs P0442 & P0456 Diagnostic Procedure (Using OBD II Scan Tool, Steps 5-8)
G00240800Courtesy of © TOYOTA, LICENSE AGREEMENT TMS1002
Fig 12: DTCs P0442 & P0456 Diagnostic Procedure (Using OBD II Scan Tool, Steps 9-11)
G00240801Courtesy of © TOYOTA, LICENSE AGREEMENT TMS1002
Fig 13: DTCs P0442 & P0456 Diagnostic Procedure (Using OBD II Scan Tool, Steps 12-14)
G00240802Courtesy of © TOYOTA, LICENSE AGREEMENT TMS1002
Fig 14: DTCs P0442 & P0456 Diagnostic Procedure (Using OBD II Scan Tool, Steps 15-17)
G00240803Courtesy of © TOYOTA, LICENSE AGREEMENT TMS1002
Fig 15: DTCs P0442 & P0456 Diagnostic Procedure (Using OBD II Scan Tool, Steps 18-20)
G00240804Courtesy of © TOYOTA, LICENSE AGREEMENT TMS1002
Fig 16: DTCs P0442 & P0456 Diagnostic Procedure (Using OBD II Scan Tool, Steps 21-22)
G00240805Courtesy of © TOYOTA, LICENSE AGREEMENT TMS1002