LEMON Manuals: Even more car manuals for everyone: 1960-2025
Home >> Toyota >> 2003 >> Matrix Base, FWD, Standard >> Repair and Diagnosis >> External Pages >> Different car >> Section 145 (Power Windows) >> Circuit Tests >> Power Window Switch Circuit (Rear) >> Circuit Description
April 5, 2026: LEMON Manuals is launched! Read the announcement.

Circuit Description

WARNING: This page is about a different car, the 2003 Lexus RX 300 and 2002 Lexus RX 300. However, it is still accessible from the selected car via links, so may be relevant.

The power window switch circuit can be check using DTC check. See DTC B1225/25: POWER WINDOW SWITCH CIRCUIT (REAR RIGHT) & DTC B1226/26: POWER WINDOW SWITCH CIRCUIT (REAR LEFT) under DIAGNOSTIC TESTS under MULTIPLEX COMMUNICATION SYSTEM article under COMMUNICATION DEVICES in ACCESSORIES & EQUIPMENT. For rear left door circuit diagram, see Fig 1. For rear right door circuit diagram, see Fig 2.

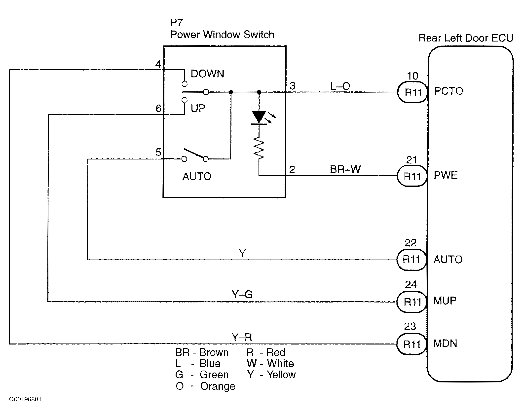
Fig 1: Identifying Rear Left Door Power Window Switch Circuit
G00196881Courtesy of © TOYOTA, LICENSE AGREEMENT TMS1002
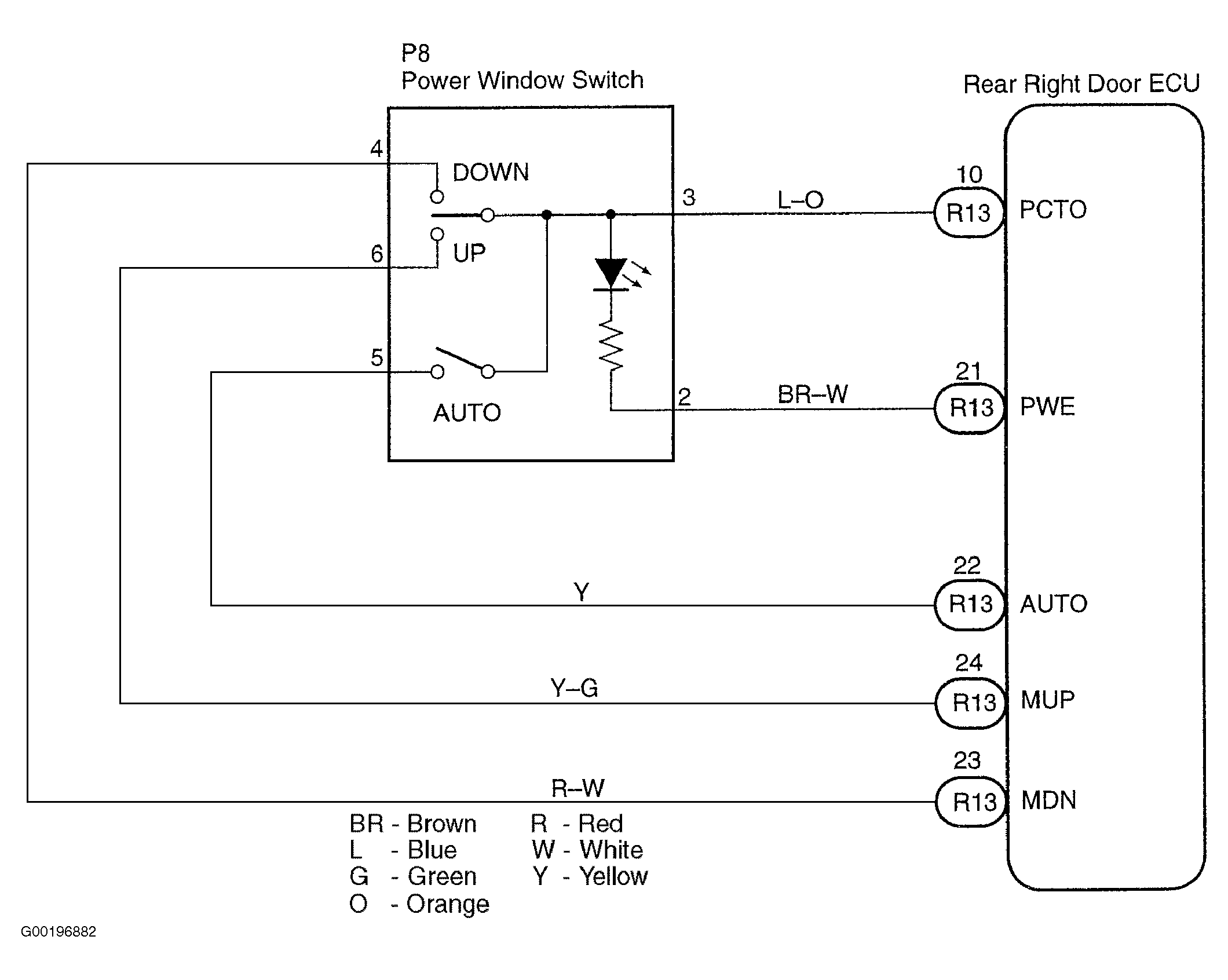
Fig 2: Identifying Rear Right Door Power Window Switch Circuit
G00196882Courtesy of © TOYOTA, LICENSE AGREEMENT TMS1002