LEMON Manuals: Even more car manuals for everyone: 1960-2025
Home >> Toyota >> 2003 >> Matrix Base, FWD, Standard >> Repair and Diagnosis >> External Pages >> Different car >> Section 152 (Cruise Control) >> Circuit Tests >> Electronically Controlled Transmission Communication Circuit >> Circuit Description
April 5, 2026: LEMON Manuals is launched! Read the announcement.

Circuit Description

WARNING: This page is about a different car, the 2003 Lexus RX 300 and 2002 Lexus RX 300. However, it is still accessible from the selected car via links, so may be relevant.

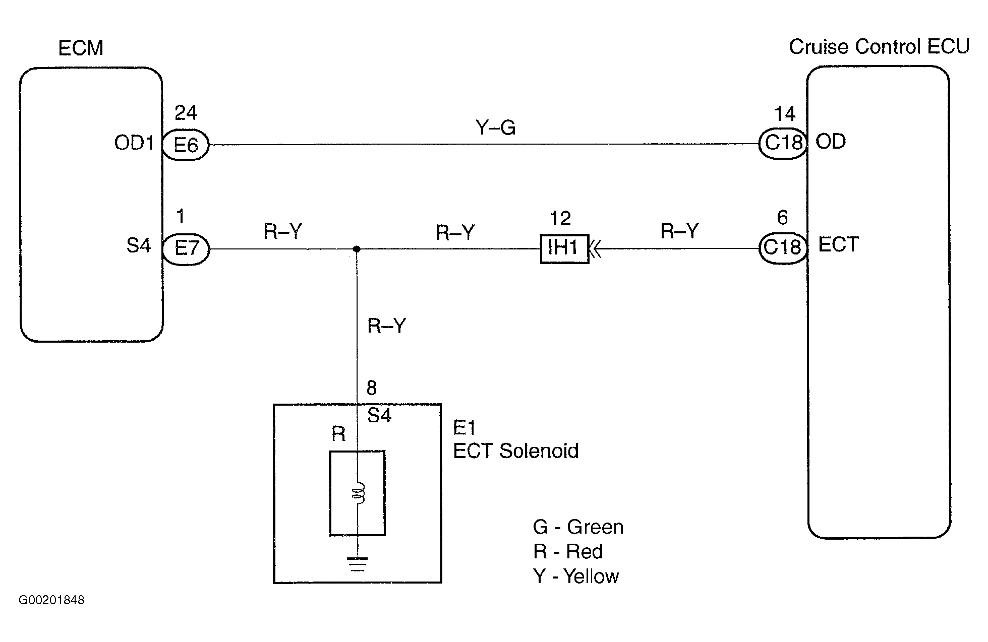
When driving uphill under the cruise control, in order to reduce shifting due to ON-OFF overdrive operation and to provide smooth driving, when down shifting in the electronically controlled transmission occurs, a signal to prevent upshift until the end of the uphill slope is sent from the cruise control ECU to the electronically controlled transmission.

terminal No. 6 (ECT) of the cruise control ECU detects the shift change signal (output to electronically controlled transmission No. 4 solenoid) from the ECM. See Fig 1. If the vehicle speeds down, also when terminal No. 6 (ECT) of the cruise control ECU receives down shifting signal, it sends a signal from terminal No. 14 (OD) to ECM to cut overdrive until the end of the uphill slope, and the gear shifts are reduced and gear shift points in the electronically controlled transmission are changed.

Fig 1: Identifying Electronically Controlled Transmission Communication Circuit
G00201848Courtesy of © TOYOTA, LICENSE AGREEMENT TMS1002